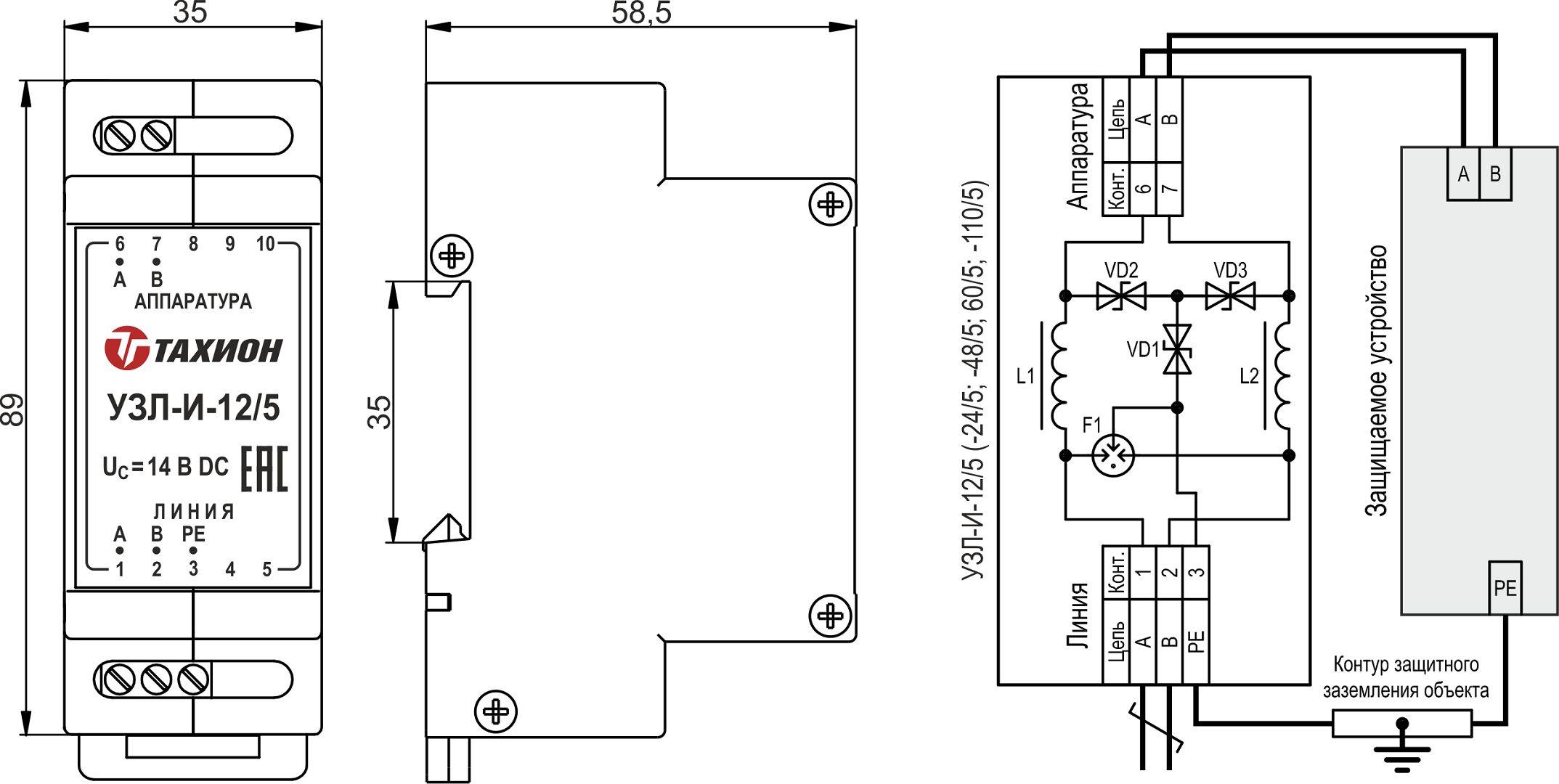
Устройство защиты интерфейсов с подачей питания УЗЛ-И-24/5 предназначено для защиты от импульсных перенапряжений (грозовых, электростатических разрядов и др.) оборудования промышленной автоматизации, диспетчеризации, систем безопасности, использующих 2х проводные линии интерфейса RS-485, RS-422, M-bus, CAN и их разновидностей, в пределах 2 ÷ 3 зон молниезащиты (в соответствии с МЭК 61312-1). Устройство обеспечивает передачу питания 24 В DC по сигнальным парам с величиной тока до 5 А.
Защищаемое оборудование: контроллеры систем сигнализации и автоматизации, исполнительные устройства, системы телеметрии и учёта.
УЗЛ-И-24/5 по техническим и эксплуатационным характеристикам удовлетворяет требованиям МЭК 61643-21, ГОСТ IEC 61000-4-5. Степень защиты IP20 в соответствии с ГОСТ 14254. Конструктивно устройство выполнено в пластмассовом корпусе с креплением на 35мм DIN-рейку. Устройство выпускается по техническим условиям ТУ 26.30.50-077-31006686-2017.
| Характеристики | Значение |
| Номинальное рабочее напряжение UN | 24 В DC |
| Макс. длительное рабочее напряжение UС | 28 В DC |
| Номинальный рабочий ток IN | 5 А |
| Номинальный ток разряда (8/20 мкс) In | 2 кА |
| Максимальный ток разряда (8/20 мкс) IMAX | 10 кА |
| С2 Уровень напряжения защиты UP при In | 45 В |
| Максимальная имп. мощность рассеивания TVS-диодами Pppm | 1500 Вт |
| Время срабатывания tA, не более | 10нс/100нс |
| Вносимая в цепь индуктивность, не более | 10 мкГн |
| Скорость передачи данных, не более | 1 Мбит / сек |
| Сечение подключаемых проводов, не более | 2,5 мм2 |
| Диапазон рабочих температур | – 55°С ¸ +85°С |
| Габаритные размеры | 89 х 58 х 35 мм |
| Вес в упаковке | 90 г |
| Категория испытаний по МЭК 61643-21 | А2, В2, С1, С2, С3, D1 |

ДОСТАВКА
Вы можете выбрать любой наиболее удобный способ из перечисленных ниже:
Доставка до терминала ТК «Деловые линии» осуществляется нами бесплатно.
ОПЛАТА
Мы принимаем оплату:
Цены на поставляемые нами товар всегда ниже, чем у наших конкурентов.
Условия гарантийного обслуживания
Гарантия не распространяется на ущерб, причиненный другому оборудованию, работающему вместе с данным изделием.
Центр измерительной техники «Эталонприбор» располагает своим собственным ремонтным сервисом, где Вы можете получить услуги по: ремонту, наладке, калибровке, гарантийному и послегарантийному обслуживанию измерительного оборудования, как приобретенного у нас, так и у других поставщиков. Сервис работает на основе лицензии, выданной Ростехрегулированием РФ.
