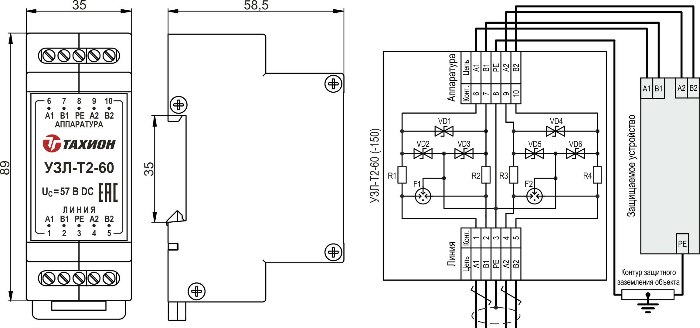
Устройства защиты оборудования телефонии УЗЛ-Т2-60 на две пары линий предназначены для защиты от импульсных перенапряжений (грозовых, электростатических разрядов и др.) оборудования связи и телефонии, использующего двухпроводные витые пары для передачи в стандартах xDSL, в пределах 2 ÷ 3 зон молниезащиты (в соответствии с МЭК 61312-1).
Защищаемое оборудование: модемы систем телефонии, приемные устройства, узлы связи.
Области применения:
УЗЛ-Т2-60 по техническим и эксплуатационным характеристикам удовлетворяют требованиям ГОСТ IEC 61643-21. Степень защиты IP20 в соответствии с ГОСТ 14254. Конструктивно УЗЛ-Т2-60 выполнены в пластмассовом корпусе с креплением на 35мм DIN-рейку. Выпускается по техническим условиям ТУ 26.30.50-077-31006686-2017.
| № п/п | Характеристики | Значение |
| 1 | Номинальное рабочее напряжение UN | 38 В DC |
| 2 | Макс. длительное рабочее напряжение UС | 57 В DC |
| 3 | Номинальный рабочий ток IN | 0,5 А |
| 4 | Номинальный ток разряда (8/20 мкс) In | 2 кА |
| 5 | Максимальный ток разряда (8/20 мкс) IMAX | 20 кА |
| 6 | C2 Уровень напряжения защиты UP при In пары относительно земли (A1-G,B1-G,A2-G,B2-G) (синфазная наводка) | 65 В |
7 | C2 Уровень напряжения защиты UP при In между проводниками пары (А1-B1,A2-B2) (дифференциальная наводка) | 95 В |
| 8 | Время срабатывания tA, не более | 10нс/100нс |
| 9 | Вносимая емкость в линию, не более | 90 пкФ |
| 10 | Скорость передачи данных, не более | 15 Мбит / сек |
| 11 | Количество защищаемых пар | 2 |
| 12 | Сечение подключаемых проводов, не более | 2,5 мм2 |
| 13 | Категория испытаний по МЭК 61643-21 | A2,B2,С2,C3,D1 |
| 14 | Диапазон рабочих температур | – 55°С … +85°С |
| 15 | Габаритные размеры | 89 х 58 х 35 мм |
| 16 | Вес в упаковке | 90 г |

ДОСТАВКА
Вы можете выбрать любой наиболее удобный способ из перечисленных ниже:
Доставка до терминала ТК «Деловые линии» осуществляется нами бесплатно.
ОПЛАТА
Мы принимаем оплату:
Цены на поставляемые нами товар всегда ниже, чем у наших конкурентов.
Условия гарантийного обслуживания
Гарантия не распространяется на ущерб, причиненный другому оборудованию, работающему вместе с данным изделием.
Центр измерительной техники «Эталонприбор» располагает своим собственным ремонтным сервисом, где Вы можете получить услуги по: ремонту, наладке, калибровке, гарантийному и послегарантийному обслуживанию измерительного оборудования, как приобретенного у нас, так и у других поставщиков. Сервис работает на основе лицензии, выданной Ростехрегулированием РФ.
