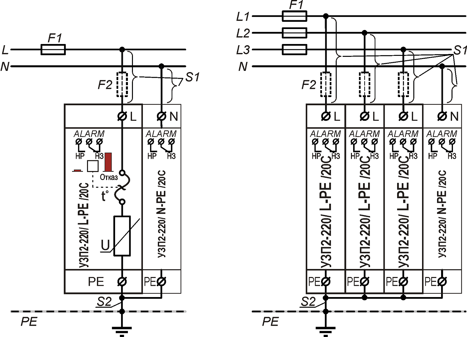
Устройство защиты электрооборудования распределительных сетей 220 (230) В AC от импульсных перенапряжений УЗП2-220/L-PE/20С предназначено для защиты оборудования, подключённого к линиям электропитания переменного тока 220 (230) В, от наведенных напряжений, вызванных электромагнитными импульсами высоких энергий (грозовыми, электростатическими разрядами и т.д.).
УЗП2-220/L-PE/20С – однополюсное устройство защиты ограничительного типа класса испытаний II, по техническим и эксплуатационным характеристикам удовлетворяющее требованиям ГОСТ IEC 61643-11, ГОСТ 30011.1, ГОСТ Р 50571-4-44, ГОСТ Р 50571.5.53.
УЗП2-220/L-PE/20С применяется в сетях с системой заземления TN-S (TN-C-S), ТТ и устанавливается в пределах 1 - 2 зон молниезащиты (в соответствии с МЭК 61312-1, МЭК 62305). Для сетей с системами заземления TN-C применяются УЗП2-220/L-PEN/20(С) и УЗП2-220К/3L-PEN/20(С).
УЗП2-220/L-PE/20С имеет механический индикатор и дистанционную сигнализацию состояния отказа, при срабатывании которых устройство необходимо заменить.
Степень защиты IP20 в соответствии с ГОСТ 14254. Конструктивно УЗП2-220/L-PE/20С выполнено в корпусе из трудногорючего пластика с креплением на 35мм DIN-рейку.
УЗП2-220/L-PE/20С выпускается по техническим условиям ТУ 26.30.50-077-31006686-2017.
| № п/п | Характеристики | Значение |
| 1 | Номинальное рабочее напряжение (Un) | ~230 В / 50 Гц |
| 2 | Максимальное длительное рабочее напряжение (Uc) | ~275 В / 50 Гц |
| 3 | Классификационное напряжение при 1мА, не более | ~473 В / 50 Гц |
| 4 | Номинальный разрядный ток при tимп. 8/20мкс (In) | 20 кА |
| 5 | Максимальный разрядный ток при tимп. 8/20мкс (Imax) | 40 кА |
| 6 | Уровень напряжения защиты при In, (Up), не более | 1,5 кB |
| 7 | Время срабатывания, менее | 25 нсек |
| 8 | Сечение подключаемых проводов, мм2 – жесткий одножильный – гибкий многожильный |
2,5÷35 мм2 |
| 9 | Контакты дистанционной сигнализации (только УЗП2-220/1N/20С): – максимальный коммутируемый ток – максимальное коммутируемое напряжение – сечение подключаемых проводов, не более |
3 А |
| 10 | Диапазон рабочих температур | -55…+80 °С |
| 11 | Габаритные размеры, (ДхВхШ) | 92х74,5х17,8 мм |
| 12 | Вес в упаковке | 90 г |


ВНИМАНИЕ:
При подключении УЗП2-220/L-PE/20С необходимо убедиться, что в фазном проводе на распределительном щите имеется токовый предохранитель класса gG с номиналом не более 125А (F1). Если F1>125А, необходимо установить токовый предохранитель класса gG F2≤125А.
ДОСТАВКА
Вы можете выбрать любой наиболее удобный способ из перечисленных ниже:
Доставка до терминала ТК «Деловые линии» осуществляется нами бесплатно.
ОПЛАТА
Мы принимаем оплату:
Цены на поставляемые нами товар всегда ниже, чем у наших конкурентов.
Условия гарантийного обслуживания
Гарантия не распространяется на ущерб, причиненный другому оборудованию, работающему вместе с данным изделием.
Центр измерительной техники «Эталонприбор» располагает своим собственным ремонтным сервисом, где Вы можете получить услуги по: ремонту, наладке, калибровке, гарантийному и послегарантийному обслуживанию измерительного оборудования, как приобретенного у нас, так и у других поставщиков. Сервис работает на основе лицензии, выданной Ростехрегулированием РФ.
