Устройство защиты электрооборудования распределительных сетей 220 (230) В AC от импульсных перенапряжений, комплект УЗП2-220К/3L-PEN/20 (далее изделие) предназначено для защиты оборудования, подключённого к линиям электропитания переменного тока 220 (230) В, от наведенных напряжений, вызванных электромагнитными импульсами высоких энергий (грозовыми, электростатическими разрядами и т.д.).
УЗП2-220К/3L-PEN/20 – трехполюсное устройство защиты ограничительного типа класса испытаний II, по техническим и эксплуатационным характеристикам удовлетворяющее требованиям ГОСТ IEC 61643-11, ГОСТ 30011.1, ГОСТ Р 50571-4-44, ГОСТ Р 50571.5.53.
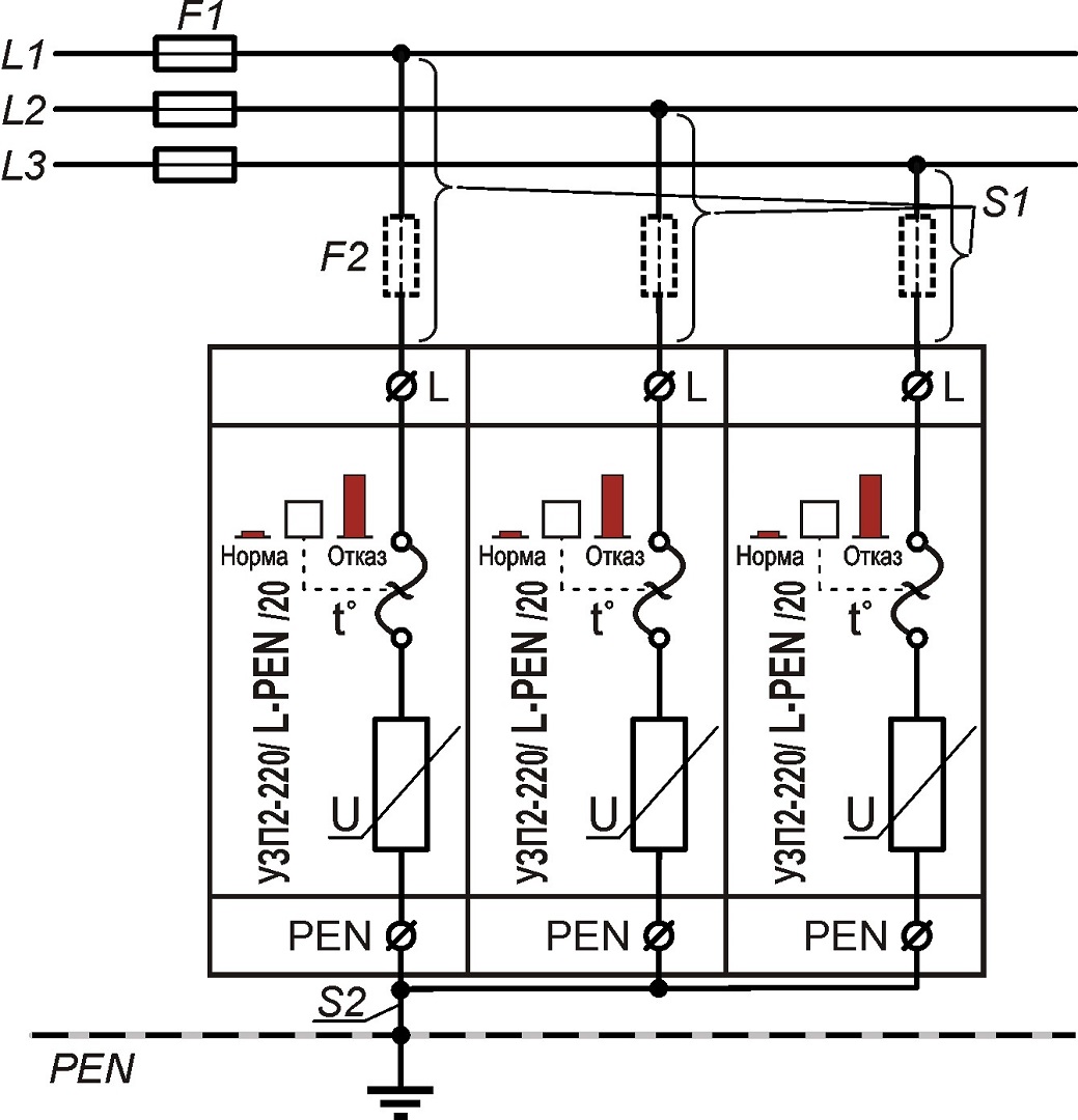
УЗП2-220К/3L-PEN/20 применяется в трехфазных сетях с системой заземления TN-C, IT и устанавливается в пределах 1 - 2 зон молниезащиты (в соответствии с МЭК 61312-1, МЭК 62305). Для сетей с системами заземления TN-S (TN-C-S), TT применяются УЗП2-220К/LN-PE/20(С) и УЗП2-220К/3LN-PE/20(С).
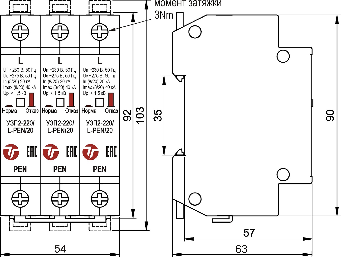
Каждый модуль устройства имеет механический индикатор состояния отказа, при срабатывании которого отказавший модуль необходимо заменить.
Степень защиты IP20 в соответствии с ГОСТ 14254. Конструктивно УЗП2-220К/3L-PEN/20 выполнено в корпусе из трудногорючего пластика с креплением на 35мм DIN-рейку.
Выпускается по техническим условиям ТУ 26.30.50-077-31006686-2017.
| № п/п | Характеристики | Значение |
| 1 | Номинальное рабочее напряжение (Un) | ~230 В / 50 Гц |
| 2 | Максимальное длительное рабочее напряжение (Uc) | ~275 В / 50 Гц |
| 3 | Классификационное напряжение при 1мА, не более | ~473 В / 50 Гц |
| 4 | Номинальный разрядный ток при tимп. 8/20мкс (In) | 20 кА |
| 5 | Максимальный разрядный ток при tимп. 8/20мкс (Imax) | 40 кА |
| 6 | Уровень напряжения защиты при In, (Up), не более | 1,5 кB |
| 7 | Время срабатывания, менее | 25 нсек |
| 8 | Сечение подключаемых проводов, мм2 – жесткий одножильный – гибкий многожильный | 2,5÷35 мм2 2,5÷16 мм2 |
| 9 | Диапазон рабочих температур | -55…+80 °С |
| 10 | Габаритные размеры, (ДхВхШ) | 92 х 63 х 54 мм |
| 11 | Вес в упаковке | 280 г |

| 1 | УЗП2-220/L-PEN/20 | 3 шт. |
| 3 | Шина cоединительная 3PE | 1 шт. |
| 4 | Паспорт | 1 шт. |
| 5 | Упаковочная тара | 1 шт. |

ВНИМАНИЕ:
При подключении УЗП2-220К/3L-PEN/20 необходимо убедиться, что в каждом фазном проводе на распределительном щите имеется токовый предохранитель класса gG с номиналом не более 125А (F1). Если F1>125А, необходимо установить токовый предохранитель класса gG F2≤125А.
Значение тока предохранителей F1 и F2 в зависимости от сечения проводов S1 и S2:
| F1, A gG | S1, мм2 | S2, мм2 | F2, A gG |
| 25 35 40 50 63 80 100 125 >125 | 4 4 4 6 10 10 16 16 16 | 6 6 6 6 10 10 16 16 16 | - - - - - - - - 125 |
При срабатывании сигнализации контакт НР – замыкается, а контакт НЗ – размыкается.
ДОСТАВКА
Вы можете выбрать любой наиболее удобный способ из перечисленных ниже:
Доставка до терминала ТК «Деловые линии» осуществляется нами бесплатно.
ОПЛАТА
Мы принимаем оплату:
Цены на поставляемые нами товар всегда ниже, чем у наших конкурентов.
Условия гарантийного обслуживания
Гарантия не распространяется на ущерб, причиненный другому оборудованию, работающему вместе с данным изделием.
Центр измерительной техники «Эталонприбор» располагает своим собственным ремонтным сервисом, где Вы можете получить услуги по: ремонту, наладке, калибровке, гарантийному и послегарантийному обслуживанию измерительного оборудования, как приобретенного у нас, так и у других поставщиков. Сервис работает на основе лицензии, выданной Ростехрегулированием РФ.
