Искровой электрод "МК 1443.04.00.630-2" используется для поджигания газового топлива в газовом оборудовании.
Процесс розжига осуществляется искровым перекрытием высокого напряжения.
Центральный электрод может в минимально необходимой степени попадать в пламя.
Используется в блоке электродов розжига и контроля пламени код 1443-630.
Состав

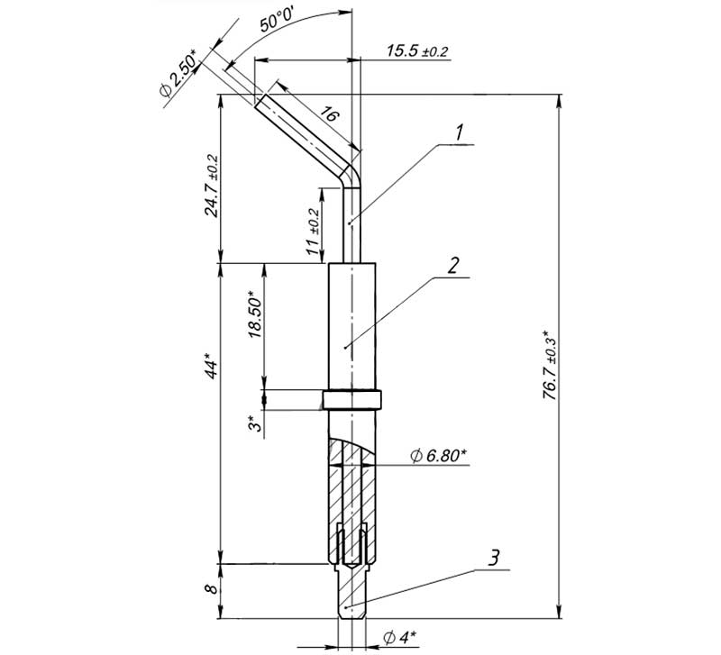
Конструктивная схема электрода
ДОСТАВКА
Вы можете выбрать любой наиболее удобный способ из перечисленных ниже:
Доставка до терминала ТК «Деловые линии» осуществляется нами бесплатно.
ОПЛАТА
Мы принимаем оплату:
Цены на поставляемые нами товар всегда ниже, чем у наших конкурентов.
Условия гарантийного обслуживания
Гарантия не распространяется на ущерб, причиненный другому оборудованию, работающему вместе с данным изделием.
Центр измерительной техники «Эталонприбор» располагает своим собственным ремонтным сервисом, где Вы можете получить услуги по: ремонту, наладке, калибровке, гарантийному и послегарантийному обслуживанию измерительного оборудования, как приобретенного у нас, так и у других поставщиков. Сервис работает на основе лицензии, выданной Ростехрегулированием РФ.
