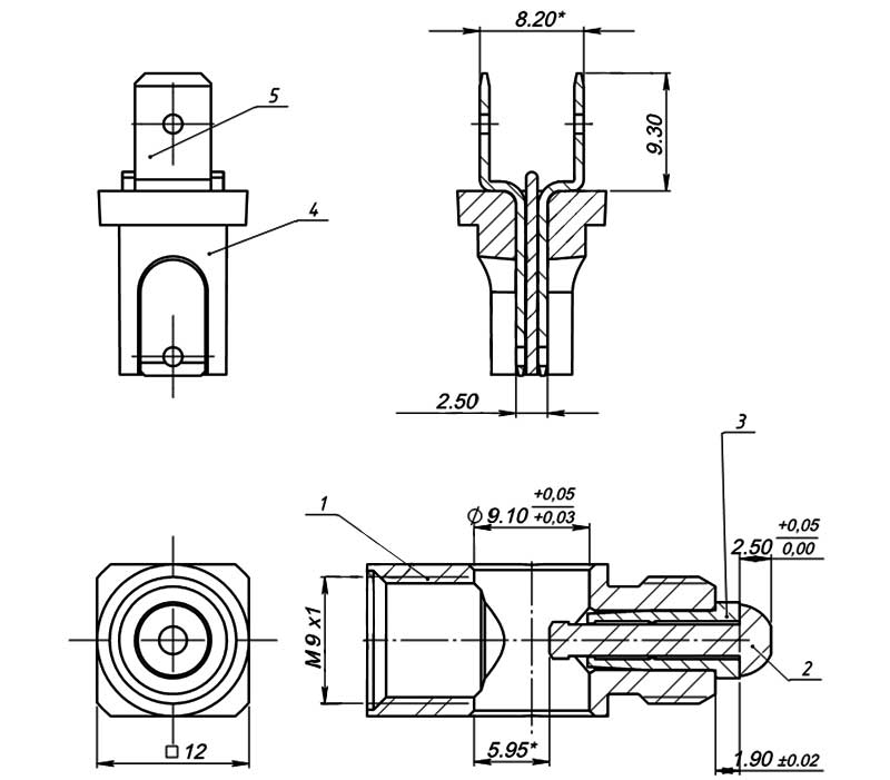
Термопрерыватель М9х1 (interrupted connector) используется в паре с датчиком тяги в дымоходных котлах.
Служит как посредник электрической цепи термопара-датчик тяги- магнитный клапан.
Резьба подсоединения к магнитному клапану - М9х1. Контакты 2 шт. плоские.
Термопрерыватель состоит из 2 частей:
Аналог SIT 0.974.402.

Конструктивная схема термопрерывателя
ДОСТАВКА
Вы можете выбрать любой наиболее удобный способ из перечисленных ниже:
Доставка до терминала ТК «Деловые линии» осуществляется нами бесплатно.
ОПЛАТА
Мы принимаем оплату:
Цены на поставляемые нами товар всегда ниже, чем у наших конкурентов.
Условия гарантийного обслуживания
Гарантия не распространяется на ущерб, причиненный другому оборудованию, работающему вместе с данным изделием.
Центр измерительной техники «Эталонприбор» располагает своим собственным ремонтным сервисом, где Вы можете получить услуги по: ремонту, наладке, калибровке, гарантийному и послегарантийному обслуживанию измерительного оборудования, как приобретенного у нас, так и у других поставщиков. Сервис работает на основе лицензии, выданной Ростехрегулированием РФ.
