• OIML C3 (OIML R60)
• NTEP III 5,000S (Handbook 44)
• Допускает внецентренное нагружение (OIML R76)
• IP 65
Алюминиевый сплав
4-х жильный в ПВХ оплетке
400 x 400 mm (поперек, вдоль датчика)
Класс точности | D3 | C3,A5 |
Номинальная нагрузка, kgf | 5, 10, 12, 20, 30, 50, 75, 100 | |
РКП номинальный, мВ/В | 2.0±0.2 | |
Нулевой сигнал мВ/В | 0±0.1 | |
Общая ошибка, % | 0.03 | 0.02 |
Повторяемость, % | 0.01 | 0.01 |
Ползучесть (30 мин), % | 0.03 | 0.017 |
Температурный дрейф нуля, %/10°C | 0.028 | 0.014 |
Температурный дрейф сигнала, %/10°C | 0.014 | 0.011 |
Напряжение питания номинальное, В | 10 | |
Напряжение питания максимальное, В | 15 | |
Сопротивление входное, Ом | 420±20 | |
Сопротивление выходное, Ом | 350±3.5 | |
Сопротивление изоляции, МОм | >2,000 | |
Температурный диапазон с компенсацией температурного дрейфа, °C | -10 to + 40 | |
Эксплуатационный температурный диапазон, °C | -20 to + 70 | |
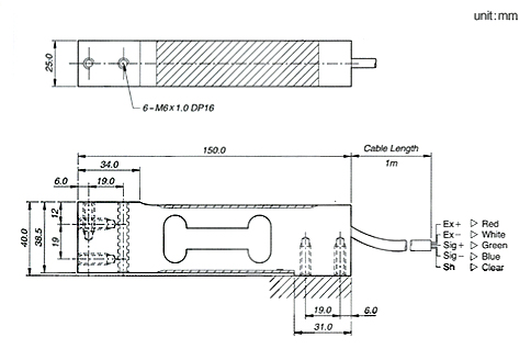
Размеры

ДОСТАВКА
Вы можете выбрать любой наиболее удобный способ из перечисленных ниже:
Доставка до терминала ТК «Деловые линии» осуществляется нами бесплатно.
ОПЛАТА
Мы принимаем оплату:
Цены на поставляемые нами товар всегда ниже, чем у наших конкурентов.
Условия гарантийного обслуживания
Гарантия не распространяется на ущерб, причиненный другому оборудованию, работающему вместе с данным изделием.
Центр измерительной техники «Эталонприбор» располагает своим собственным ремонтным сервисом, где Вы можете получить услуги по: ремонту, наладке, калибровке, гарантийному и послегарантийному обслуживанию измерительного оборудования, как приобретенного у нас, так и у других поставщиков. Сервис работает на основе лицензии, выданной Ростехрегулированием РФ.
