Аксиально-поршневой насос МНАПЭСЛ 140/20 применяется для нагнетания рабочей жидкости в гидравлические системы, требующие регулируемую подачу и реверс потока.
Структура условного обозначения насоса - МНАПЭСЛ 140/20:

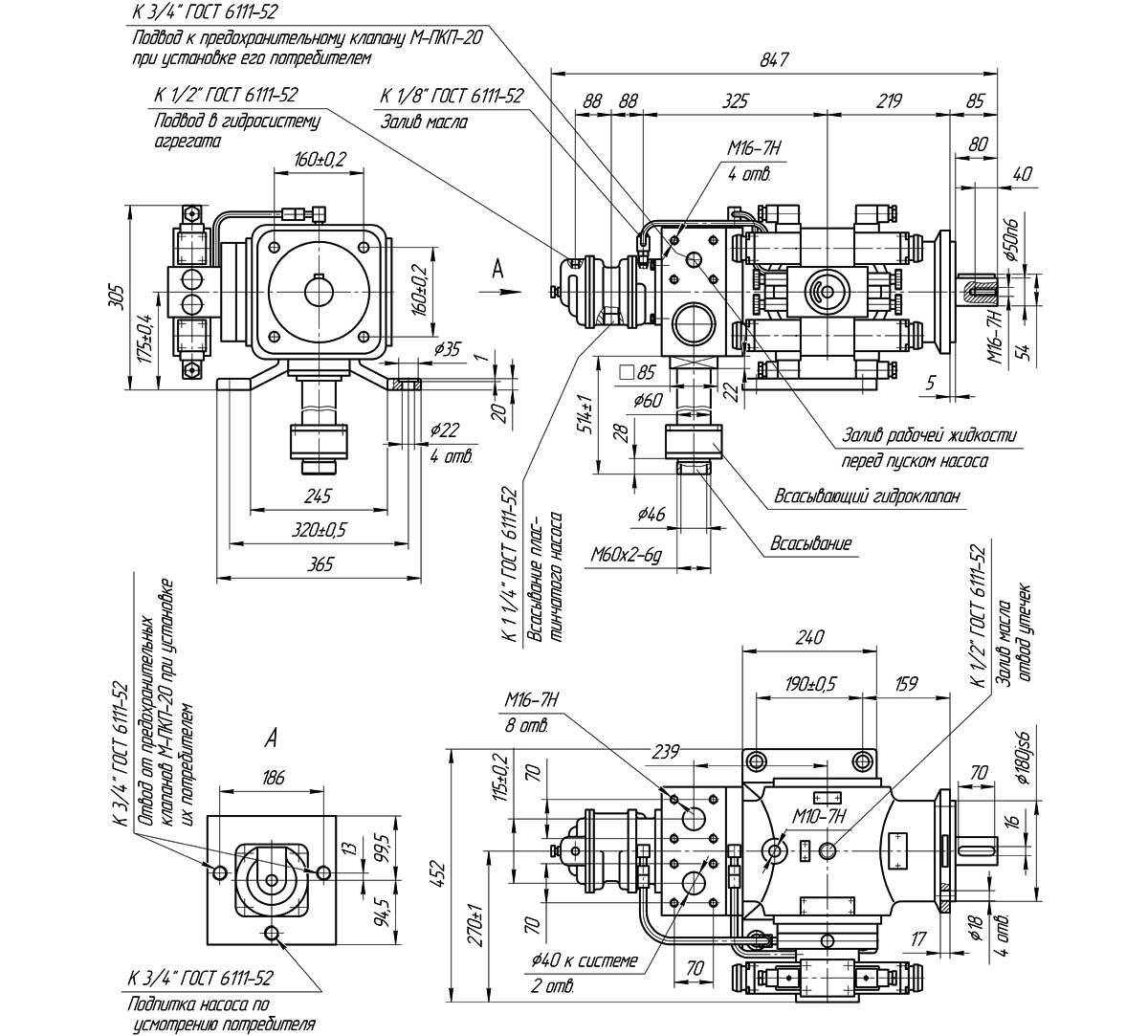
Конструктивная схема насоса
Номинальный рабочий объем, см3, не менее | 140 |
Подача номинальная, дм3/с, (л/мин) | 3,3 (200) |
Давление на входе, МПа, не менее: номинальное максимальное |
0,085 5,0 |
Давление на выходе, МПа, не менее: номинальное максимальное |
20 25 |
Частота вращения, с-1, (об/мин): номинальная минимальная максимальная |
25,0 (1500) 16,0 (960) 25,0 (1500) |
КПД, не менее | 0,85 |
Масса (без рабочей жидкости), кг | 165 |
ДОСТАВКА
Вы можете выбрать любой наиболее удобный способ из перечисленных ниже:
Доставка до терминала ТК «Деловые линии» осуществляется нами бесплатно.
ОПЛАТА
Мы принимаем оплату:
Цены на поставляемые нами товар всегда ниже, чем у наших конкурентов.
Условия гарантийного обслуживания
Гарантия не распространяется на ущерб, причиненный другому оборудованию, работающему вместе с данным изделием.
Центр измерительной техники «Эталонприбор» располагает своим собственным ремонтным сервисом, где Вы можете получить услуги по: ремонту, наладке, калибровке, гарантийному и послегарантийному обслуживанию измерительного оборудования, как приобретенного у нас, так и у других поставщиков. Сервис работает на основе лицензии, выданной Ростехрегулированием РФ.
