Антивибрационная вставка фланцевая ZETKAMA 700 предназначена для компенсации линейного расширения трубы, угловых сбоев, а также для виброизоляций давления и виброизоляций от насосов.
Антивибрационная вставка работает с питьевой и горячей водой, а также конденсатами.
Материал корпуса | EPDM | |
Номинальное давление, МПа | 1,6 | 1,0 |
Номинальный диаметр, мм | 32-300 (DN) | 350-600 (DN) |
Максимальная температура, °C | 90 | |

Схема - конструкция антивибрационной вставки
| Наименование | Материал | |
| 1 Корпус | EPDM | |
| 2 Фланец | гальванизированная углеродистая сталь | |
| 3 Защитное кольцо | углеродистая сталь | |
| 4 Синтетическая прошивка | нейлон | |

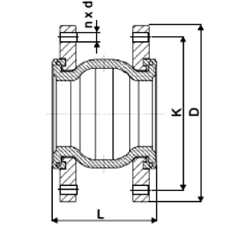
Схема - габаритные размеры антивибрационной вставки
| DN | D | L | K | n d | Масса |
| мм | кг | ||||
| 32 | 140 | 93 | 100 | 4 18 | 2,80 |
| 40 | 150 | 93 | 110 | 4 18 | 3,80 |
| 50 | 165 | 99 | 125 | 4 18 | 4,20 |
| 65 | 185 | 108 | 145 | 4 18 | 4,80 |
| 80 | 200 | 116 | 160 | 8 18 | 6,20 |
| 100 | 220 | 129 | 180 | 8 18 | 7,20 |
| 125 | 250 | 142 | 210 | 8 18 | 9,30 |
| 150 | 285 | 156 | 240 | 8 22 | 11,70 |
| 200 | 340 | 177 | 295 | 12 22 | 16,80 |
| 250 | 405 | 206 | 355 | 12 26 | 20,60 |
| 300 | 460 | 217 | 410 | 12 26 | 25,80 |
| 350 | 505 | 266 | 460 | 16 22 | 39,20 |
| 400 | 565 | 266 | 515 | 16 26 | 49,80 |
| 450 | 615 | 200 | 565 | 20 26 | 52,00 |
| 500 | 670 | 200 | 620 | 20 26 | 62,80 |
| 600 | 780 | 250 | 720 | 20 30 | 82,50 |
| DN | осевое сжатие | осевое растяжение | поперечное смещение | угловое смещение |
| мм | ± мм | ± мм | ||
| 32 | 8 | 4 | 8 | 15 |
| 40 | 8 | 4 | 8 | 15 |
| 50 | 8 | 4 | 8 | 15 |
| 65 | 12 | 6 | 10 | 15 |
| 80 | 12 | 6 | 10 | 15 |
| 100 | 12 | 10 | 12 | 15 |
| 125 | 16 | 10 | 12 | 15 |
| 150 | 16 | 10 | 12 | 15 |
| 200 | 20 | 14 | 18 | 15 |
| 250 | 20 | 14 | 18 | 15 |
| 300 | 20 | 14 | 18 | 15 |
| 350 | 25 | 16 | 18 | 15 |
| 400 | 25 | 16 | 18 | 15 |
| 450 | 20 | 12 | 18 | 15 |
| 500 | 20 | 12 | 18 | 15 |
| 600 | 20 | 12 | 18 | 15 |
ДОСТАВКА
Вы можете выбрать любой наиболее удобный способ из перечисленных ниже:
Доставка до терминала ТК «Деловые линии» осуществляется нами бесплатно.
ОПЛАТА
Мы принимаем оплату:
Цены на поставляемые нами товар всегда ниже, чем у наших конкурентов.
Условия гарантийного обслуживания
Гарантия не распространяется на ущерб, причиненный другому оборудованию, работающему вместе с данным изделием.
Центр измерительной техники «Эталонприбор» располагает своим собственным ремонтным сервисом, где Вы можете получить услуги по: ремонту, наладке, калибровке, гарантийному и послегарантийному обслуживанию измерительного оборудования, как приобретенного у нас, так и у других поставщиков. Сервис работает на основе лицензии, выданной Ростехрегулированием РФ.
