Новый прибор ОВЕН БКК1 линейки сигнализаторов уровня САУ, четырехканальный аналог САУ-М6 в DIN-реечном исполнении.
Предназначен для отслеживания четырех уровней токопроводящей жидкости. Может использоваться как самостоятельное изделие для управления исполнительными механизмами, либо как устройство согласования кондуктометрических датчиков с ОВЕН ПЛК (или контроллерами других производителей).
Прибор выпускается в корпусе с креплением на DIN-рейку типа Д3.
Характеристика | БКК1-24 | БКК1-220 |
Напряжение питания прибора | 14…36 В пост. тока | 90…264 В 47...63 Гц |
Потребляемая мощность | не более 1 Вт | не более 4 ВА |
Количество каналов контроля уровня | 4 | |
Напряжение питания датчиков уровня | не более 10 В перем. тока 1,5...2,5 Гц | |
Тип дискретного выхода | 4 транзисторных двунаправленных ключа | 4 э/м реле, нормально разомкнутый контакт |
Допустимая нагрузка выхода | 50 мА пост. тока 36 В | 2 А перем. тока 240 В |
Тип корпуса | на DIN-рейку 35 мм Д3 | |
Габаритные размеры корпуса | 54×95×57 мм | |
Степень защиты корпуса | IP20 | |
Температура окружающего воздуха | –25...+70 °С | –10...+50 °С |
Относительная влажность воздуха (при 25 °С и ниже без конденсации влаги) | не более 80 % | |
Атмосферное давление | 84...106,7 кПа | |

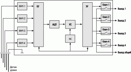
Контроль уровня осуществляется при помощи 5-ти электродного кондуктометрического датчика, четыре сигнальных электрода которого расположены в резервуаре на заданных по условиям технологического процесса отметках: уровень 1, уровень 2, уровень 3, уровень 4– и подключаются ко входам прибора 1–4. Питание датчика уровня осуществляется переменным напряжением.
Датчик уровня подключается к входным фильтрам низких частот (ФНЧ1...ФНЧ4). Далее через коммутационное устройство (КУ) сигнал поступает на аналого-цифровой преобразователь (АЦП). В устройстве сравнения (УС) происходит сравнение уровня оцифрованного сигнала датчика со значением уставки опорного напряжения (ОН). Значение уставки опорного напряжения выбирается DIP-переключателем установки порога срабатывания. Устройство управления (УУ) выполняет функцию выбора канала измерения датчика уровня и управления соответствующим выходным ключом (Ключ 1...Ключ 4). Срабатывание выходного ключа происходит при контакте соответствующего сигнального электрода с жидкостью, одновременно засвечивается соответствующий светодиод «Уровень».
Для коммутации нагрузки и связи с внешними устройствами блок оснащен:

Выходное реле срабатывает при затоплении соответствующего электрода (переводится в состояние «включено»)
![]() | СЕТЬ | Наличие питания на приборе |
УРОВЕНЬ 1 | Затопление электрода «Уровень 1» | |
УРОВЕНЬ 2 | Затопление электрода «Уровень 2» | |
УРОВЕНЬ 3 | Затопление электрода «Уровень 3» | |
УРОВЕНЬ 4 | Затопление электрода «Уровень 4» |
Порог включения и отключения выходных элементов определяется положением DIP-переключателей установки порога срабатывания
№ | Вид | Порог включения выходных элементов | Порог отключения выходных элементов |
1 | ![]() | < 900 Ом | > 2,4 кОм |
2 | ![]() | < 9 кОм | > 24 кОм |
3 | ![]() | < 90 кОм | > 240 кОм |
4 | ![]() | < 430 кОм | > 850 кОм |
Примечание: «Белые квадраты» - положение переключателей.


ДОСТАВКА
Вы можете выбрать любой наиболее удобный способ из перечисленных ниже:
Доставка до терминала ТК «Деловые линии» осуществляется нами бесплатно.
ОПЛАТА
Мы принимаем оплату:
Цены на поставляемые нами товар всегда ниже, чем у наших конкурентов.
Условия гарантийного обслуживания
Гарантия не распространяется на ущерб, причиненный другому оборудованию, работающему вместе с данным изделием.
Центр измерительной техники «Эталонприбор» располагает своим собственным ремонтным сервисом, где Вы можете получить услуги по: ремонту, наладке, калибровке, гарантийному и послегарантийному обслуживанию измерительного оборудования, как приобретенного у нас, так и у других поставщиков. Сервис работает на основе лицензии, выданной Ростехрегулированием РФ.
