по РФ бесплатно
пн-пт 9:00-18:00
пн-пт 9:00-18:00
по РФ бесплатно
Ваш город
Нет
Да
КОНТАКТНАЯ ИНФОРМАЦИЯ
Телефоны:8 (800) 777-30-09 (по РФ бесплатно), 8 (495) 748-30-09, 748-30-60, 664-28-44.
Адрес:141006, Московская обл., г. Мытищи, Олимпийский пр-т, д. 29, стр. 2, офис 43/1.
УВАЖАЕМЫЕ КЛИЕНТЫ!
Цены на сайте могут отличаться, просьба уточнять конечную стоимость у наших менеджеров!
TMM-540


БКК1 4-уровневый сигнализатор жидкости на DIN рейку

Цена:
7 015
Общая стоимость 0 руб.
В корзину
Купить в 1 клик
Нашли дешевле?
Снизим цену!
В избранное
Стоимость доставки от 800 ₽ (уточнять у менеджера)
Срок доставки: 2 - 10 дней при наличии товара на складе
Бесплатная доставка от 50000₽
Безналичный расчет для юридических лиц
Самовывоз со склада компании ЭТАЛОНПРИБОР
Более 350 брендов
Самые лучшие
цены
Техническая
документация
Быстрая доставка
по России
Сервисный
центр
  • Описание
  • Доставка и оплата
  • Гарантия и возврат
  • Отзывы
  • Сервис
Описание

Новый прибор ОВЕН БКК1 линейки сигнализаторов уровня САУ, четырехканальный аналог САУ-М6 в DIN-реечном исполнении.

Предназначен для отслеживания четырех уровней токопроводящей жидкости. Может использоваться как самостоятельное изделие для управления исполнительными механизмами, либо как устройство согласования кондуктометрических датчиков с ОВЕН ПЛК (или контроллерами других производителей).

Прибор выпускается в корпусе с креплением на DIN-рейку типа Д3.

  • Четыре независимых канала контроля уровня жидкости в резервуаре
  • Повышенная помехоустойчивость и надежность благодаря использованию новой цифровой схемотехники
  • Исполнение на din-рейку (размещение внутри щита)
  • Два варианта питания =24 В или ~220 В
  • Работа с различными по электропроводности жидкостями: кислотами, щелочами, слабыми растворами солей, водой водопроводной, технической, очищенной и др.
  • Простая настройка без демонтажа прибора

Основные технические характеристики

Характеристика

БКК1-24

БКК1-220

Напряжение питания прибора

14…36 В пост. тока
(номинальное 24 В)

90…264 В 47...63 Гц
(номинальное 220 В)

Потребляемая мощность

не более 1 Вт

не более 4 ВА

Количество каналов контроля уровня

4

Напряжение питания датчиков уровня

не более 10 В перем. тока 1,5...2,5 Гц

Тип дискретного выхода

4 транзисторных двунаправленных ключа

4 э/м реле, нормально разомкнутый контакт

Допустимая нагрузка выхода

50 мА пост. тока 36 В

2 А перем. тока 240 В

Тип корпуса

на DIN-рейку 35 мм Д3

Габаритные размеры корпуса

54×95×57 мм

Степень защиты корпуса

IP20

Температура окружающего воздуха

–25...+70 °С

–10...+50 °С

Относительная влажность воздуха (при 25 °С и ниже без конденсации влаги)

не более 80 %

Атмосферное давление

84...106,7 кПа

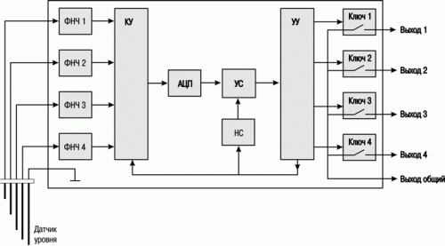
Функциональная схема

Функциональная схема БКК1

Кондуктометрические датчики уровня жидкости

Контроль уровня осуществляется при помощи 5-ти электродного кондуктометрического датчика, четыре сигнальных электрода которого расположены в резервуаре на заданных по условиям технологического процесса отметках: уровень 1, уровень 2, уровень 3, уровень 4– и подключаются ко входам прибора 1–4. Питание датчика уровня осуществляется переменным напряжением.

Четыре канала контроля уровня

Датчик уровня подключается к входным фильтрам низких частот (ФНЧ1...ФНЧ4). Далее через коммутационное устройство (КУ) сигнал поступает на аналого-цифровой преобразователь (АЦП). В устройстве сравнения (УС) происходит сравнение уровня оцифрованного сигнала датчика со значением уставки опорного напряжения (ОН). Значение уставки опорного напряжения выбирается DIP-переключателем установки порога срабатывания. Устройство управления (УУ) выполняет функцию выбора канала измерения датчика уровня и управления соответствующим выходным ключом (Ключ 1...Ключ 4). Срабатывание выходного ключа происходит при контакте соответствующего сигнального электрода с жидкостью, одновременно засвечивается соответствующий светодиод «Уровень».

Выходные устройства (ключи)

Для коммутации нагрузки и связи с внешними устройствами блок оснащен:

  • БКК1-24 – четырьмя гальванически развязанными транзисторными двунаправленными ключами;
  • БКК1-220 – четырьмя э/м реле.

Пример временной диаграммы работы выходного ключа (реле)

Пример временной диаграммы работы выходного ключа (реле) БКК1

Выходное реле срабатывает при затоплении соответствующего электрода (переводится в состояние «включено»)

Элементы управления

Показания светодиодных индикаторов на лицевой панели

СЕТЬ

Наличие питания на приборе

УРОВЕНЬ 1

Затопление электрода «Уровень 1»

УРОВЕНЬ 2

Затопление электрода «Уровень 2»

УРОВЕНЬ 3

Затопление электрода «Уровень 3»

УРОВЕНЬ 4

Затопление электрода «Уровень 4»

Порог включения и отключения выходных элементов

Порог включения и отключения выходных элементов определяется положением DIP-переключателей установки порога срабатывания

Вид

Порог включения выходных элементов

Порог отключения выходных элементов

1

Элементы управления

< 900 Ом

> 2,4 кОм

2

Элементы управления

< 9 кОм

> 24 кОм

3

Элементы управления

< 90 кОм

> 240 кОм

4

Элементы управления

< 430 кОм

> 850 кОм

Примечание: «Белые квадраты» - положение переключателей.

Схемы подключения

Схема подключения БКК1-24
Схема подключения БКК1-220

Комплект поставки

  1. Прибор БКК1
  2. Паспорт и гарантийный талон
  3. Руководство по эксплуатации
Развернуть полное описание
Доставка и оплата

ДОСТАВКА

Вы можете выбрать любой наиболее удобный способ из перечисленных ниже:

  • Самовывоз со склада компании ЭТАЛОНПРИБОР
  • Доставка через транспортную компанию "Деловые линии"
  • Доставка экспресс - почтой "ПОНИ-ЭКСПРЕСС" до двери
  • Доставка по Москве и области нашими экспедиторами и курьерами
  • Доставка через транспортную компанию "ПЭК"
  • Отправка посылкой с помощью Почты России
  • Доставка через транспортную компанию покупателя

Доставка до терминала ТК «Деловые линии» осуществляется нами бесплатно.

ОПЛАТА

Мы принимаем оплату:

  • по безналичному расчету
  • перечислением денежных средств на расчетный счет для юридических лиц
  • банковским переводом для физических.

Цены на поставляемые нами товар всегда ниже, чем у наших конкурентов.

Гарантия и возврат

Условия гарантийного обслуживания

  1. Гарантия действительна только при наличии гарантийного талона с указанием заводского номера изделия, гарантийного срока и печати поставщика.
  2. Гарантия предусматривает бесплатный ремонт изделия или замену запасных частей, комплектующих в течении гарантийного срока, указанного в гарантийном талоне.
  3. Заводской номер и наименование изделия должны соответствовать указанным в гарантийном талоне.
  4. Изделие снимается с гарантийного обслуживания в следующих случаях:
    1. Нарушения условий эксплуатации, изложенных в технической документации изделия, которые привели к выходу изделия из строя, включая неисправности, вызванные использованием нештатных аксессуаров;
    2. Нарушения гарантийных пломб, в случае наличия следов вскрытия или взлома корпуса изделия;
    3. Ремонта в неуполномоченном сервисном центре или самостоятельно (кроме элементов и источников питания, замена которых предусмотрена производителем);
    4. Использования изделия не по назначению;
    5. Нарушения правил хранения и транспортирования;
    6. Наличия внешних механических повреждений, включая повреждения разъёмов и контактов;
    7. Наличия внешних повреждений, вызванных стихией, пожаром, молнией, высоким напряжением;
    8. Попадания внутрь влаги, инородных предметов и т.п.
    9. Неправильном включении в сеть.
  5. Гарантия не распространяется на расходные материалы и прочие детали, имеющие ограниченный срок службы: элементы питания (в т.ч. аккумуляторы), имеющие ограниченную прочность.
  6. Недополученная в связи с появлением неисправности прибыль и другие косвенные расходы не подлежат возмещению.

Гарантия не распространяется на ущерб, причиненный другому оборудованию, работающему вместе с данным изделием.

Отзывы
Отзывы о товаре БКК1 4-уровневый сигнализатор жидкости на DIN рейку
Сервис

Центр измерительной техники «Эталонприбор» располагает своим собственным ремонтным сервисом, где Вы можете получить услуги по: ремонту, наладке, калибровке, гарантийному и послегарантийному обслуживанию измерительного оборудования, как приобретенного у нас, так и у других поставщиков. Сервис работает на основе лицензии, выданной Ростехрегулированием РФ.

 
Подробнее
 
Сервисное обслуживание
Простой обмен и возврат
Поможем решить любую проблему с товаром
Собственный сервисный центр
Устраним любую неисправность по гарантии. Срок указан без учета логистики
Сервисы по всей России
Обращайтесь за обслуживанием в авторизованные сервисы производителя
Похожие товары
 
Полезные статьи
При выборе манометра необходимо учитывать ряд важных факторов, чтобы прибор подходил для конкретной системы.
Уровень влажности в помещении играет важную роль в формировании оптимальных условий для комфортного пребывания. Для определения этого параметра используются устройства, называемые гигрометрами. В этой статье мы расскажем, как выбрать подходящее оборудование такого типа для различных объектов.
Осциллограф — это прибор для наблюдения, измерения, записи и анализа амплитудных и временных характеристик электрического сигнала. Подаваемый на вход устройства, он отображается либо на экране, либо фиксируется на фотоленте для последующего изучения.
Если вы задумались о приобретении мультиметра, важно заранее ознакомиться с рядом полезных рекомендаций, которые помогут сделать правильный выбор. Мы подготовили небольшую статью, которая, надеемся, окажется полезной.
Цифровой тахометр — это прибор, предназначенный для измерения частоты вращения различных объектов, таких как валы, двигатели и роторы. В отличие от аналоговых моделей, цифровые тахометры обеспечивают высокую точность измерений и удобство использования благодаря современным технологиям и информативному дисплею. Они широко используются в самых разных отраслях: от автомобильного сервиса и промышленности до научных исследований и контроля вентиляционных систем.
Мегаомметр – это специализированный прибор, предназначенный для измерения сопротивления изоляции электрических цепей и оборудования. В условиях современного мира, где электричество играет ключевую роль во всех сферах жизни, обеспечение безопасности и надежности электрических систем становится особенно важным. От качества изоляции проводников и оборудования зависит не только эффективность их работы, но и безопасность людей и объектов, которые они обслуживают.
Измерительные приборы играют ключевую роль в различных отраслях, начиная от промышленности и строительства, заканчивая медициной и научными исследованиями. Правильная эксплуатация и уход за этими приборами являются залогом точных измерений и долговечности оборудования.
Осциллографы играют ключевую роль в современных лабораториях и на производственных предприятиях, являясь незаменимым инструментом для анализа и визуализации электрических сигналов. Независимо от того, являетесь ли вы инженером-электронщиком, студентом технического вуза или энтузиастом электроники, понимание принципов работы осциллографов, их видов и характеристик, а также правил эксплуатации и ухода за ними, имеет первостепенное значение.
Амперметр предназначен для измерения величины тока в электрических цепях, выраженной в амперах. В основе его работы лежит простой принцип: инструмент позволяет наглядно увидеть мощность тока, потребляемого устройствами, подключенными к сети. Обычно амперметр подключают в цепь с нагрузкой, поэтому ток, протекающий через него, идентичен току, проходящему через любой другой элемент цепи, будь то нагреватель, мотор или лампочка.
На этапах возведения, отделки и монтажа различных сооружений большую роль играют точность разметки и идеальное выравнивание. Достижение профессиональных стандартов качества возможно при использовании лазерного нивелира. Для выбора подходящей модели целесообразно ознакомиться с механизмом работы этих устройств.
Новинки
Недавно просмотренные