Блок клапанов БКП 10/1-9Т без обратного клапана предназначен для пропускания рабочей жидкости только после достижения настроенного давления.
Структура условного обозначения блока клапанов - БКП 10/1-9Т УХЛ 1:

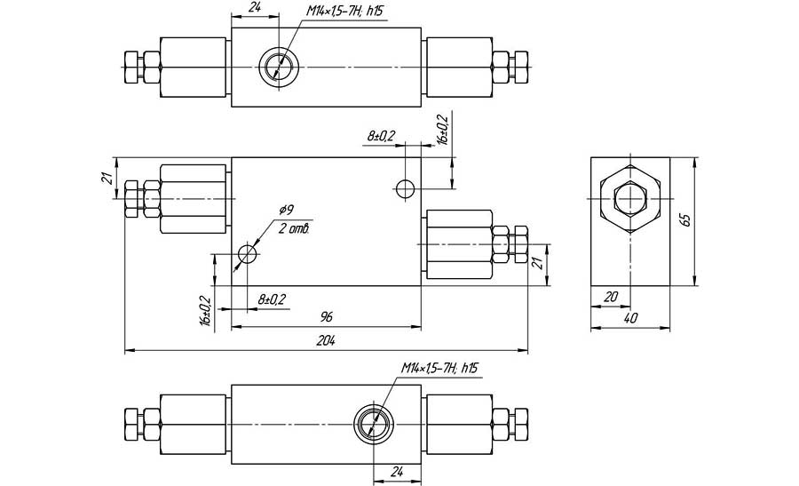
Конструктивная схема блока клапанов
Условный проход, мм | 10 |
Давление на входе, МПа | 20 |
Диапазон регулирования давления настройки, МПа | 0-10 |
Расход рабочей жидкости, л/мин | 60 |
Внутренняя герметичность, см3/мин, не более | 200 |
Масса (без рабочей жидкости), кг | 2,1 |
Аналог | КС4574 84.570-06 |
ДОСТАВКА
Вы можете выбрать любой наиболее удобный способ из перечисленных ниже:
Доставка до терминала ТК «Деловые линии» осуществляется нами бесплатно.
ОПЛАТА
Мы принимаем оплату:
Цены на поставляемые нами товар всегда ниже, чем у наших конкурентов.
Условия гарантийного обслуживания
Гарантия не распространяется на ущерб, причиненный другому оборудованию, работающему вместе с данным изделием.
Центр измерительной техники «Эталонприбор» располагает своим собственным ремонтным сервисом, где Вы можете получить услуги по: ремонту, наладке, калибровке, гарантийному и послегарантийному обслуживанию измерительного оборудования, как приобретенного у нас, так и у других поставщиков. Сервис работает на основе лицензии, выданной Ростехрегулированием РФ.
