Блок клапанов распределительный СК 90002-004 предназначен для работы в качестве запорного устройства в системах контроля распределения сухого очищенного природного газа.
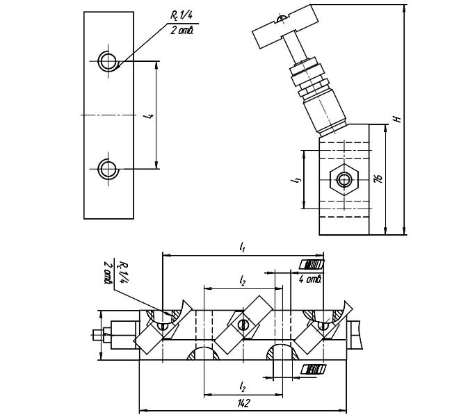
Присоединение блока СК 90002" - 004 на входе и выходе (дренаж) и выходе (рабочем) через отверстие R c 1"/4 ’.
Установочное положение на трубопроводе | любое |
DN | 4 мм |
PN | 12,5 МПа |
Рабочая среда | природный газ |
Температура рабочей среды | от -30 до +70 °C |
Материал корпусных деталей | сталь 20 или сталь 12Х18Н10Т |
Вид управления | ручной |
Масса | 4 кг |

Схема - габаритные размеры блока
L | 34 мм |
L1 | 110 мм |
L2 | 54 мм |
L3 | 40 мм |
L4 | 54 мм |
H | 160 мм |
ДОСТАВКА
Вы можете выбрать любой наиболее удобный способ из перечисленных ниже:
Доставка до терминала ТК «Деловые линии» осуществляется нами бесплатно.
ОПЛАТА
Мы принимаем оплату:
Цены на поставляемые нами товар всегда ниже, чем у наших конкурентов.
Условия гарантийного обслуживания
Гарантия не распространяется на ущерб, причиненный другому оборудованию, работающему вместе с данным изделием.
Центр измерительной техники «Эталонприбор» располагает своим собственным ремонтным сервисом, где Вы можете получить услуги по: ремонту, наладке, калибровке, гарантийному и послегарантийному обслуживанию измерительного оборудования, как приобретенного у нас, так и у других поставщиков. Сервис работает на основе лицензии, выданной Ростехрегулированием РФ.
