Блок управления пневмоприводной арматурой УФ 96557М-008.00.00 предназначен для управления быстродействующей отсечной пневматической приводной арматурой в системах атомных электростанций для перераспределения потока рабочей среды.
Блок применяется для замены пневматических распределителей с электромагнитным приводом и обратным клапаном на действующих атомных станциях.
| Параметр | Значение параметра |
| Тип привода | электрический магнит однопозиционный 60 ВА УФ098.264М.00.00 |
| Техническое условие | ТУ УЗ.22.14288275-070-2000 |
| Уплотнение в затворах | металл на резине |
| Режим работы электромагнита | повторно-кратковременный |
| Рабочая среда | воздух класса 7 с точкой росы не меньше -10°C. |
| Номинальный диаметр | 8 мм |
| Рабочее давление | 4,5 (±0,5) МПа |
| Давление расчетное | 5,5 МПа |
Пропуск среды в затворе:
| 10 см3/ч |
| Допускаемая негерметичность относительно внешней среды | 1,33 м3 x мкПа/с |
| Место установки | вне оболочки (в обслуживаемых помещениях) |
| Масса | 3,5 кг |
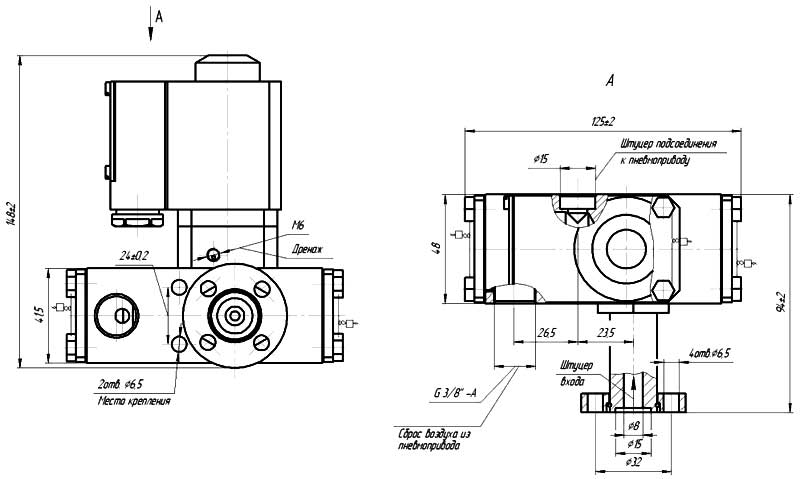
Блок управления УФ 96557М-008.00.00 подсоединяется к входному трубопроводу с фланцем двумя болтами диаметром 6,5 миллиметров.
К пневматическому приводу отсечной арматуры крепления осуществляется с помощью штуцера.
Электрическое соединение производится в полном соответствии с принципиальной схемой электрической, существующей на АЭС.

Схема - габаритные размеры
ДОСТАВКА
Вы можете выбрать любой наиболее удобный способ из перечисленных ниже:
Доставка до терминала ТК «Деловые линии» осуществляется нами бесплатно.
ОПЛАТА
Мы принимаем оплату:
Цены на поставляемые нами товар всегда ниже, чем у наших конкурентов.
Условия гарантийного обслуживания
Гарантия не распространяется на ущерб, причиненный другому оборудованию, работающему вместе с данным изделием.
Центр измерительной техники «Эталонприбор» располагает своим собственным ремонтным сервисом, где Вы можете получить услуги по: ремонту, наладке, калибровке, гарантийному и послегарантийному обслуживанию измерительного оборудования, как приобретенного у нас, так и у других поставщиков. Сервис работает на основе лицензии, выданной Ростехрегулированием РФ.
