Блоки питания ОВЕН БП02, БП04, БП07, БП14 предназначены для питания датчиков стабилизированным напряжением постоянного тока.
Максимальная выходная мощность: 2, 4, 7, 14 Вт. Каждый блок питания имеет модификации двух номиналов выходного напряжения: 24 и 36 В.
Блоки питания БП02, БП04, БП07, БП14 выпускаются в пластиковых корпусах с креплением на DIN-рейку.

Параметр | Значение |
| Входное напряжение: | |
– переменного тока | 90...264 В |
| – постоянного тока | 110...370 В |
Частота входного переменного напряжения | 47...63 Гц |
Выходное напряжение | 24 и 36 В |
Коррекция выходного напряжения | 22…26 В |
Нестабильность выходного напряжения при изменении напряжения питания | ±0,2 % |
Нестабильность выходного напряжения при изменении тока нагрузки от 0,1 Imax до Imax | ±0,25 % |
| Электрическая прочность изоляции: | |
– вход - выход (действующее значение) | 3 кВ |
| – вход - корпус (действующее значение) | 1,5 кВ |
Коэффициент полезного действия | Не менее 85% |
Степень защиты корпуса (со стороны передней панели) | IP20 |
Параметр | Значение |
Температура окружающего воздуха | –20...+50 °С |
Атмосферное давление | 86...106,7 кПа |
Относительная влажность воздуха (при +25 °С и ниже без конденсации влаги) | не более 80 % |
Модификация прибора | Количество каналов | Суммарная мощность, Вт | Мощность в канале, Вт | Выходное напряжение в канале, В | Макс. ток нагрузки в канале, А | Амплитуда пульсации выходного напряжения, мВ |
БП02Б-Д1-24 | 1 | 2,5 | 2,5 | 24±3 % | 0,1 | 120 |
БП04Б-Д2-24 | 1 | 4 | 4,0 | 24±2 % | 0,165 | 100 |
БП04Б-Д2-36 | 1 | 4 | 4,0 | 36±2 % | 0,110 | 100 |
БП07Б-Д3.2-24 | 2 | 7 | 3,5 | 24±0,48 % | 0,145 | 60 |
БП07Б-Д3.2-36 | 2 | 7 | 3,5 | 36±0,72 % | 0,095 | 60 |
БП14Б-Д4.2-24 | 2 | 14 | 7,0 | 24±0,48 % | 0,29 | 60 |
БП14Б-Д4.2-36 | 2 | 14 | 7,0 | 36±0,72 % | 0,19 | 60 |
БП14Б-Д4.4-24 | 4 | 14 | 3,5 | 24±0,48 % | 0,145 | 60 |
БП14Б-Д4.4-36 | 4 | 14 | 3,5 | 36±0,72 % | 0,095 | 60 |

При возникновении короткого замыкания блоки питания ОВЕН БП02, БП04, БП07, БП14 уходят в режим «отсечки» до восстановления.
При перегреве блоки питания ОВЕН БП02, БП04, БП07, БП14 уходят в режим «отсечки».

График снижения мощности ОВЕН БП02, БП04, БП07, БП14 в зависимости от температуры окружающей среды. Затемненная область на графике показывает область температур и нагрузок, в которых допускается эксплуатация блока питания.





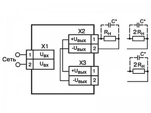
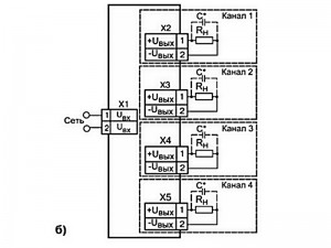
Примечание. При длине проводов между блоком и нагрузкой более 1 м и отсутствием на входе нагрузки входных конденсаторов рекомендуется параллельно нагрузке подключить керамический конденсатор емкостью не менее 0,1 мкФ и напряжением ≥1,5 Uвых применяемого блока.

ДОСТАВКА
Вы можете выбрать любой наиболее удобный способ из перечисленных ниже:
Доставка до терминала ТК «Деловые линии» осуществляется нами бесплатно.
ОПЛАТА
Мы принимаем оплату:
Цены на поставляемые нами товар всегда ниже, чем у наших конкурентов.
Условия гарантийного обслуживания
Гарантия не распространяется на ущерб, причиненный другому оборудованию, работающему вместе с данным изделием.
Центр измерительной техники «Эталонприбор» располагает своим собственным ремонтным сервисом, где Вы можете получить услуги по: ремонту, наладке, калибровке, гарантийному и послегарантийному обслуживанию измерительного оборудования, как приобретенного у нас, так и у других поставщиков. Сервис работает на основе лицензии, выданной Ростехрегулированием РФ.
