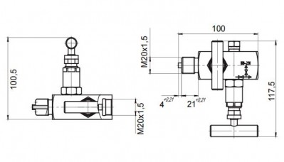
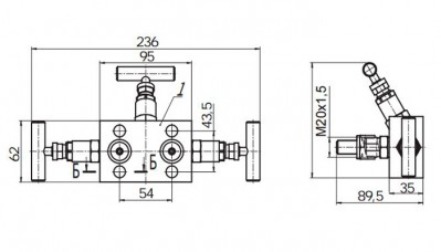
Блоки вентильные предназначены для подключения преобразователей давления ОВЕН ПД100 и ПД200 к технологической линии посредством импульсных трубок, отводов или напрямую в системах автоматического контроля, регулирования и управления технологическими процессами.
Используются в сборе с преобразователями давления. Блоки состоят из корпуса, запорного вентиля, который обеспечивает изоляцию преобразователя от технологического процесса, и дренажных вентилей, которые обеспечивают дренаж среды и упрощают замену преобразователя в условиях эксплуатации. Также трех- и пятивентильные блоки позволяют выравнивать давление в камерах преобразователя для калибровки нулевого значения выходного сигнала.
| Рабочая среда | жидкость, пар, газ |
| Давление рабочей среды | до 40 МПа |
| Температура рабочей среды | -40...+350 °С |
| Предельные значения температур окружающего воздуха при эксплуатации | -40…+85 °С |
| Присоединение к технологической линии | M20×1,5 манометрической формы |
| Присоединение к преобразователю | резьбовое соединение M20х1,5 или фланцевый монтаж на преобразователь с межосевым расстоянием 54 мм |
| Материал корпуса | нержавеющая сталь AISI 304S |
| Тип вентилей | игольчатый клапан с графитовым уплотнением |








ДОСТАВКА
Вы можете выбрать любой наиболее удобный способ из перечисленных ниже:
Доставка до терминала ТК «Деловые линии» осуществляется нами бесплатно.
ОПЛАТА
Мы принимаем оплату:
Цены на поставляемые нами товар всегда ниже, чем у наших конкурентов.
Условия гарантийного обслуживания
Гарантия не распространяется на ущерб, причиненный другому оборудованию, работающему вместе с данным изделием.
Центр измерительной техники «Эталонприбор» располагает своим собственным ремонтным сервисом, где Вы можете получить услуги по: ремонту, наладке, калибровке, гарантийному и послегарантийному обслуживанию измерительного оборудования, как приобретенного у нас, так и у других поставщиков. Сервис работает на основе лицензии, выданной Ростехрегулированием РФ.
