Дисковый затвор поворотный ДУ-200 предназначен для установки на трубопровод в качестве запорного или условно-регулирующего устройства.
Условный проход DN, мм | 200 |
Рабочее давление, МПа (кгс/см2) | 0,2 (2) |
Крутящий момент на приводе, наибольший, кгс*м | 12,5 |
длина | 335 |
ширина | 74 |
высота | 395 |
Масса, кг | 7 |
Дисковые затворы широко используются в энергетической отрасли.
Оптимальными условиями для использования затворов ДУ являются:
Дисковый затвор ДУ200 представляет собой задвижку, выполненную в форме диска, помещенную в цилиндрический корпус, который монтируется к трубопроводу при помощи фланцевого соединения.
Задвижка может поворачиваться вокруг своей оси, тем самым, обеспечивая изменение сечения трубопровода, вплоть до его полного перекрытия.
В полностью открытом состоянии затвор ДУ-200 располагается под прямым углом по отношению к направлению перекачиваемой среды.

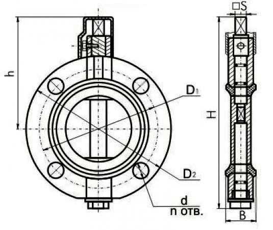
Схема - габаритные размеры затвора
h, мм | 220 |
D1, мм | 295 |
D2, мм | 335 |
d, мм | 23 |
H, мм | 395 |
S, мм | 27 |
B, мм | 74 |
n, шт | 8 |
ДОСТАВКА
Вы можете выбрать любой наиболее удобный способ из перечисленных ниже:
Доставка до терминала ТК «Деловые линии» осуществляется нами бесплатно.
ОПЛАТА
Мы принимаем оплату:
Цены на поставляемые нами товар всегда ниже, чем у наших конкурентов.
Условия гарантийного обслуживания
Гарантия не распространяется на ущерб, причиненный другому оборудованию, работающему вместе с данным изделием.
Центр измерительной техники «Эталонприбор» располагает своим собственным ремонтным сервисом, где Вы можете получить услуги по: ремонту, наладке, калибровке, гарантийному и послегарантийному обслуживанию измерительного оборудования, как приобретенного у нас, так и у других поставщиков. Сервис работает на основе лицензии, выданной Ростехрегулированием РФ.
