Энкодер OEW предназначен для преобразования линейного или углового перемещения в аналоговый или цифровой сигнал.

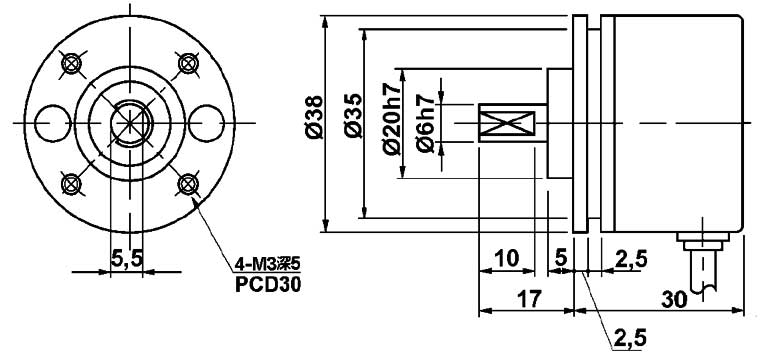
Схема - габаритные размеры энкодера
| Параметр | Значение |
| Напряжение питания | 12-24В DC ± 10 % (мах.10% пульс.) |
| Потребление тока | 60 мА |
| Выходы | push-pull NPN/PNP |
| Макс. нагрузка/выход | 20 мА |
| Максимальная частота | 100 кГц |
| Время нарастания импульса | 1 s |
| Источник света | LED |
| Диапазон температур | -10°C до +70°C |
| Кабель для подключения | экранированный 2 m |
| Максимальное количество импульсов | 2500 имп./oб. |
| Максимальная скорость вращения | 6000 об./мин. |
| Максимальная нагрузка на валу | |
| Осевая | 10 N |
| Радиальная | 20 N |
| Момент инерции | 3gcm2 |
| Масса | 100 грамм |
| степень защиты | IP50 |
| Материал корпуса | анодиров аллюминий |
| Диаметр оси | 6mm |
| Материл оси | сталь нержавеющая |
ДОСТАВКА
Вы можете выбрать любой наиболее удобный способ из перечисленных ниже:
Доставка до терминала ТК «Деловые линии» осуществляется нами бесплатно.
ОПЛАТА
Мы принимаем оплату:
Цены на поставляемые нами товар всегда ниже, чем у наших конкурентов.
Условия гарантийного обслуживания
Гарантия не распространяется на ущерб, причиненный другому оборудованию, работающему вместе с данным изделием.
Центр измерительной техники «Эталонприбор» располагает своим собственным ремонтным сервисом, где Вы можете получить услуги по: ремонту, наладке, калибровке, гарантийному и послегарантийному обслуживанию измерительного оборудования, как приобретенного у нас, так и у других поставщиков. Сервис работает на основе лицензии, выданной Ростехрегулированием РФ.
