Фильтр напорный сетчатый 3ФГМ 32-01 (ф/эл 80мкм) предназначен для очистки от механических примесей минеральных масел, кинематическая вязкость которых не более 200 мм2/с при температуре до 80С.
Диапазон температур окружающей среды от 1 до 40С.
Фильтры используются в машинах, где применяется гидропривод высокого давления и изготовляются с визуальным или электрическим индикатором загрязненности.
| Параметры | Значение |
| Номинальное давление, МПа | 32 |
| *Номинальная тонкость фильтрации, мкм | 80 |
| Условный проход, мм | 32 |
| * Номинальный расход, л/мин. | 250 |
| *Номинальный перепад давления, МПа не более | 0,16 |
| Перепад давления, МПа, при котором: | |
| - происходит срабатывания индикатора загрязненности | 0,3 ± 0,03 |
| - происходит открытие предохранительного клапана | 0,5 ± 0,1 |
| Масса (без жидкости), кг, не более | 16,5 |
| Примечание: * параметры указаны при вязкости масла 25-30 мм2/с | |

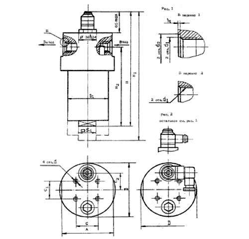
Схема - габаритные размеры фильтра
D, мм | 150 |
D1, мм | 125 |
H, мм | 400 |
H1, мм (не более) | 300 |
H1, мм (не менее) | 450 |
Amax, мм | 140 |
S-1, мм | 50 |
C, мм | 45 |
C1, мм | 40 |
C2, мм | 44 |
h1, мм | 2,5 |
d-7H, мм | М10 |
d1 метрическ. ГОСТ 24705-81 вариант 1, мм | М42x2-7Н |
d2, мм | 56 |
ДОСТАВКА
Вы можете выбрать любой наиболее удобный способ из перечисленных ниже:
Доставка до терминала ТК «Деловые линии» осуществляется нами бесплатно.
ОПЛАТА
Мы принимаем оплату:
Цены на поставляемые нами товар всегда ниже, чем у наших конкурентов.
Условия гарантийного обслуживания
Гарантия не распространяется на ущерб, причиненный другому оборудованию, работающему вместе с данным изделием.
Центр измерительной техники «Эталонприбор» располагает своим собственным ремонтным сервисом, где Вы можете получить услуги по: ремонту, наладке, калибровке, гарантийному и послегарантийному обслуживанию измерительного оборудования, как приобретенного у нас, так и у других поставщиков. Сервис работает на основе лицензии, выданной Ростехрегулированием РФ.
