Фильтр воздушный Сапун с заливной горловиной СЗГ3 предназначен для очистки от пыли воздуха, поступающего в пространство над уровнем рабочей жидкости в баках гидравлических систем, а также для предохранения от крупных механических примесей рабочих жидкостей, заливаемых в баки.
| Параметры | Значение |
| Номинальная тонкость фильтрации воздуха, мкм | 10;25 |
| Номинальный расход воздуха, л/мин | 1000 |
| Номинальный перепад давления при номинальном расходе воздуха, МПа | 0,001 |
| Номинальный расход масла при вязкости 30 мм2/с, л/мин. | 40 |
| Номинальная тонкость очистки масла, мкм | 500 |
| Масса, кг, не более | 0,8 |
Сапуны типа СЗГ работают при диапазоне температур окружающей среды от -25 до + 60С.

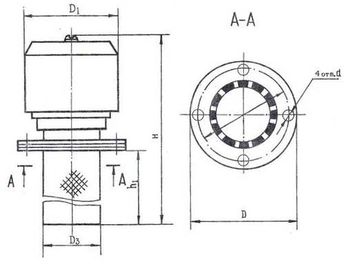
Схема - габаритные размеры фильтра
D, мм | 100 |
D1, мм | 95 |
D2, мм | 85 |
D3, мм | 64 |
d, мм | 6,5 |
H, мм | 205 |
h1, мм | 105 |
ДОСТАВКА
Вы можете выбрать любой наиболее удобный способ из перечисленных ниже:
Доставка до терминала ТК «Деловые линии» осуществляется нами бесплатно.
ОПЛАТА
Мы принимаем оплату:
Цены на поставляемые нами товар всегда ниже, чем у наших конкурентов.
Условия гарантийного обслуживания
Гарантия не распространяется на ущерб, причиненный другому оборудованию, работающему вместе с данным изделием.
Центр измерительной техники «Эталонприбор» располагает своим собственным ремонтным сервисом, где Вы можете получить услуги по: ремонту, наладке, калибровке, гарантийному и послегарантийному обслуживанию измерительного оборудования, как приобретенного у нас, так и у других поставщиков. Сервис работает на основе лицензии, выданной Ростехрегулированием РФ.
