Гидроклапан обратный стыковой 1МКО-М-20/20 предназначен для свободного пропускания потока рабочей жидкости в одном направлении и для перекрытия потока в обратном направлении.
Структура условного обозначения гидроклапана - 1МКО-М-20/20:
Диапазон давления на входе, МПа | 1-22 |
Диапазон регулирования давления, МПа | 0,05 |
Диапазон расхода рабочей жидкости, дм3/с | 0-4 |
Внутренняя герметичность (максимальные внутренние утечки), см3/мин | 500 |
Время нарастания давления после прекращения разгрузки, не более | 0,2 |
Масса, кг | 3,3 |

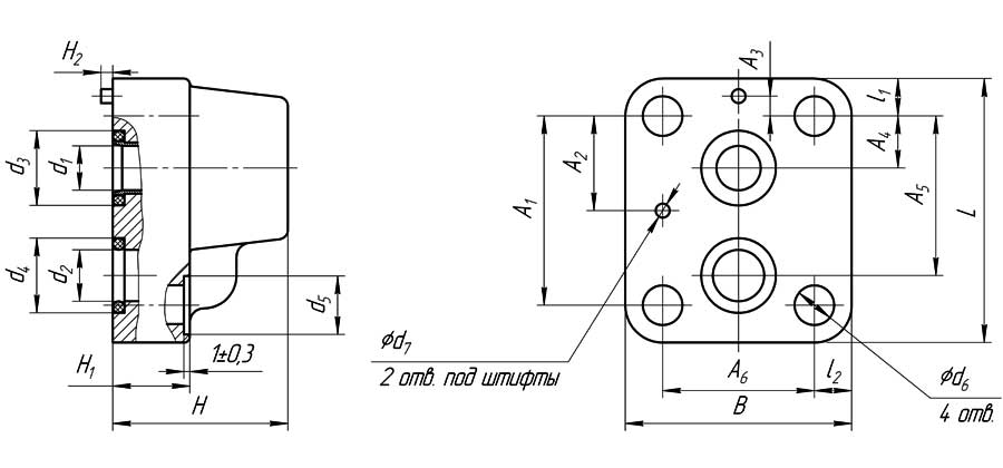
Конструктивная схема гидроклапана
Условный проход, мм | 20 |
L, мм | 113 |
B, мм | 97 |
H, мм | 75 |
H1, мм | 33 |
H2, мм | 5 |
A1, мм | 81 |
A2, мм | 40,5 |
A3, мм | 8,5 |
A4, мм | 22,3 |
A5, мм | 68,3 |
A6, мм | 65 |
l1, мм | 16 |
l2, мм | 16 |
d1, мм | 19 |
d2, мм | 22 |
d3, мм | 32 |
d4, мм | 32 |
d5, мм | 25 |
d6, мм | 17 |
d7, мм | 6 |
ДОСТАВКА
Вы можете выбрать любой наиболее удобный способ из перечисленных ниже:
Доставка до терминала ТК «Деловые линии» осуществляется нами бесплатно.
ОПЛАТА
Мы принимаем оплату:
Цены на поставляемые нами товар всегда ниже, чем у наших конкурентов.
Условия гарантийного обслуживания
Гарантия не распространяется на ущерб, причиненный другому оборудованию, работающему вместе с данным изделием.
Центр измерительной техники «Эталонприбор» располагает своим собственным ремонтным сервисом, где Вы можете получить услуги по: ремонту, наладке, калибровке, гарантийному и послегарантийному обслуживанию измерительного оборудования, как приобретенного у нас, так и у других поставщиков. Сервис работает на основе лицензии, выданной Ростехрегулированием РФ.
