Гидроклапан предохранительный МКПВ-10/3С3 предназначен для поддержания установленного давления, предохранения от превышения и разгрузки гидросистемы от давления.
Структура условного обозначения гидроклапана - МКПВ-10/3С3 X1:
Условный проход, мм | 10 | |||
Давление на входе, МПа | 6,3 | 10 | 20 | 32 |
Расход рабочей жидкости, л/мин | 80 | |||
Диапазон регулирования давления, МПа | 0,4-7,0 | 0,5-12,5 | 2-25 | 5-35 |
Внутренняя герметичность (максимальные внутренние утечки), см3/мин | 100 | 150 | 300 | 500 |
Изменение давления настройки при изменении расхода от номинального до максимального, не более, МПа | 2,5 | |||
Время нарастания давления после прекращения разгрузки, не более, сек | 0,2 | |||
Масса (без рабочей жидкости) | 4,6 (исполнение В) | 4,75 (исполнение Р) | 4,75 (исполнение П) | 4,95 (исполнение К) |

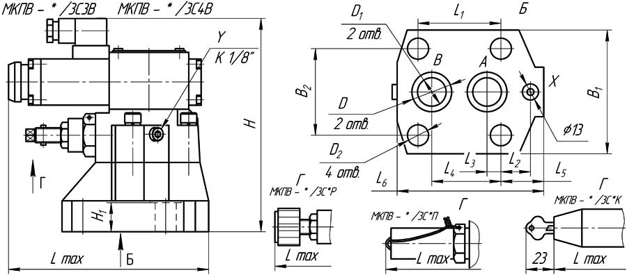
Конструктивная схема гидроклапана
Модель гидроклапана | МКПВ-10/3С3В | МКПВ-10/3С3Р | МКПВ-10/3С3П | МКПВ-10/3С3К |
H, мм | 174 | |||
H1, мм | 20,5 | |||
B1 h 14, мм | 80 | |||
B2, мм | 53,8 | |||
Lmax, мм | 158 | 158 | 158 | 176,5 |
L1, мм | 53,8 | |||
L3, мм | 22,1 | |||
L4 | 47,5 | |||
L5, мм | 21 | |||
L6 h1 14, мм | 89 | |||
D H14, мм | 22 | |||
D1 H14, мм | 14 | |||
D2 H14, мм | 13 | |||
ДОСТАВКА
Вы можете выбрать любой наиболее удобный способ из перечисленных ниже:
Доставка до терминала ТК «Деловые линии» осуществляется нами бесплатно.
ОПЛАТА
Мы принимаем оплату:
Цены на поставляемые нами товар всегда ниже, чем у наших конкурентов.
Условия гарантийного обслуживания
Гарантия не распространяется на ущерб, причиненный другому оборудованию, работающему вместе с данным изделием.
Центр измерительной техники «Эталонприбор» располагает своим собственным ремонтным сервисом, где Вы можете получить услуги по: ремонту, наладке, калибровке, гарантийному и послегарантийному обслуживанию измерительного оборудования, как приобретенного у нас, так и у других поставщиков. Сервис работает на основе лицензии, выданной Ростехрегулированием РФ.
