Гидроклапан предохранительный модульный М-КП-М-32-32 непрямого действия со вспомогательным клапаном предназначен для поддержания установленного давления, для предохранения гидросистемы от превышения давления и разгрузки.
Структура условного обозначения гидроклапана - М-КП-М-32-32:
Диапазон давления на входе, МПа | 2,5-34 |
Диапазон регулирования давления, МПа | 1,5-40 |
Диапазон расхода рабочей жидкости, дм3/с | 0,2-5,8 |
Внутренняя герметичность (максимальные внутренние утечки), см3/с | 500 |
Время нарастания давления после прекращения разгрузки, не более, с | 0,2 |
Масса, кг | 12,5 |

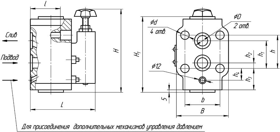
Конструктивная схема гидроклапана Ду=32 мм - стыковой монтаж

Конструктивная схема гидроклапана Ду=32 мм - стыковой монтаж с распределением
Условный проход, мм | 32 |
D, мм | 40 H 11 |
d, мм | 19 |
L, мм | 146 |
L1, мм | 233 |
l, мм | 80 |
B, мм | 122 |
b, мм | 82,5 |
H, мм | 175 |
H1, мм | 182 |
h, мм | 89 |
h1, мм | 76,5 |
h2, мм | 13 |
h3, мм | 51 |
h4, мм | 31,8 |

Конструктивная схема гидроклапана - трубный монтаж Ду 32 мм

Конструктивная схема гидроклапана - трубный монтаж с распределением Ду 32 мм
Условный проход, мм | 32 |
D, мм | 57 |
d, мм | М48x2-6Н |
L, мм | 160 |
L1, мм | 247 |
B, мм | 130 |
b, мм | 26 |
H, мм | 175 |
H1, мм | 182 |
h, мм | 114 |
h1, мм | 67 |
h2, мм | 36 |
ДОСТАВКА
Вы можете выбрать любой наиболее удобный способ из перечисленных ниже:
Доставка до терминала ТК «Деловые линии» осуществляется нами бесплатно.
ОПЛАТА
Мы принимаем оплату:
Цены на поставляемые нами товар всегда ниже, чем у наших конкурентов.
Условия гарантийного обслуживания
Гарантия не распространяется на ущерб, причиненный другому оборудованию, работающему вместе с данным изделием.
Центр измерительной техники «Эталонприбор» располагает своим собственным ремонтным сервисом, где Вы можете получить услуги по: ремонту, наладке, калибровке, гарантийному и послегарантийному обслуживанию измерительного оборудования, как приобретенного у нас, так и у других поставщиков. Сервис работает на основе лицензии, выданной Ростехрегулированием РФ.
