Гидроклапан редукционный модульный КРМ-М6/З Р2 предназначен для поддержания в отводимом для них потоке рабочей жидкости более низкого давления, чем в подводимом.
Структура условного обозначения гидроклапана - КРМ-М6/3 Р2 УХЛ 4:

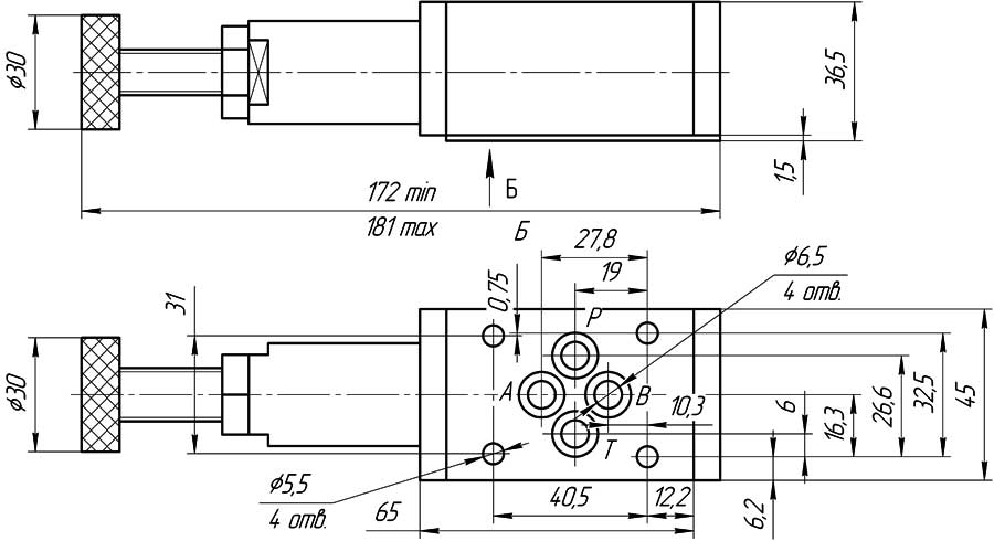
Конструктивная схема гидроклапана
Диапазон давление на входе, МПа | 0,5-32 |
Диапазон расхода рабочей жидкости, дм3/сек | 0-0,33 |
Внутренняя герметичность (максимальные внутренние утечки), см3/сек | 500 |
Время нарастания давления после прекращения разгрузки, не более, сек | 0,2 |
Масса, кг | 1 |
ДОСТАВКА
Вы можете выбрать любой наиболее удобный способ из перечисленных ниже:
Доставка до терминала ТК «Деловые линии» осуществляется нами бесплатно.
ОПЛАТА
Мы принимаем оплату:
Цены на поставляемые нами товар всегда ниже, чем у наших конкурентов.
Условия гарантийного обслуживания
Гарантия не распространяется на ущерб, причиненный другому оборудованию, работающему вместе с данным изделием.
Центр измерительной техники «Эталонприбор» располагает своим собственным ремонтным сервисом, где Вы можете получить услуги по: ремонту, наладке, калибровке, гарантийному и послегарантийному обслуживанию измерительного оборудования, как приобретенного у нас, так и у других поставщиков. Сервис работает на основе лицензии, выданной Ростехрегулированием РФ.
