Гидрораспределитель 1П110.16.02.060-01-574АР в искробезопасном исполнении устанавливаются на погрузочные, проходческие и другие горные машины с дистанционным и автоматическим управлением.
Обозначение модификации - 1П110.16.02.060-01-574АР:

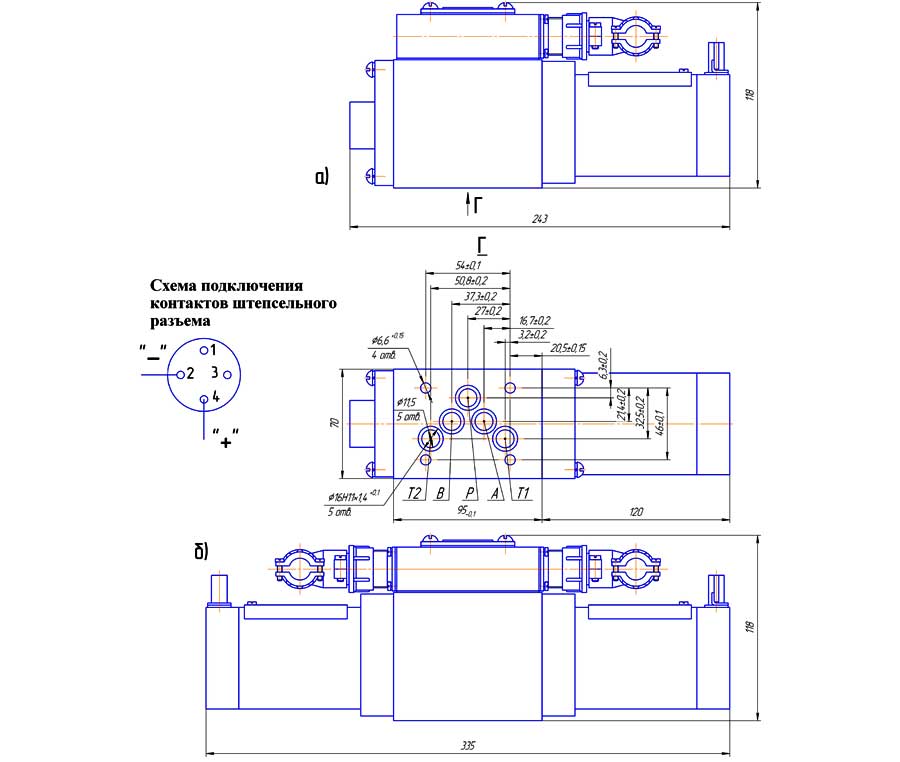
Конструктивная схема гидрораспределителя
| Условный проход Ду, мм | 10 |
| Давление на входе, МПа | 32 |
Расход рабочей жидкости, л/мин
| 40 5 |
| Напряжение питания электромагнита, В | 24 |
| Потребляемая мощность, Вт | 18 |
| Уровень взрывозащиты | РО, Иа С |
| Степень защиты | IP55 |
| Тип источника питания | ИП24-12 или КПТ13 |
Масса, кг
| 6,8 9,4 |
ДОСТАВКА
Вы можете выбрать любой наиболее удобный способ из перечисленных ниже:
Доставка до терминала ТК «Деловые линии» осуществляется нами бесплатно.
ОПЛАТА
Мы принимаем оплату:
Цены на поставляемые нами товар всегда ниже, чем у наших конкурентов.
Условия гарантийного обслуживания
Гарантия не распространяется на ущерб, причиненный другому оборудованию, работающему вместе с данным изделием.
Центр измерительной техники «Эталонприбор» располагает своим собственным ремонтным сервисом, где Вы можете получить услуги по: ремонту, наладке, калибровке, гарантийному и послегарантийному обслуживанию измерительного оборудования, как приобретенного у нас, так и у других поставщиков. Сервис работает на основе лицензии, выданной Ростехрегулированием РФ.
