Гидрораспределитель РЕ 10.3-64 В380-УХЛ3 с электромагнитным управлением предназначен для реверсирования движения рабочих органов станков (или других машин).
Трехпозиционные распределители помимо реверсирования движения осуществляют остановку рабочих органов при среднем положении золотника.
Структура условного обозначения - РЕ 10.3 - 64 В380 - УХЛ 3:
Управление распределителем осуществляется электромагнитами.
При среднем положении золотника, когда магниты обесточены, линия нагнетания и обе полости цилиндра соединяются с баком.
При включении одного из электромагнитов, золотник смещается в крайнее положение и масло от насоса направляется в одну из полостей рабочего цилиндра, а из противоположной полости цилиндра масло направляется в бак.

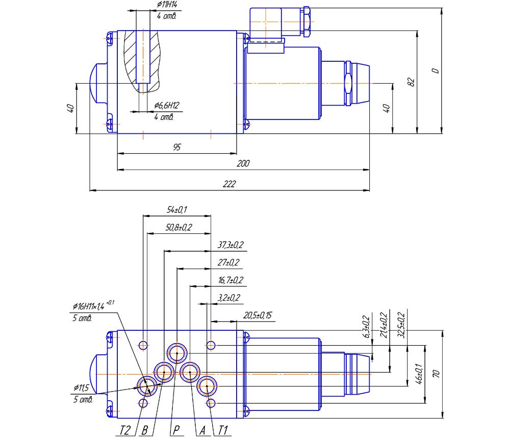
Конструктивная схема гидрораспределителя
Условный проход, мм | 10 |
Давление на входе, номинальное, МПа (кгс/см2) | 32 (320) |
Давление на выходе (сливе), максимальное, МПа (кгс/см2) | 6 (60) |
Внутренняя герметичность (максимальные внутренние утечки по каждой линии), см3/мин, не более: - для схем: 64,64А,65,65А |
200 |
Время срабатывания, мс, не более: - с электромагнитом переменного тока |
30
60 |
Напряжение питания электромагнита, В |
12, 24, 48 ,110, 220 |
Номинальная тонкость фильтрации, мкм | 25 |
ДОСТАВКА
Вы можете выбрать любой наиболее удобный способ из перечисленных ниже:
Доставка до терминала ТК «Деловые линии» осуществляется нами бесплатно.
ОПЛАТА
Мы принимаем оплату:
Цены на поставляемые нами товар всегда ниже, чем у наших конкурентов.
Условия гарантийного обслуживания
Гарантия не распространяется на ущерб, причиненный другому оборудованию, работающему вместе с данным изделием.
Центр измерительной техники «Эталонприбор» располагает своим собственным ремонтным сервисом, где Вы можете получить услуги по: ремонту, наладке, калибровке, гарантийному и послегарантийному обслуживанию измерительного оборудования, как приобретенного у нас, так и у других поставщиков. Сервис работает на основе лицензии, выданной Ростехрегулированием РФ.
