Гидрораспределитель золотниковый четырехлинейный В6 (ВЕ6) предназначен для изменения направления или пуска и остановки потока рабочей жидкости в гидравлических системах.
Доступные модели гидрораспределителя:

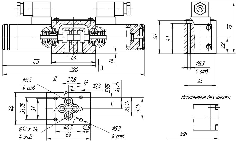
Конструктивная схема гидрораспределителя
Давление на входе, МПа: номинальное максимальное минимальное |
32 32 0 |
Максимальное давление на сливе, МПа | 6 |
Давление управления гидрораспределителя, МПа, с гидравлическим управлением: максимальное минимальное |
6 0,6 |
Расход рабочей жидкости, л/мин: Номинальный (на линии Р - А (В) со схемами 44, 74, 94, 574, 573Е, 574А, 574Е | 12,5 |
Со схемами 14, 24, 34, 54, 64, 64А, 84, 84А, 574, 574A без пружинного возврата с фиксацией золотника | 16 |
Максимальная продолжительность при номинальных значениях давления и расхода, мин., не более | 10 |
Масса (без рабочей жидкости) кг | 1,3 |
Давление на входе, МПа | 10 | 32 |
Гидрораспределитель с электромагнитным, гидравлическим, ручным (от рукоятки) и механическим управлением со схемами: 14,24,574,574А без пружинного возврата, 574,574A без пружинного возврата с фиксацией золотника, л/мин | 30 | 30 |
44, 574, 574Е, 574А, л/мин | 30 | 20 |
34, 84, л/мин | 30 | 15 |
573, 573Е, л/мин | 25 | 15 |
54,64,64А, л/мин | 20 | 15 |
94, л/мин | 15 | 10 |
Гидрораспределитель с электромагнитным управлением с магнитом переменного тока со схемами: 573,573Е, л/мин | 16 | 10 |
64, 64А, 154, л/мин | 15 | 15 |
Структура условного обозначения гидрораспределителя - В X2 6 X3 X4 X5 X6 X7 X8:
ДОСТАВКА
Вы можете выбрать любой наиболее удобный способ из перечисленных ниже:
Доставка до терминала ТК «Деловые линии» осуществляется нами бесплатно.
ОПЛАТА
Мы принимаем оплату:
Цены на поставляемые нами товар всегда ниже, чем у наших конкурентов.
Условия гарантийного обслуживания
Гарантия не распространяется на ущерб, причиненный другому оборудованию, работающему вместе с данным изделием.
Центр измерительной техники «Эталонприбор» располагает своим собственным ремонтным сервисом, где Вы можете получить услуги по: ремонту, наладке, калибровке, гарантийному и послегарантийному обслуживанию измерительного оборудования, как приобретенного у нас, так и у других поставщиков. Сервис работает на основе лицензии, выданной Ростехрегулированием РФ.
