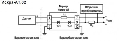
Барьер искрозащиты ОВЕН ИСКРА устанавливается в электрической цепи, связывающей датчик, находящийся во взрывоопасной зоне, и вторичный преобразователь (прибор), расположенный во взрывобезопасной зоне. Барьер обеспечивает искрозащиту электрической цепи датчика путем ограничения значений напряжения и тока до искробезопасных.
Барьеры искрозащиты ОВЕН ИСКРА применяются в системах регулирования, сигнализации и аварийной защиты на взрывопожароопасных участках, где могут присутствовать взрывоопасные смеси газов, паров, а также легковоспламеняющиеся и взрывчатые вещества (пыль, порошок).
Барьер ИСКРА относится к связанному электрооборудованию, реализует вид взрывозащиты «искробезопасная электрическая цепь» – i, сертифицирован на уровень взрывозащиты «особовзрывозащищенный» – a и категорию IIC в соответствии с ГОСТ Р 51330.10-99 (МЭК 600791496) и имеет маркировку взрывозащищенности [Exia IIС].
Барьер искрозащиты предназначен для защиты искробезопасных цепей при воздействии на барьер напряжения до 250 В и устанавливается вне взрывоопасной зоны с обязательным искрозащитным заземлением. Барьер относится к устройствам пассивного типа.
Предел допустимой основной погрешности | не более 0,1 % от диапазона измерений* |
Дополнительная температурная составляющая погрешности барьера | не более 0,002 % на 1 °С от диапазона измерений |
Тип корпуса | крепления на DIN-рейку 35 мм |
Степень защиты корпуса | IP20 |
Габаритные размеры | 110×76×27 мм |
Масса барьера | не более 0,3 кг |
Параметр | Искра-АТ.02 | Искра-ТП.02 | Искра-ТС.02 |
Напряжение холостого хода U0, В | 31,8 | 6,8 | 10,2 |
Ток короткого замыкания I0, мА | 88 | 100 | 200 |
Максимальная внешняя емкость С0, мкФ | 0,05 | 17,9 | 2,75 |
Максимальная внешняя индуктивность L0, мГн | 0,1 | 0,15 | 3,0 |
Температура окружающего воздуха | +1...50 °С |
Атмосферное давление | 86...106,7 кПа |
Относительная влажность воздуха (при 25 °С и ниже без конденсации влаги) | не более 80 % |



Модификация барьера ИСКРА | Типы датчиков, работающих совместно с барьером ИСКРА |
ИСКРА-АТ.02 | Датчики с унифицированным токовым сигналом 0…5 мА, 0…20 мА, 4…20 мА – макс. выходное напряжение 28 В, – выходной ток 40 мА. Максимальное сопротивление нагрузки:
где Uпит – напряжение источника питания, В; Uд.min – минимально допустимое напряжение питания датчика, В; Iд – верхняя граница диапазона токов датчика, мА |
ИСКРА-ТП.02 | Источники напряжения с диапазоном –1…+1 В, в том числе: – термопары ТХК(L), ТХА(K), ТМК(T), ТПП(S), ТПП(R), ТНН(N), ТЖК(J), ТВР(A-1), ТВР(A-2), ТВР(A-3) – датчики с унифицированным сигналом напряжения –50…+50 мВ, 0…±1 В Сопротивление каждой цепи около 110 Ом. Входное сопротивление вторичного преобразователя – не менее 1 МОм |
ИСКРА-ТС.02 | Термосопротивления ТСМ 50М, ТСМ 100М, ТСП 50П, ТСП 100П, Pt500, Pt1000 |
ДОСТАВКА
Вы можете выбрать любой наиболее удобный способ из перечисленных ниже:
Доставка до терминала ТК «Деловые линии» осуществляется нами бесплатно.
ОПЛАТА
Мы принимаем оплату:
Цены на поставляемые нами товар всегда ниже, чем у наших конкурентов.
Условия гарантийного обслуживания
Гарантия не распространяется на ущерб, причиненный другому оборудованию, работающему вместе с данным изделием.
Центр измерительной техники «Эталонприбор» располагает своим собственным ремонтным сервисом, где Вы можете получить услуги по: ремонту, наладке, калибровке, гарантийному и послегарантийному обслуживанию измерительного оборудования, как приобретенного у нас, так и у других поставщиков. Сервис работает на основе лицензии, выданной Ростехрегулированием РФ.
