по РФ бесплатно
пн-пт 9:00-18:00
пн-пт 9:00-18:00
по РФ бесплатно
Ваш город
Нет
Да
КОНТАКТНАЯ ИНФОРМАЦИЯ
Телефоны:8 (800) 777-30-09 (по РФ бесплатно), 8 (495) 748-30-09, 748-30-60, 664-28-44.
Адрес:141006, Московская обл., г. Мытищи, Олимпийский пр-т, д. 29, стр. 2, офис 43/1.
УВАЖАЕМЫЕ КЛИЕНТЫ!
Цены на сайте могут отличаться, просьба уточнять конечную стоимость у наших менеджеров!
TMM-540




ИТП-11.ЗЛ

Цена:
6 076
Общая стоимость 0 руб.
В корзину
Купить в 1 клик
Нашли дешевле?
Снизим цену!
В избранное
Стоимость доставки от 800 ₽ (уточнять у менеджера)
Срок доставки: 2 - 10 дней при наличии товара на складе
Бесплатная доставка от 50000₽
Безналичный расчет для юридических лиц
Самовывоз со склада компании ЭТАЛОНПРИБОР
Более 350 брендов
Самые лучшие
цены
Техническая
документация
Быстрая доставка
по России
Сервисный
центр
  • Описание
  • Доставка и оплата
  • Гарантия и возврат
  • Отзывы
  • Сервис
Описание

Измерители технологических параметров линейки ИТП-1х предназначены для контроля и отображения на цифровом индикаторе унифицированных сигналов тока и напряжения, поддерживают работу со стандартными датчиками температуры без применения нормирующих преобразователей. Приборы ИТП-14 и ИТП-16 оснащены функцией сигнализации и выполнены в компактных, удобных для монтажа корпусах.

Измеряемые сигналы ИТП-11

  • Ток: 4…20 мА с питанием от сигнала

Измеряемые сигналы для ИТП-14

  • Ток: 0…20 мА, 0…5 мА, 4…20 мА.
  • Напряжения: 0…10 В, 2…10 В.

ИТП-16 поддерживает градуировки

  • Термоэлектрических преобразователей: L (ГОСТ 8.525 и DIN43710), K, J, N, T, S, R, B, A(1-3).
  • Термометров сопротивления: M, Cu, П, Pt, Ni при 50, 100, 500, 1000 Ом.

Функциональные возможности приборов ИТП

  • Контроль температуры или другой физической величины (давления, влажности, уровня и т. п.).
  • Масштабирование измеренного сигнала в нужные единицы измерения (для ИТП-11, ИТП-14).
  • Возможность вычисления квадратного корня (для ИТП-11, ИТП-14).
  • Индикация аварии при обрыве входного сигнала или выхода за указанные границы.
  • Возможность мигания индикатора при входе измеряемой величины в критическую зону*.
  • Выходное устройство для сигнализации или управления 200 мА 42 В (для ИТП-14, ИТП-16).
  • Питание:
    • от внешнего источника постоянного напряжения 24 В (для ИТП-14, ИТП-16);
    • от токовой петли, падение напряжения 4 В (для ИТП-11 в щитовом корпусе)**.
  • Крепление:
    • на дверцу щита в отверстие 22 мм;
    • на стену (для ИТП-11);
    • DIN-рейку (для ИТП-11);
    • на трубу (для ИТП-11).
  • Самозажимные клеммные соединители (для ИТП-14, ИТП-16).
  • Красная или зеленая индикация (оговаривается при заказе).
  • Эксплуатация при температуре окружающий среды: от -40 до +60 °С.
  • Гарантийный срок эксплуатации: 2 года.
  • Межповерочный интервал:
    • ИТП-11 – 3 года
    • ИТП-14, ИТП-16 – 5 лет

Внимание: для приборов ИТП-11.х.Н3 (настенное исполнение):
* функция мигания индикатора отсутствует;
**падение напряжения при питании от измеряемого сигнала составляет 10 В.

Основные технические характеристики

Наименование

ИТП-11

ИТП-14

ИТП-16

Измеритель 4…20 мА с питанием от изменяемого сигналаИзмеритель унифицированных сигналов с внешним питаниемИзмеритель термопар и термосопротивлений с внешним питанием

Питание

Напряжение питания

Токовая петля датчика 4…20 мА, не более 4 В

10…30 В постоянного тока (номинал. напряжение 24 В), потребляемая мощность не более 1 Вт

Характеристики входных сигналов

Количество каналов измерения

1

1

1

Тип входного сигнала

4…20 мА

Ток 0...5 мА, 0(4)…20 мА
Напряжение 0(2)…10 В

См. таблицу «Характеристики измерительных датчиков»

Входное сопротивление при измерении напряжения, не более

-

250 кОм

Время опроса входа, не более

1 с

0,3 с

1 с

Метрологические характеристики

Пределы основной приведенной погрешности, %

±(0,2+N), где N – единица последнего разряда, выраженная в процентах от диапазона преобразования

±0,25

±0,25 – при работе с ТС, унифицированными сигналами напряжения;

±0,5 – при работе с ТП

Характеристики выходных сигналов

Количество выходных устройств

-

1

1

Типы выходных устройств

-

Транзисторный ключ n-p-n типа:

- максимальный постоянный ток нагрузки 200 мА

- максимальное напряжение постоянного тока 42 В

Конструктивные исполнения

Габаритные размеры

  • Щитовой Щ9: 26×48×65 мм
  • Настенный Н3: 70×50×28 мм

Щитовой Щ9: 26×48×65 мм

Условия эксплуатации

Диапазон рабочих температур

-40…+80 ⁰С

-40…+60 ⁰С

Относительная влажность воздуха

Не более 80 %, при +35 °С и более низких температурах без конденсации влаги

Атмосферное давление

От 84 до 106,7 кПа

Устойчивость к механическим воздействиям

Прибор соответствует группе исполнения N2 по ГОСТ Р 52931–2008

Устойчивость к электромагнитным воздействиям

Прибор соответствует оборудованию класса А по ГОСТ Р МЭК 61326-1-2014

Характеристики надежности

Степень защиты корпуса:

– настенный Н3

IP65

– щитовой Щ9 (со стороны лицевой панели)IP65
– щитовой Щ9 (со стороны клемм)IP20

Средняя наработка на отказ

100000 ч

Средний срок службы

12 лет

Характеристики измерительных датчиков

Обозначение на индикаторе

Условное обозначение датчика

Диапазон измерений, °С

Термопреобразователи сопротивления по ГОСТ 6651-2009

c50

Cu50 (α1)=0,00426°С-1)

-50 …+200

c.50

50М (α=0,00428 °С-1)

-180 …+200

P50

Pt50 (α=0,00385 °С-1)

-200…+850

P.50

50П (α=0,00391 °С-1)

-200…+850

c100

Cu100 (α=0,00426°С-1)

-50 …+200

c.100

100М (α=0,00428 °С-1)

-180 …+200

P100

Pt100 (α=0,00385 °С-1)

-200…+850

P.100

100П (α=0,00391 °С-1)

-200…+850

N100

Ni100 (α=0,00617 °С-1)

-60…+180

P500

Pt500 (α=0,00385 °С-1)

-200…+850

P.500

500П (α=0,00391 °С-1)

-200…+850

c 500

Cu500 (α=0,00426 °С-1)

-50 …+200

c .500

500М (α=0,00428 °С-1)

-180 …+200

n500

Ni500 (α=0,00617 °С-1)

-60…+180

c1E3

Cu1000 (α=0,00426°С-1)

-50…+200

c.1E3

1000М (α=0,00428°С-1)

-180…+200

P1E3

Pt1000 (α=0,00385°С-1)

-200…+850

P.1E3

1000П (α=0,00391°С1)

-200…+850

n1E3

Ni1000 (α=0,00617°С1)

-60…+180

Пирометры сумм. излучения по ГОСТ 10627-71

PK15

РК-15

+400…+1500

PK20

РК-20

+600…+2000

PC20

РС-20

+900…+2000

Сигнал напряжения по ГОСТ 26.011-80

0-1

0...1 В

Сигнал напряжения

50.50

-50...+50 мВ

Термоэлектрические преобразователи по ГОСТ Р 8.585-2001

tP.L

TХК (L)

-200...+800

tP.KA

TХА (К)

-200…+1300

tP.J

TЖК (J)

-200…+1200

tP.n

TНН (N)

-200…+1300

tP.t

TМК (Т)

-250…+400

tP.S

TПП (S)

-50…+1750

tP.r

TПП (R)

-50…+1750

tP.b

TПР (В)

+200…+1800

tP.A1

TВР (А-1)

0…+2500

tP.A2

TВР (А-2)

0…+1800

tP.A3

TВР (А-3)

0…+1800

Термоэлектрические преобразователи по DIN 43710

tP.tL

TypeL

-200…+900

Примечание.
1) α температурный коэффициент термометра сопротивления – отношение разницы сопротивлений датчика, измеренных при температуре 100 и 0 °С, к его сопротивлению, измеренному при 0 °С (R0), деленное на 100 °С и округленное до пятого знака после запятой.

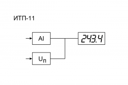
Функциональная схема

Функциональная схема ИТП-11
Функциональная схема ИТП-14
Функциональная схема ИТП-16

Схемы подключения

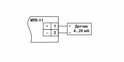
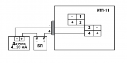
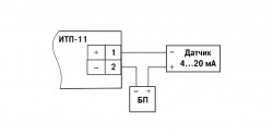
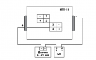
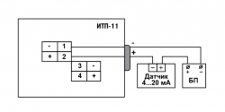
Схемы подключения ИТП-11

Подключение ИТП-11 к пассивному источнику 4...20мА
Подключение ИТП-11 к активному источнику 4...20мА
Подключение нескольких ИТП-11 к пассивному источнику 4...20мА

Схемы подключения ИТП-11.Н3

Подключение ИТП11.Н3 справа
Подключение ИТП11.Н3 слева
Сквозное подключение ИТП11.Н3 (на выбор - к клеммам 1, 4 или 2, 3)

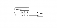
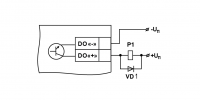
Схемы подключения ИТП-14

Подключение питания
Подключение унифицированных сигналов тока 0…20 мА, 0…5 мА, 4…20 мА
Подключение унифицированных сигналов напряжения 0…10 В, 2…10 В
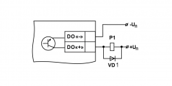
Подключение нагрузки к дискретному выходу

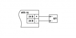
Схемы подключения ИТП-16

Подключение питания
Подключение первичных преобразователей
Подключение нагрузки к дискретному выходу

Комплект поставки

  1. Прибор ИТП
  2. Комплект крепежных элементов
  3. Паспорт и гарантийный талон
  4. Руководство по эксплуатации
  5. Комплект наконечников
  6. Методика поверки (по требованию заказчика)

Примечание - Изготовитель оставляет за собой право внесения дополнений в комплектность изделия.

Развернуть полное описание
Доставка и оплата

ДОСТАВКА

Вы можете выбрать любой наиболее удобный способ из перечисленных ниже:

  • Самовывоз со склада компании ЭТАЛОНПРИБОР
  • Доставка через транспортную компанию "Деловые линии"
  • Доставка экспресс - почтой "ПОНИ-ЭКСПРЕСС" до двери
  • Доставка по Москве и области нашими экспедиторами и курьерами
  • Доставка через транспортную компанию "ПЭК"
  • Отправка посылкой с помощью Почты России
  • Доставка через транспортную компанию покупателя

Доставка до терминала ТК «Деловые линии» осуществляется нами бесплатно.

ОПЛАТА

Мы принимаем оплату:

  • по безналичному расчету
  • перечислением денежных средств на расчетный счет для юридических лиц
  • банковским переводом для физических.

Цены на поставляемые нами товар всегда ниже, чем у наших конкурентов.

Гарантия и возврат

Условия гарантийного обслуживания

  1. Гарантия действительна только при наличии гарантийного талона с указанием заводского номера изделия, гарантийного срока и печати поставщика.
  2. Гарантия предусматривает бесплатный ремонт изделия или замену запасных частей, комплектующих в течении гарантийного срока, указанного в гарантийном талоне.
  3. Заводской номер и наименование изделия должны соответствовать указанным в гарантийном талоне.
  4. Изделие снимается с гарантийного обслуживания в следующих случаях:
    1. Нарушения условий эксплуатации, изложенных в технической документации изделия, которые привели к выходу изделия из строя, включая неисправности, вызванные использованием нештатных аксессуаров;
    2. Нарушения гарантийных пломб, в случае наличия следов вскрытия или взлома корпуса изделия;
    3. Ремонта в неуполномоченном сервисном центре или самостоятельно (кроме элементов и источников питания, замена которых предусмотрена производителем);
    4. Использования изделия не по назначению;
    5. Нарушения правил хранения и транспортирования;
    6. Наличия внешних механических повреждений, включая повреждения разъёмов и контактов;
    7. Наличия внешних повреждений, вызванных стихией, пожаром, молнией, высоким напряжением;
    8. Попадания внутрь влаги, инородных предметов и т.п.
    9. Неправильном включении в сеть.
  5. Гарантия не распространяется на расходные материалы и прочие детали, имеющие ограниченный срок службы: элементы питания (в т.ч. аккумуляторы), имеющие ограниченную прочность.
  6. Недополученная в связи с появлением неисправности прибыль и другие косвенные расходы не подлежат возмещению.

Гарантия не распространяется на ущерб, причиненный другому оборудованию, работающему вместе с данным изделием.

Отзывы
Отзывы о товаре ИТП-11.ЗЛ
Сервис

Центр измерительной техники «Эталонприбор» располагает своим собственным ремонтным сервисом, где Вы можете получить услуги по: ремонту, наладке, калибровке, гарантийному и послегарантийному обслуживанию измерительного оборудования, как приобретенного у нас, так и у других поставщиков. Сервис работает на основе лицензии, выданной Ростехрегулированием РФ.

 
Подробнее
 
Сервисное обслуживание
Простой обмен и возврат
Поможем решить любую проблему с товаром
Собственный сервисный центр
Устраним любую неисправность по гарантии. Срок указан без учета логистики
Сервисы по всей России
Обращайтесь за обслуживанием в авторизованные сервисы производителя
Похожие товары
 
Полезные статьи
При выборе манометра необходимо учитывать ряд важных факторов, чтобы прибор подходил для конкретной системы.
Уровень влажности в помещении играет важную роль в формировании оптимальных условий для комфортного пребывания. Для определения этого параметра используются устройства, называемые гигрометрами. В этой статье мы расскажем, как выбрать подходящее оборудование такого типа для различных объектов.
Осциллограф — это прибор для наблюдения, измерения, записи и анализа амплитудных и временных характеристик электрического сигнала. Подаваемый на вход устройства, он отображается либо на экране, либо фиксируется на фотоленте для последующего изучения.
Если вы задумались о приобретении мультиметра, важно заранее ознакомиться с рядом полезных рекомендаций, которые помогут сделать правильный выбор. Мы подготовили небольшую статью, которая, надеемся, окажется полезной.
Цифровой тахометр — это прибор, предназначенный для измерения частоты вращения различных объектов, таких как валы, двигатели и роторы. В отличие от аналоговых моделей, цифровые тахометры обеспечивают высокую точность измерений и удобство использования благодаря современным технологиям и информативному дисплею. Они широко используются в самых разных отраслях: от автомобильного сервиса и промышленности до научных исследований и контроля вентиляционных систем.
Мегаомметр – это специализированный прибор, предназначенный для измерения сопротивления изоляции электрических цепей и оборудования. В условиях современного мира, где электричество играет ключевую роль во всех сферах жизни, обеспечение безопасности и надежности электрических систем становится особенно важным. От качества изоляции проводников и оборудования зависит не только эффективность их работы, но и безопасность людей и объектов, которые они обслуживают.
Измерительные приборы играют ключевую роль в различных отраслях, начиная от промышленности и строительства, заканчивая медициной и научными исследованиями. Правильная эксплуатация и уход за этими приборами являются залогом точных измерений и долговечности оборудования.
Осциллографы играют ключевую роль в современных лабораториях и на производственных предприятиях, являясь незаменимым инструментом для анализа и визуализации электрических сигналов. Независимо от того, являетесь ли вы инженером-электронщиком, студентом технического вуза или энтузиастом электроники, понимание принципов работы осциллографов, их видов и характеристик, а также правил эксплуатации и ухода за ними, имеет первостепенное значение.
Амперметр предназначен для измерения величины тока в электрических цепях, выраженной в амперах. В основе его работы лежит простой принцип: инструмент позволяет наглядно увидеть мощность тока, потребляемого устройствами, подключенными к сети. Обычно амперметр подключают в цепь с нагрузкой, поэтому ток, протекающий через него, идентичен току, проходящему через любой другой элемент цепи, будь то нагреватель, мотор или лампочка.
На этапах возведения, отделки и монтажа различных сооружений большую роль играют точность разметки и идеальное выравнивание. Достижение профессиональных стандартов качества возможно при использовании лазерного нивелира. Для выбора подходящей модели целесообразно ознакомиться с механизмом работы этих устройств.
Новинки
Недавно просмотренные