Измерители технологических параметров линейки ИТП-1х предназначены для контроля и отображения на цифровом индикаторе унифицированных сигналов тока и напряжения, поддерживают работу со стандартными датчиками температуры без применения нормирующих преобразователей. Приборы ИТП-14 и ИТП-16 оснащены функцией сигнализации и выполнены в компактных, удобных для монтажа корпусах.
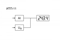
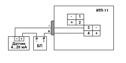
Измеряемые сигналы ИТП-11
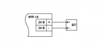
Измеряемые сигналы для ИТП-14
ИТП-16 поддерживает градуировки
Функциональные возможности приборов ИТП
Внимание: для приборов ИТП-11.х.Н3 (настенное исполнение):
* функция мигания индикатора отсутствует;
**падение напряжения при питании от измеряемого сигнала составляет 10 В.
Наименование | ИТП-11 | ИТП-14 | ИТП-16 |
| Измеритель 4…20 мА с питанием от изменяемого сигнала | Измеритель унифицированных сигналов с внешним питанием | Измеритель термопар и термосопротивлений с внешним питанием | |
Питание | |||
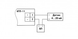
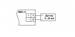
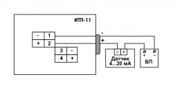
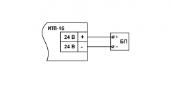
Напряжение питания | Токовая петля датчика 4…20 мА, не более 4 В | 10…30 В постоянного тока (номинал. напряжение 24 В), потребляемая мощность не более 1 Вт | |
Характеристики входных сигналов | |||
Количество каналов измерения | 1 | 1 | 1 |
Тип входного сигнала | 4…20 мА | Ток 0...5 мА, 0(4)…20 мА | См. таблицу «Характеристики измерительных датчиков» |
Входное сопротивление при измерении напряжения, не более | - | 250 кОм | |
Время опроса входа, не более | 1 с | 0,3 с | 1 с |
Метрологические характеристики | |||
Пределы основной приведенной погрешности, % | ±(0,2+N), где N – единица последнего разряда, выраженная в процентах от диапазона преобразования | ±0,25 | ±0,25 – при работе с ТС, унифицированными сигналами напряжения; ±0,5 – при работе с ТП |
Характеристики выходных сигналов | |||
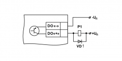
Количество выходных устройств | - | 1 | 1 |
Типы выходных устройств | - | Транзисторный ключ n-p-n типа: - максимальный постоянный ток нагрузки 200 мА - максимальное напряжение постоянного тока 42 В | |
Конструктивные исполнения | |||
Габаритные размеры |
| Щитовой Щ9: 26×48×65 мм | |
Условия эксплуатации | |||
Диапазон рабочих температур | -40…+80 ⁰С | -40…+60 ⁰С | |
Относительная влажность воздуха | Не более 80 %, при +35 °С и более низких температурах без конденсации влаги | ||
Атмосферное давление | От 84 до 106,7 кПа | ||
Устойчивость к механическим воздействиям | Прибор соответствует группе исполнения N2 по ГОСТ Р 52931–2008 | ||
Устойчивость к электромагнитным воздействиям | Прибор соответствует оборудованию класса А по ГОСТ Р МЭК 61326-1-2014 | ||
Характеристики надежности | |||
| Степень защиты корпуса: | |||
– настенный Н3 | IP65 | ||
| – щитовой Щ9 (со стороны лицевой панели) | IP65 | ||
| – щитовой Щ9 (со стороны клемм) | IP20 | ||
Средняя наработка на отказ | 100000 ч | ||
Средний срок службы | 12 лет | ||
Обозначение на индикаторе | Условное обозначение датчика | Диапазон измерений, °С |
Термопреобразователи сопротивления по ГОСТ 6651-2009 | ||
c50 | Cu50 (α1)=0,00426°С-1) | -50 …+200 |
c.50 | 50М (α=0,00428 °С-1) | -180 …+200 |
P50 | Pt50 (α=0,00385 °С-1) | -200…+850 |
P.50 | 50П (α=0,00391 °С-1) | -200…+850 |
c100 | Cu100 (α=0,00426°С-1) | -50 …+200 |
c.100 | 100М (α=0,00428 °С-1) | -180 …+200 |
P100 | Pt100 (α=0,00385 °С-1) | -200…+850 |
P.100 | 100П (α=0,00391 °С-1) | -200…+850 |
N100 | Ni100 (α=0,00617 °С-1) | -60…+180 |
P500 | Pt500 (α=0,00385 °С-1) | -200…+850 |
P.500 | 500П (α=0,00391 °С-1) | -200…+850 |
c 500 | Cu500 (α=0,00426 °С-1) | -50 …+200 |
c .500 | 500М (α=0,00428 °С-1) | -180 …+200 |
n500 | Ni500 (α=0,00617 °С-1) | -60…+180 |
c1E3 | Cu1000 (α=0,00426°С-1) | -50…+200 |
c.1E3 | 1000М (α=0,00428°С-1) | -180…+200 |
P1E3 | Pt1000 (α=0,00385°С-1) | -200…+850 |
P.1E3 | 1000П (α=0,00391°С1) | -200…+850 |
n1E3 | Ni1000 (α=0,00617°С1) | -60…+180 |
Пирометры сумм. излучения по ГОСТ 10627-71 | ||
PK15 | РК-15 | +400…+1500 |
PK20 | РК-20 | +600…+2000 |
PC20 | РС-20 | +900…+2000 |
Сигнал напряжения по ГОСТ 26.011-80 | ||
0-1 | 0...1 В |
|
Сигнал напряжения | ||
50.50 | -50...+50 мВ |
|
Термоэлектрические преобразователи по ГОСТ Р 8.585-2001 | ||
tP.L | TХК (L) | -200...+800 |
tP.KA | TХА (К) | -200…+1300 |
tP.J | TЖК (J) | -200…+1200 |
tP.n | TНН (N) | -200…+1300 |
tP.t | TМК (Т) | -250…+400 |
tP.S | TПП (S) | -50…+1750 |
tP.r | TПП (R) | -50…+1750 |
tP.b | TПР (В) | +200…+1800 |
tP.A1 | TВР (А-1) | 0…+2500 |
tP.A2 | TВР (А-2) | 0…+1800 |
tP.A3 | TВР (А-3) | 0…+1800 |
Термоэлектрические преобразователи по DIN 43710 | ||
tP.tL | TypeL | -200…+900 |
Примечание.
1) α температурный коэффициент термометра сопротивления – отношение разницы сопротивлений датчика, измеренных при температуре 100 и 0 °С, к его сопротивлению, измеренному при 0 °С (R0), деленное на 100 °С и округленное до пятого знака после запятой.
















Примечание - Изготовитель оставляет за собой право внесения дополнений в комплектность изделия.
ДОСТАВКА
Вы можете выбрать любой наиболее удобный способ из перечисленных ниже:
Доставка до терминала ТК «Деловые линии» осуществляется нами бесплатно.
ОПЛАТА
Мы принимаем оплату:
Цены на поставляемые нами товар всегда ниже, чем у наших конкурентов.
Условия гарантийного обслуживания
Гарантия не распространяется на ущерб, причиненный другому оборудованию, работающему вместе с данным изделием.
Центр измерительной техники «Эталонприбор» располагает своим собственным ремонтным сервисом, где Вы можете получить услуги по: ремонту, наладке, калибровке, гарантийному и послегарантийному обслуживанию измерительного оборудования, как приобретенного у нас, так и у других поставщиков. Сервис работает на основе лицензии, выданной Ростехрегулированием РФ.
