Клапан обратный КОМ-6.3 предназначен для таких гидросистем, в которых поток масла пропускается только в одном (прямом) направлении, а в другом (обратном) не пропускается.
Структура условного обозначения клапана КОМ - 6.3 X1 - X2 X3:
Давление на входе, МПа: | 32 |
Давление открывания, МПа: | 0,05 |
Расход рабочей жидкости, л /мин: | 12,5 |
Внутренняя герметичность (максимальные внутренние утечки в сопряжении «клапан-седло»), см3/мин | 0,5 |
Масса (без рабочей жидкости), кг | 0,9 |
Под давлением масляного потока, подводимого через одно из присоединительных отверстий под клапан, последний, преодолевая усилие пружины, приподнимается над седлом и открывает проход маслу к другому присоединительному отверстию.
При изменении масляного потока, клапан прижимается к седлу, перекрывая путь масла в обратном направлении.

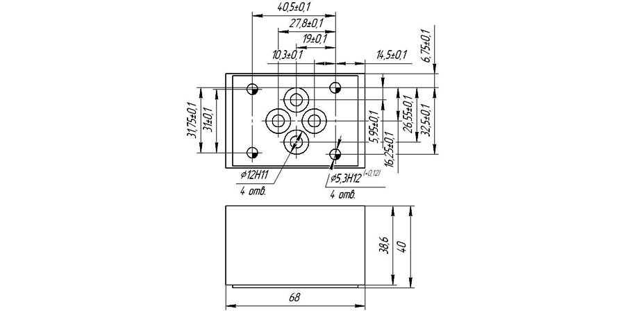
Конструктивная схема клапана
ДОСТАВКА
Вы можете выбрать любой наиболее удобный способ из перечисленных ниже:
Доставка до терминала ТК «Деловые линии» осуществляется нами бесплатно.
ОПЛАТА
Мы принимаем оплату:
Цены на поставляемые нами товар всегда ниже, чем у наших конкурентов.
Условия гарантийного обслуживания
Гарантия не распространяется на ущерб, причиненный другому оборудованию, работающему вместе с данным изделием.
Центр измерительной техники «Эталонприбор» располагает своим собственным ремонтным сервисом, где Вы можете получить услуги по: ремонту, наладке, калибровке, гарантийному и послегарантийному обслуживанию измерительного оборудования, как приобретенного у нас, так и у других поставщиков. Сервис работает на основе лицензии, выданной Ростехрегулированием РФ.
