Клапан обратный УФ 41058-063 предназначен для обеспечения защиты воздушной магистрали от обратного потока воздуха.

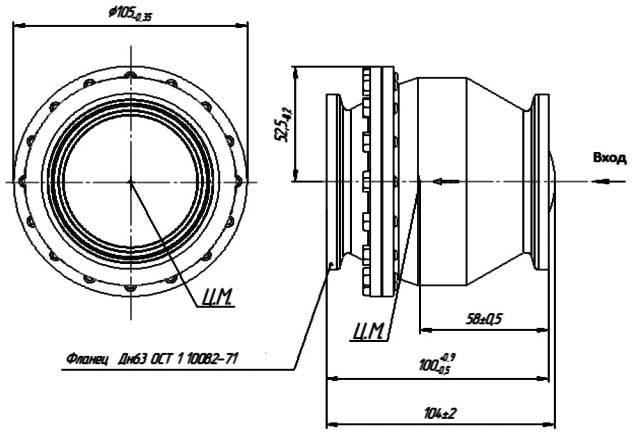
Схема - габаритные размеры клапана
| Диаметр подсоединительных трубопроводов, мм | 63 |
| Давление (абсолютное) на входе, МПа (кгс/см2) | 0,1-1,1 (1,0-11,0) |
| Расход воздуха в наземных условиях, кг/ч | 800-2880 |
| Температура воздуха на входе,оС | от плюс 250 до плюс 500 |
| Масса, кг | 1,5 |
ДОСТАВКА
Вы можете выбрать любой наиболее удобный способ из перечисленных ниже:
Доставка до терминала ТК «Деловые линии» осуществляется нами бесплатно.
ОПЛАТА
Мы принимаем оплату:
Цены на поставляемые нами товар всегда ниже, чем у наших конкурентов.
Условия гарантийного обслуживания
Гарантия не распространяется на ущерб, причиненный другому оборудованию, работающему вместе с данным изделием.
Центр измерительной техники «Эталонприбор» располагает своим собственным ремонтным сервисом, где Вы можете получить услуги по: ремонту, наладке, калибровке, гарантийному и послегарантийному обслуживанию измерительного оборудования, как приобретенного у нас, так и у других поставщиков. Сервис работает на основе лицензии, выданной Ростехрегулированием РФ.
