Клапан предохранительный Armak 240A предназначен для защиты систем от повышения давления выше допустимого путем сброса рабочей среды непосредственно в окружающую среду.
Ех. индекс | 2501 |
Рабочая среда | воздух, водяной пар, вода и другие нейтральные газы и пары |
Материал корпуса | серый чугун |
Номинальное давление, МПа | 1,6 |
Номинальный диаметр, мм | 15-200 (DN) |
Максимальная температура, °C | 300 |
Давление открытия (тип 01-1, 02-1, 05-1, 07-1), бар | 0,45-16 |
Давление открытия (тип 01-2(3), 02-2(3), 05-2(3), 07-2(3)), бар | 1-16 |

Схема - конструкция клапана
Наименование | Материал деталей | |
Исполнение | 01-1, 02-1, 05-1, 07-1 (ex.2501) | 01-2(3), 02-2(3), 05-2(3), 07-2(3) (ex.2501.11A) |
1 корпус | EN-GJL-250 5.1301 (ex/JL1040) | |
2 седло | X39CrMo17-1 | |
3 тарелка | X39CrMo17-1 | X6CrNiTi18-10/EPDM или NBR |
4 колокол | EN-GJS-400-15 5.3106 (ex.JS 1030) | |
5 колпак | EN-GJS-400-15 5.3106 (ex.JS 1030) | |
6 стержень | X20Cr13 | |
7 капюшон | EN-GJS-400-15 5.3106 (ex.JS 1030) | |
8 пружина | 51CrV4 | |
9 вставка | C22 | |

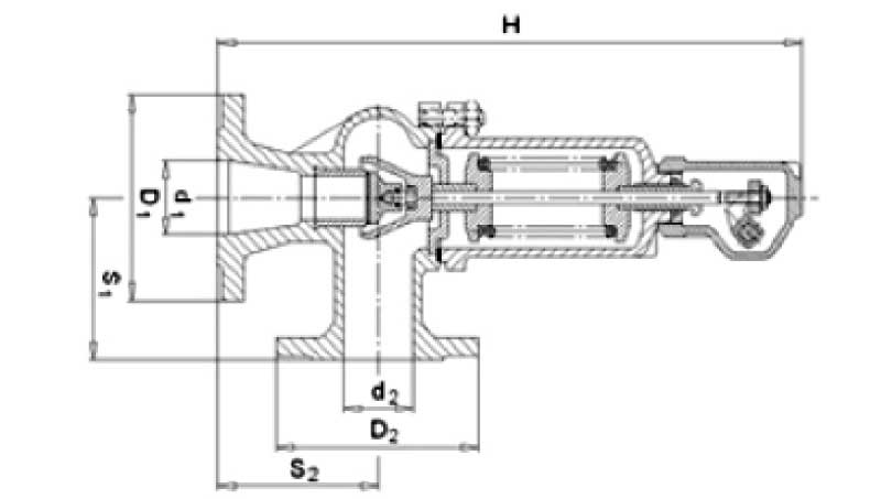
Схема - габаритные размеры
Материал корпуса А | Масса | |||||||
DN | d0 | A | D1 | S1 | D2 | S2 | H | |
d1 d2 | мм | мм | мм | кг | ||||
15 15 | 12 | 113 | 98 | 98 | 90 | 90 | 330 | 6,0 |
20 20 | 12 | 113 | 105 | 105 | 95 | 95 | 335 | 6,0 |
25 25 | 16 | 201 | 115 | 115 | 100 | 100 | 350 | 8,0 |
32 32 | 20 | 314 | 140 | 140 | 105 | 105 | 390 | 10,0 |
40 40 | 25 | 491 | 150 | 150 | 115 | 115 | 420 | 12,0 |
50 50 | 32 | 804 | 165 | 165 | 125 | 125 | 495 | 20,0 |
65 65 | 40 | 185 | 185 | 145 | 145 | 550 | 25,0 | |
80 80 | 50 | 200 | 200 | 155 | 155 | 655 | 36,0 | |
100 100 | 63 | 220 | 220 | 175 | 175 | 705 | 47,0 | |
125 125 | 77 | 250 | 250 | 200 | 200 | 810 | 74,0 | |
150 150 | 93 | 285 | 285 | 225 | 225 | 850 | 100,0 | |
200 200 | 110 | 340 | 340 | 250 | 250 | 990 | 140,0 | |
ДОСТАВКА
Вы можете выбрать любой наиболее удобный способ из перечисленных ниже:
Доставка до терминала ТК «Деловые линии» осуществляется нами бесплатно.
ОПЛАТА
Мы принимаем оплату:
Цены на поставляемые нами товар всегда ниже, чем у наших конкурентов.
Условия гарантийного обслуживания
Гарантия не распространяется на ущерб, причиненный другому оборудованию, работающему вместе с данным изделием.
Центр измерительной техники «Эталонприбор» располагает своим собственным ремонтным сервисом, где Вы можете получить услуги по: ремонту, наладке, калибровке, гарантийному и послегарантийному обслуживанию измерительного оборудования, как приобретенного у нас, так и у других поставщиков. Сервис работает на основе лицензии, выданной Ростехрегулированием РФ.
