Клапан предохранительный Armak 240F предназначен для защиты систем от повышения давления выше допустимого путем сброса рабочей среды непосредственно в окружающую среду.
Ех. индекс | 2502 |
Рабочая среда | воздух, водяной пар, вода и другие нейтральные газы и пары |
Материал корпуса | литая сталь |
Номинальное давление, МПа | 4,0 |
Номинальный диаметр, мм | 20-200 (DN) |
Максимальная температура, °C | 400 |
Давление открытия, бар | 0,45-40 |

Схема - конструкция клапана
Наименование | Материал |
|
Исполнение | 01-1, 05-1 (ex.2302) | 01-2(3), 02-2(3), 05-2(3), 07-2(3) (ex.2502.11A) |
1 корпус | GP240GH | |
2 седло | X39CrMo17-1 | |
3 тарелка | X39CrMo17-1 | X20Cr13 |
4 колокол | EN-GJS-400-15 | |
5 колпак | EN-GJL-400-15/GP240GH | EN-GJL-400-15 |
6 стержень | X20Cr13 | |
7 капюшон | EN-GJL-400-15 | |
8 пружина | 51CrV4 | |
9 вставка | C22 | |

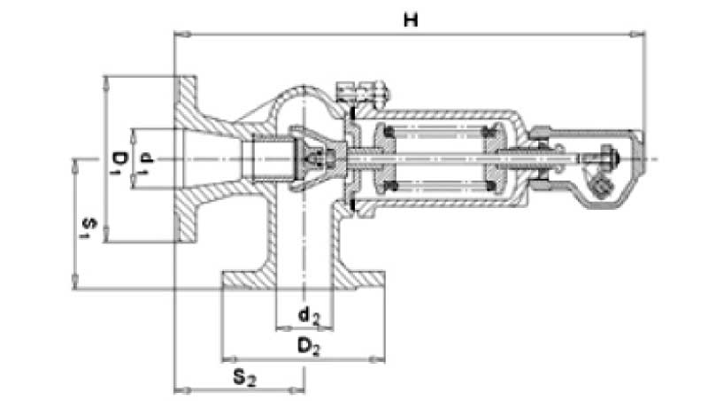
Схема - габаритные размеры
DN | d0 | A | D1 | S1 | D2 | S2 | H | H со вставкой | Масса | |
d1 d2 | мм | мм | мм | кг | ||||||
20 20 | 12 | 113 | - | 105 | 95 | 105 | 95 | 335 | - | 7,0 |
25 25 | 16 | 201 | - | 115 | 100 | 115 | 100 | 350 | 410 | 9,0 |
32 32 | 20 | 314 | - | 140 | 105 | 140 | 105 | 390 | 460 | 12,0 |
40 40 | 25 | 491 | - | 150 | 115 | 150 | 115 | 420 | 495 | 14,0 |
50 50 | 32 | 804 | - | 165 | 125 | 165 | 125 | 485 | 575 | 22,0 |
65 65 | 40 | 1257 | - | 185 | 145 | 185 | 145 | 540 | 645 | 28,0 |
80 80 | 50 | 1964 | - | 200 | 155 | 200 | 155 | 655 | 765 | 40,0 |
100 100 | 63 | 3117 | - | 235 | 175 | 220 | 175 | 705 | 835 | 52,0 |
125 125 | 77 | 4657 | - | 270 | 200 | 250 | 200 | 810 | 955 | 80,0 |
150 150 | 93 | 6793 | - | 300 | 225 | 285 | 225 | 850 | -* | 110,0 |
200 200 | 110 | 9503 | 360 | - | 225 | 340 | 250 | 980 | -* | 150,0 |
ДОСТАВКА
Вы можете выбрать любой наиболее удобный способ из перечисленных ниже:
Доставка до терминала ТК «Деловые линии» осуществляется нами бесплатно.
ОПЛАТА
Мы принимаем оплату:
Цены на поставляемые нами товар всегда ниже, чем у наших конкурентов.
Условия гарантийного обслуживания
Гарантия не распространяется на ущерб, причиненный другому оборудованию, работающему вместе с данным изделием.
Центр измерительной техники «Эталонприбор» располагает своим собственным ремонтным сервисом, где Вы можете получить услуги по: ремонту, наладке, калибровке, гарантийному и послегарантийному обслуживанию измерительного оборудования, как приобретенного у нас, так и у других поставщиков. Сервис работает на основе лицензии, выданной Ростехрегулированием РФ.
