Клапан предохранительный КПМ 10 модульного монтажа предназначен для ограничения величины давления подводимого к нему потока масла, поддержания установленного давления и предохранения гидросистемы от перегрузки.
Структура условного обозначения клапана КПМ 10 / X1 X2 X3 - X4 1:

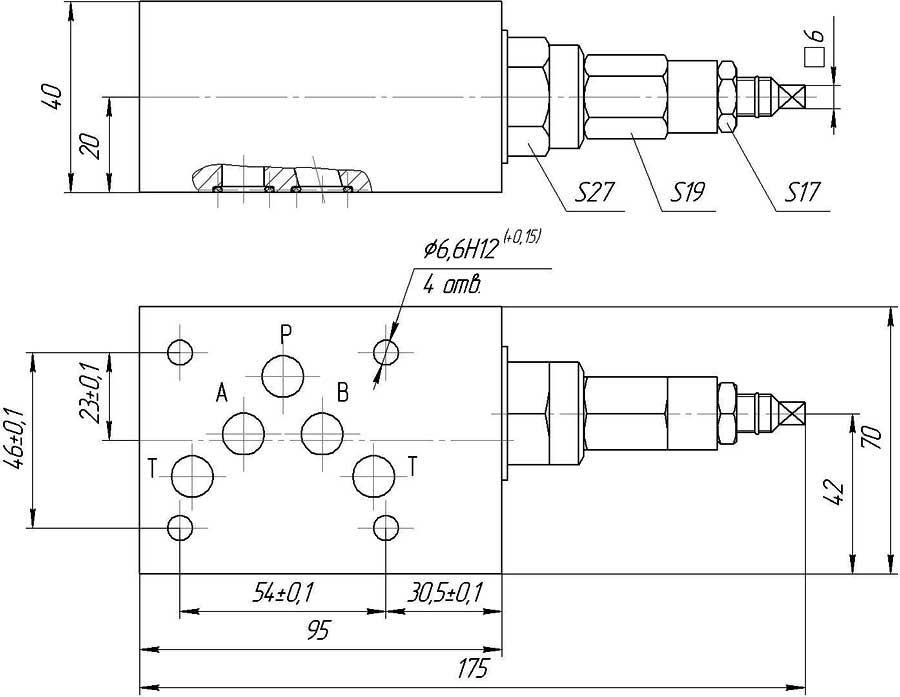
Конструктивная схема клапана КПМ 10/*БА

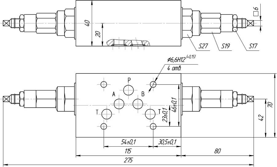
Конструктивная схема клапанов КПМ 10/*БР и КПМ 10/* БВ

Конструктивная схема клапана КПМ 10/*БАВ
Пока давление в системе не преодолеет усилие, на которое настроена пружина, гидравлически уравновешенный золотник перекрывает выход масла на слив.
При повышении давления в гидросистеме конусный клапан, преодолевая усилие пружины, открывается, и масло поступает на слив.
С падением давления в гидросистеме ниже того, на которое настроена пружина, конусный клапан закрывается, прекращая поток масла на слив.
Давление на входе, МПа: | 6,3 | 10 | 20 | 32 |
Диапазон настройки давления, МПа: | 0,4-7,0 | 0,5-12,5 | 2-25 | 5-35 |
Расход рабочей жидкости, л/мин: | 63 | |||
Внутренняя герметичность (максимальные внутренние утечки), см3/мин, не более | 75 | 100 | 150 | 200 |
Максимальное превышение давления настройки при мгновенном возрастании давления, МПа | 3,5 | |||
Момент силы, Нм, не более | 0,6 | |||
Масса (без рабочей жидкости), кг, не более, для исполнений: | 2,6 | |||
ДОСТАВКА
Вы можете выбрать любой наиболее удобный способ из перечисленных ниже:
Доставка до терминала ТК «Деловые линии» осуществляется нами бесплатно.
ОПЛАТА
Мы принимаем оплату:
Цены на поставляемые нами товар всегда ниже, чем у наших конкурентов.
Условия гарантийного обслуживания
Гарантия не распространяется на ущерб, причиненный другому оборудованию, работающему вместе с данным изделием.
Центр измерительной техники «Эталонприбор» располагает своим собственным ремонтным сервисом, где Вы можете получить услуги по: ремонту, наладке, калибровке, гарантийному и послегарантийному обслуживанию измерительного оборудования, как приобретенного у нас, так и у других поставщиков. Сервис работает на основе лицензии, выданной Ростехрегулированием РФ.
