Клапан сильфонный регулирующий АИ 11 предназначен для использования в качестве регулирующих устройств в системах и оборудованииАЭС с реакторами ВВЭР
| Пропускная характеристика клапана | специальная строго монотонная |
| Направление подачи рабочей среды | под золотник |

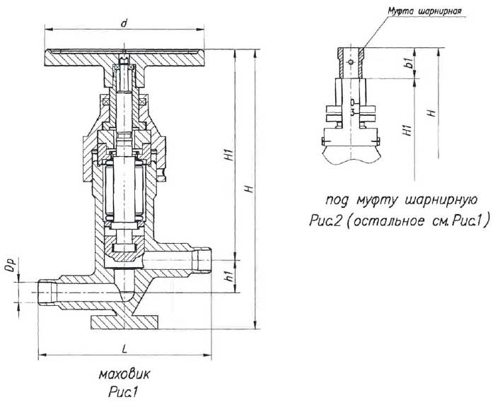
Клапан сильфонный АИ 11 - конструктивная схема №1

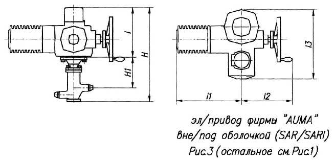
Клапан сильфонный АИ 11 - конструктивная схема №2
ДОСТАВКА
Вы можете выбрать любой наиболее удобный способ из перечисленных ниже:
Доставка до терминала ТК «Деловые линии» осуществляется нами бесплатно.
ОПЛАТА
Мы принимаем оплату:
Цены на поставляемые нами товар всегда ниже, чем у наших конкурентов.
Условия гарантийного обслуживания
Гарантия не распространяется на ущерб, причиненный другому оборудованию, работающему вместе с данным изделием.
Центр измерительной техники «Эталонприбор» располагает своим собственным ремонтным сервисом, где Вы можете получить услуги по: ремонту, наладке, калибровке, гарантийному и послегарантийному обслуживанию измерительного оборудования, как приобретенного у нас, так и у других поставщиков. Сервис работает на основе лицензии, выданной Ростехрегулированием РФ.
