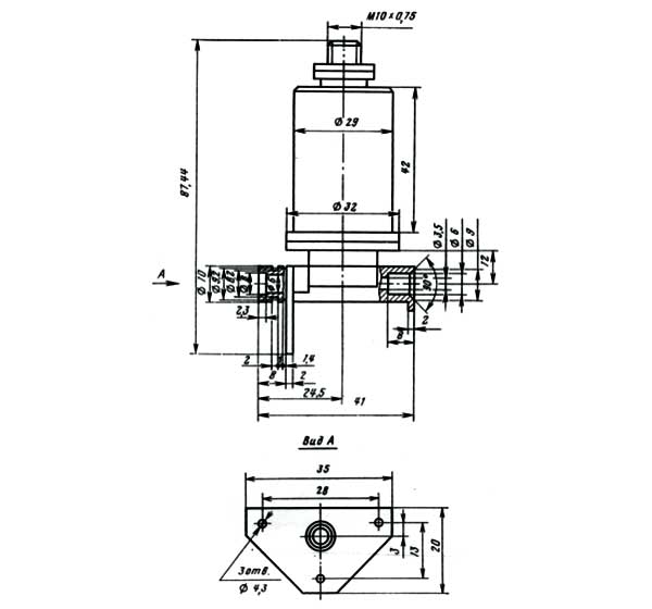
Клапан управляющий УФ 96437-006 для многократного открытия, закрытия газовой магистрали в газо-реактивных системах ориентации и стабилизации Космических Летательных аппаратов (КЛА).

Схема - габаритные размеры клапана
| Параметры | Значение |
| Рабочая среда | агрессивные среды |
| Давление рабочей среды на входе, МПа (кгс/см2) | 0,01-0,5 (0,1-5,0) |
| Температура рабочего тела и окружающей конструкции,°С | от -60 до +80 |
| Масса, кг | 0,23 |
Клапан управляющий широко используется в составе КЛА "Марс", "Вега", "Фобос".
ДОСТАВКА
Вы можете выбрать любой наиболее удобный способ из перечисленных ниже:
Доставка до терминала ТК «Деловые линии» осуществляется нами бесплатно.
ОПЛАТА
Мы принимаем оплату:
Цены на поставляемые нами товар всегда ниже, чем у наших конкурентов.
Условия гарантийного обслуживания
Гарантия не распространяется на ущерб, причиненный другому оборудованию, работающему вместе с данным изделием.
Центр измерительной техники «Эталонприбор» располагает своим собственным ремонтным сервисом, где Вы можете получить услуги по: ремонту, наладке, калибровке, гарантийному и послегарантийному обслуживанию измерительного оборудования, как приобретенного у нас, так и у других поставщиков. Сервис работает на основе лицензии, выданной Ростехрегулированием РФ.
