Клапан запорный продувочный СК 23010 предназначен для установки в качестве запорного устройства на сосудах и трубопроводах.
| Модификации | Рабочая среда | Масса, кг |
| СК23010-006 | Воздух, азот, кислород, природный газ | 0,79 |
| СК23010-006-01 |

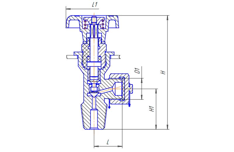
Рисунок - схема клапанов СК 23009-006, СК 23010-006
| Модификации | D1 | L | L1 | H | H1 |
| СК23010-006 | G 3/4-B | 32 | 64 | 120 | 46 |
| СК23010-006-01 | 32 | 64 | 120 | 46 |
ДОСТАВКА
Вы можете выбрать любой наиболее удобный способ из перечисленных ниже:
Доставка до терминала ТК «Деловые линии» осуществляется нами бесплатно.
ОПЛАТА
Мы принимаем оплату:
Цены на поставляемые нами товар всегда ниже, чем у наших конкурентов.
Условия гарантийного обслуживания
Гарантия не распространяется на ущерб, причиненный другому оборудованию, работающему вместе с данным изделием.
Центр измерительной техники «Эталонприбор» располагает своим собственным ремонтным сервисом, где Вы можете получить услуги по: ремонту, наладке, калибровке, гарантийному и послегарантийному обслуживанию измерительного оборудования, как приобретенного у нас, так и у других поставщиков. Сервис работает на основе лицензии, выданной Ростехрегулированием РФ.
