Клапан запорный сильфонный вакуумный СК 26013 предназначен для установки в качестве запорных устройств на трубопроводах для инертных газов и воздуха.
| Исполнение | DN, мм | Масса, кг |
| СК26013-003 15Б 50р 3М | 3 | 0,92 |
| СК26013-003-01 15Б 50р 4М | 0,85 | |
| СК26013-010 15Б 50р 3М | 10 | 0,90 |
| СК26013-010-01 15Б 50р 4М | 0,84 | |
| СК26013-020 15Б 50р 3М | 20 | 1,55 |
| СК26013-020-01 15Б 50р 4М | 1,31 | |
| СК26008-025 15Б 24р | 25 | 1,2 |

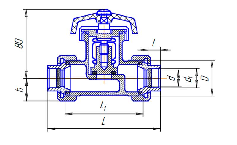
Рисунок 1 - Схема клапанов СК26013-003 15Б 50р 3М, СК26013-010 15Б 50р 3М, СК26013-020 15Б 50р 3М

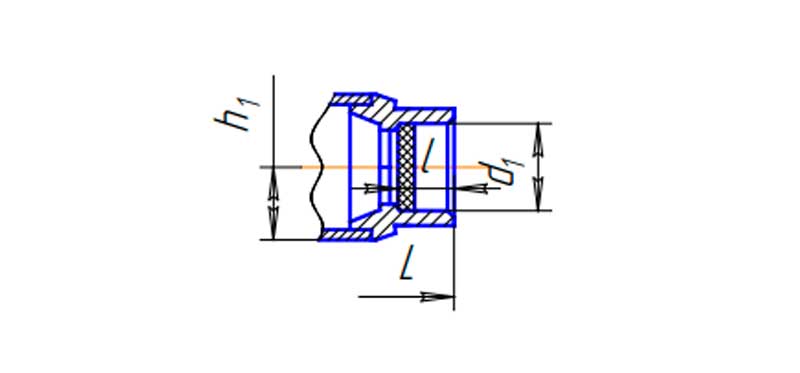
Рисунок 2 - Схема клапанов СК26013-003-01 15Б 50р 4М, СК26013-010-01 15Б 50р 4М, СК26013-020-01 15Б 50р 4М

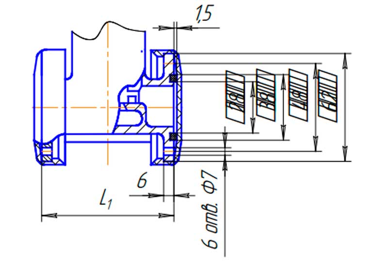
Рисунок 3 - Схема клапана СК26008-025 15Б 24р
| Модификация | D | d1 (по Н12) | d (по Н14) | L | L1 | l | h | h1 |
| СК26013-003 15Б 50р 3М | М27х1,5 | 6 | 3 | 90 | 65 | 10 | 16 | |
| СК26013-003-01 15Б 50р 4М | 12 | |||||||
| СК26013-010 15Б 50р 3М | М27х1,5 | 12 | 10 | 65 | 16 | |||
| СК26013-010-01 15Б 50р 4М | 12 | |||||||
| СК26013-020 15Б 50р 3М | М27х1,5 | 24 | 20 | 125 | 90 | 15 | 26 | |
| СК26013-020-01 15Б 50р 4М | 19 | |||||||
| СК26008-025 15Б 24р | 62 | 48 | 28 | 75 | 6 | 1,5 |
ДОСТАВКА
Вы можете выбрать любой наиболее удобный способ из перечисленных ниже:
Доставка до терминала ТК «Деловые линии» осуществляется нами бесплатно.
ОПЛАТА
Мы принимаем оплату:
Цены на поставляемые нами товар всегда ниже, чем у наших конкурентов.
Условия гарантийного обслуживания
Гарантия не распространяется на ущерб, причиненный другому оборудованию, работающему вместе с данным изделием.
Центр измерительной техники «Эталонприбор» располагает своим собственным ремонтным сервисом, где Вы можете получить услуги по: ремонту, наладке, калибровке, гарантийному и послегарантийному обслуживанию измерительного оборудования, как приобретенного у нас, так и у других поставщиков. Сервис работает на основе лицензии, выданной Ростехрегулированием РФ.
