по РФ бесплатно
пн-пт 9:00-18:00
пн-пт 9:00-18:00
по РФ бесплатно
Ваш город
Нет
Да
КОНТАКТНАЯ ИНФОРМАЦИЯ
Телефоны:8 (800) 777-30-09 (по РФ бесплатно), 8 (495) 748-30-09, 748-30-60, 664-28-44.
Адрес:141006, Московская обл., г. Мытищи, Олимпийский пр-т, д. 29, стр. 2, офис 43/1.
УВАЖАЕМЫЕ КЛИЕНТЫ!
Цены на сайте могут отличаться, просьба уточнять конечную стоимость у наших менеджеров!
TMM-540



КПСР1-80-40-1.2100-ВЧ-2,5-1-220-У

Цена:
121 889
Общая стоимость 0 руб.
В корзину
Купить в 1 клик
Нашли дешевле?
Снизим цену!
В избранное
Стоимость доставки от 800 ₽ (уточнять у менеджера)
Срок доставки: 2 - 10 дней при наличии товара на складе
Бесплатная доставка от 50000₽
Безналичный расчет для юридических лиц
Самовывоз со склада компании ЭТАЛОНПРИБОР
Более 350 брендов
Самые лучшие
цены
Техническая
документация
Быстрая доставка
по России
Сервисный
центр
  • Описание
  • Доставка и оплата
  • Гарантия и возврат
  • Отзывы
  • Сервис
Описание

Клапаны проходные односедельные запорно-регулирующие КПСР, предназначены для применения в системах автомтического регулирования и управления технологическими процессамми путем изменения расхода рабочих сред (кроме вакуума), транспортируемых по трубопроводам различного назначения.

Серия 100 предназначена для установки в системах тепловодоснабжения на холодную и горячую воду или 30% водный раствор этиленгликоля с температурой до 150°С и давлением до 1,6МПа.

Серия 200 применяется для водяного и насыщенного пара температурой до 220°С и условным давлением 1,6; 2,5; 4,0 МПа.

Направление подачи рабочей среды одностороннее – по стрелке- указателю на корпусе. Усилие, развиваемое ЭИМ, передается на плунжер, который перемещается вверх и вниз, изменяя площадь проходного сечения в затворе и регулируя расход рабочий среды. Это усилие существенно уменьшается благодаря разгрузке плунжера.

В зависимости от значения условного прохода DN предусмотрены два базовых исполнения клапанов:

  1. DN 15…50 – исполнение со штоком не разгруженным по давлению среды (Рис. 1);
  2. DN 65…200 – исполнение с разгруженным штоком(Рис. 2)– используется для увеличения допустимого перепада давления на клапане. При такой конструкции в крышке клапана размещается дополнительная втулка, в которой перемещается поршень, связанный со штоком плунжера. Втулка с поршнем образует камеру разгрузки, которая за счет отверстий в плунжере связана с входной полостью клапана. Коэффициент разгрузки близок к единице.
DN 15…50 – исполнение со штоком не разгруженным по давлению среды
DN 65…200 – исполнение с разгруженным штоком

Основные технические характеристики

Клапаны проходные седельные регулирующие с приводом SAUTER (управляющий сигнал0-10В или 4…20 мА)

Марка

DN, мм

Условная пропускная способность Кv, м³/ч

Наименование

Температура рабочей среды t, ºC

Условное давл. РN, не более, кгс/см²

Рабочая среда

Строит. длина, мм

Масса, кг

КПСР

Корпус-чугун СЧ20

15

0,16 0,25 0,4 0,63 1,0 1,6 2,5 3,2

КПСР 1-15-ХХХ-1.2100-СЧ-1,6-1-150-У

до +150

16

Холодная и горячая вода

130

6

25

1,6 2,5 4,0 6,3 10

КПСР 1-25-ХХХ-1.2100-СЧ-1,6-1-150-У

160

8

32

6,3 10 16

КПСР 1-32-ХХХ-1.2100-СЧ-1,6-1-150-У

180

11

40

10 16 25

КПСР 1-40-ХХХ-1.2100-СЧ-1,6-1-150-У

200

15

50

10 16 25 32 40

КПСР 1-50-ХХХ-1.2100-СЧ-1,6-1-150-У

230

17

65

25 32 40 63

КПСР 1-65-ХХХ-1.2100-СЧ-1,6-1-150-У

290

25

80

40 63 100

КПСР 1-80-ХХХ-1.2100-СЧ-1,6-1-150-У

310

33

100

63 100 160

КПСР 1-100-ХХХ-1.2100-СЧ-1,6-1-150-У

350

40

125

100 125 160 250

КПСР 1-125-ХХХ-1.2100-СЧ-1,6-1-150-У

400

52

КПСР

Корпус-высокопрочный чугун(ВЧ)

15

0,16 0,25 0,4 0,63 1,0 1,6 2,5 3,2

КПСР 1-15-ХХХ-1.2100-ВЧ-2,5-1-220-У

до +220

25

Водяной и насыщенный пар

130

6

25

1,6 2,5 4,0 6,3 10

КПСР 1-25-ХХХ-1.2100-ВЧ-2,5-1-220-У

160

8

32

6,3 10 16

КПСР 1-32-ХХХ-1.2100-ВЧ-2,5-1-220-У

180

11

40

10 16 25

КПСР 1-40-ХХХ-1.2100-ВЧ-2,5-1-220-У

200

15

50

10 16 25 32 40

КПСР 1-50-ХХХ-1.2100-ВЧ-2,5-1-220-У

230

17

65

25 32 40 63

КПСР 1-65-ХХХ-1.2100-ВЧ-2,5-1-220-У

290

25

80

40 63 100

КПСР 1-80-ХХХ-1.2100-ВЧ-2,5-1-220-У

310

33

100

63 100 160

КПСР 1-100-ХХХ-1.2100-ВЧ-2,5-1-220-У

350

40

125

100 125 160 250

КПСР 1-125-ХХХ-1.2100-ВЧ-2,5-1-220-У

400

52

Клапаны проходные седельные регулирующие с приводом REGADA (СЕРИЯ 100)

Марка

DN, мм

Условная пропускная способность Кv, м³/ч

Наименование

Температура рабочей среды t, ºC

Условное давл. РN, не более, кгс/см²

Рабочая среда

Строит. длина, мм

Масса, кг

КПСР

Корпус-чугун СЧ20

15

0,16 0,25 0,4 0,63 1,0 1,6 2,5 3,2

КПСР 1-15-ХХХ-1.1100-СЧ-1,6-1-150-У

до +150

16

Холодная и горячая вода

130

6

25

1,6 2,5 4,0 6,3 10

КПСР 1-25-ХХХ-1.1100-СЧ-1,6-1-150-У

160

8,5

32

6,3 10 16

КПСР 1-32-ХХХ-1.1100-СЧ-1,6-1-150-У

180

11

40

10 16 25

КПСР 1-40-ХХХ-1.1100-СЧ-1,6-1-150-У

200

13

50

10 16 25 32 40

КПСР 1-50-ХХХ-1.1200-СЧ-1,6-1-150-У

230

17

65

25 32 40 63

КПСР 1-65-ХХХ-1.1200-СЧ-1,6-1-150-У

290

25

80

40 63 100

КПСР 1-80-ХХХ-1.1200-СЧ-1,6-1-150-У

310

33

100

63 100 160

КПСР 1-100-ХХХ-1.1200-СЧ-1,6-1-150-У

350

40

125

100 125 160 250

КПСР 1-125-ХХХ-1.1300-СЧ-1,6-1-150-У

400

53

Клапаны проходные седельные регулирующие с приводом REGADA (СЕРИЯ 200)

Марка

DN, мм

Условная пропускная способность Кv, м³/ч

Наименование

Температура рабочей среды t, ºC

Условное давл. РN, не более, кгс/см²

Рабочая среда

Строит. длина, мм

Масса, кг

Клапаны проходные седельные регулирующие с приводом REGADA (СЕРИЯ 200)

КПСР

Корпус-высокопрочный чугун(ВЧ)

15

0,16 0,25 0,4 0,63 1,0 1,6 2,5 3,2

КПСР 1-15-ХХХ-1.1100-ВЧ-2,5-1-220-У

до +220

25

Водяной и насыщенный пар

130

6

25

1,6 2,5 4,0 6,3 10

КПСР 1-25-ХХХ-1.1100-ВЧ-2,5-1-220-У

160

8,5

32

6,3 10 16

КПСР 1-32-ХХХ-1.1100-ВЧ-2,5-1-220-У

180

11

40

10 16 25

КПСР 1-40-ХХХ-1.1100-ВЧ-2,5-1-220-У

200

13

50

10 16 25 32 40

КПСР 1-50-ХХХ-1.1200-ВЧ-2,5-1-220-У

230

17

65

25 32 40 63

КПСР 1-65-ХХХ-1.1200-ВЧ-2,5-1-220-У

290

25

80

40 63 100

КПСР 1-80-ХХХ-1.1200-ВЧ-2,5-1-220-У

310

33

100

63 100 160

КПСР 1-100-ХХХ-1.1200-ВЧ-2,5-1-220-У

350

40

125

100 125 160 250

КПСР 1-125-ХХХ-1.1300-ВЧ-2,5-1-220-У

400

53

ХХХ - пропускная способность Kv

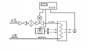
Схемы подключения

Схема системы регулирования температуры горячей воды
Схема системы регулирования температуры смешанной воды в отоплении
Схема системы регулирования температуры воздуха
Схема системы регулирования для ЦТП
Развернуть полное описание
Доставка и оплата

ДОСТАВКА

Вы можете выбрать любой наиболее удобный способ из перечисленных ниже:

  • Самовывоз со склада компании ЭТАЛОНПРИБОР
  • Доставка через транспортную компанию "Деловые линии"
  • Доставка экспресс - почтой "ПОНИ-ЭКСПРЕСС" до двери
  • Доставка по Москве и области нашими экспедиторами и курьерами
  • Доставка через транспортную компанию "ПЭК"
  • Отправка посылкой с помощью Почты России
  • Доставка через транспортную компанию покупателя

Доставка до терминала ТК «Деловые линии» осуществляется нами бесплатно.

ОПЛАТА

Мы принимаем оплату:

  • по безналичному расчету
  • перечислением денежных средств на расчетный счет для юридических лиц
  • банковским переводом для физических.

Цены на поставляемые нами товар всегда ниже, чем у наших конкурентов.

Гарантия и возврат

Условия гарантийного обслуживания

  1. Гарантия действительна только при наличии гарантийного талона с указанием заводского номера изделия, гарантийного срока и печати поставщика.
  2. Гарантия предусматривает бесплатный ремонт изделия или замену запасных частей, комплектующих в течении гарантийного срока, указанного в гарантийном талоне.
  3. Заводской номер и наименование изделия должны соответствовать указанным в гарантийном талоне.
  4. Изделие снимается с гарантийного обслуживания в следующих случаях:
    1. Нарушения условий эксплуатации, изложенных в технической документации изделия, которые привели к выходу изделия из строя, включая неисправности, вызванные использованием нештатных аксессуаров;
    2. Нарушения гарантийных пломб, в случае наличия следов вскрытия или взлома корпуса изделия;
    3. Ремонта в неуполномоченном сервисном центре или самостоятельно (кроме элементов и источников питания, замена которых предусмотрена производителем);
    4. Использования изделия не по назначению;
    5. Нарушения правил хранения и транспортирования;
    6. Наличия внешних механических повреждений, включая повреждения разъёмов и контактов;
    7. Наличия внешних повреждений, вызванных стихией, пожаром, молнией, высоким напряжением;
    8. Попадания внутрь влаги, инородных предметов и т.п.
    9. Неправильном включении в сеть.
  5. Гарантия не распространяется на расходные материалы и прочие детали, имеющие ограниченный срок службы: элементы питания (в т.ч. аккумуляторы), имеющие ограниченную прочность.
  6. Недополученная в связи с появлением неисправности прибыль и другие косвенные расходы не подлежат возмещению.

Гарантия не распространяется на ущерб, причиненный другому оборудованию, работающему вместе с данным изделием.

Отзывы
Отзывы о товаре КПСР1-80-40-1.2100-ВЧ-2,5-1-220-У
Сервис

Центр измерительной техники «Эталонприбор» располагает своим собственным ремонтным сервисом, где Вы можете получить услуги по: ремонту, наладке, калибровке, гарантийному и послегарантийному обслуживанию измерительного оборудования, как приобретенного у нас, так и у других поставщиков. Сервис работает на основе лицензии, выданной Ростехрегулированием РФ.

 
Подробнее
 
Сервисное обслуживание
Простой обмен и возврат
Поможем решить любую проблему с товаром
Собственный сервисный центр
Устраним любую неисправность по гарантии. Срок указан без учета логистики
Сервисы по всей России
Обращайтесь за обслуживанием в авторизованные сервисы производителя
Похожие товары
 
Полезные статьи
При выборе манометра необходимо учитывать ряд важных факторов, чтобы прибор подходил для конкретной системы.
Уровень влажности в помещении играет важную роль в формировании оптимальных условий для комфортного пребывания. Для определения этого параметра используются устройства, называемые гигрометрами. В этой статье мы расскажем, как выбрать подходящее оборудование такого типа для различных объектов.
Осциллограф — это прибор для наблюдения, измерения, записи и анализа амплитудных и временных характеристик электрического сигнала. Подаваемый на вход устройства, он отображается либо на экране, либо фиксируется на фотоленте для последующего изучения.
Если вы задумались о приобретении мультиметра, важно заранее ознакомиться с рядом полезных рекомендаций, которые помогут сделать правильный выбор. Мы подготовили небольшую статью, которая, надеемся, окажется полезной.
Цифровой тахометр — это прибор, предназначенный для измерения частоты вращения различных объектов, таких как валы, двигатели и роторы. В отличие от аналоговых моделей, цифровые тахометры обеспечивают высокую точность измерений и удобство использования благодаря современным технологиям и информативному дисплею. Они широко используются в самых разных отраслях: от автомобильного сервиса и промышленности до научных исследований и контроля вентиляционных систем.
Мегаомметр – это специализированный прибор, предназначенный для измерения сопротивления изоляции электрических цепей и оборудования. В условиях современного мира, где электричество играет ключевую роль во всех сферах жизни, обеспечение безопасности и надежности электрических систем становится особенно важным. От качества изоляции проводников и оборудования зависит не только эффективность их работы, но и безопасность людей и объектов, которые они обслуживают.
Измерительные приборы играют ключевую роль в различных отраслях, начиная от промышленности и строительства, заканчивая медициной и научными исследованиями. Правильная эксплуатация и уход за этими приборами являются залогом точных измерений и долговечности оборудования.
Осциллографы играют ключевую роль в современных лабораториях и на производственных предприятиях, являясь незаменимым инструментом для анализа и визуализации электрических сигналов. Независимо от того, являетесь ли вы инженером-электронщиком, студентом технического вуза или энтузиастом электроники, понимание принципов работы осциллографов, их видов и характеристик, а также правил эксплуатации и ухода за ними, имеет первостепенное значение.
Амперметр предназначен для измерения величины тока в электрических цепях, выраженной в амперах. В основе его работы лежит простой принцип: инструмент позволяет наглядно увидеть мощность тока, потребляемого устройствами, подключенными к сети. Обычно амперметр подключают в цепь с нагрузкой, поэтому ток, протекающий через него, идентичен току, проходящему через любой другой элемент цепи, будь то нагреватель, мотор или лампочка.
На этапах возведения, отделки и монтажа различных сооружений большую роль играют точность разметки и идеальное выравнивание. Достижение профессиональных стандартов качества возможно при использовании лазерного нивелира. Для выбора подходящей модели целесообразно ознакомиться с механизмом работы этих устройств.
Новинки
Недавно просмотренные