Кран-регулятор УФ 90154М-063.00.00 (УФ 90154-080.00.00) предназначен для подачи и регулирования давления воздуха "после себя" в бортовых системах самолета, в том числе в воздушно-тепловых противообледенительных системах.
| Диаметр подсоединительных трубопроводов, мм | 63 |
| Давление (абсолютное) на входе, МПа (кгс/см2) | 0,098-0,98 (1,0-10) |
| Давление (абсолютное) на выходе из регулятора, где: K=3,5; PH - давление окружающей среды | Pвых=K·PH |
| Расход воздуха в наземных условиях, кг/ч | 900-1800 |
| Температура воздуха на воде,оС | 160-310 |
| Утечка воздуха в атмосферу в наземных условиях при давлении на входе 7 кгс/см2 и температуре 10-30оС, кг/ч | 5 |
| Перетикание воздуха через закрытую заслонку при избыточном давлении на входе 7 кгс/см2 и температуре 15-35оС, кг/ч | 50 |
Напряжение питания электромагнита то сети постоянного тока, В Потребляемый ток, А | 27 не более 0,5 |
| Установочное положение регулятора на трубопроводе | не регламентируется |
| Окружающая среда - атмосферный воздух с давлением, МПа (кгс/см2) | 0,1080-0,0226 (1,10-0,23) |
| Температура окружающей среды, оС | от минус 60 до плюс 100 |
| Масса, кг | 4,5 |
Кран-регулятор представляет собой пневматическую сиситему автоматического регулирования выходного давления с высокой точностьюи коррекцией его величины относительно изменяющегося давления окружающей среды. Подача и перекрытие подачи воздуха осуществляется по электрической команде.
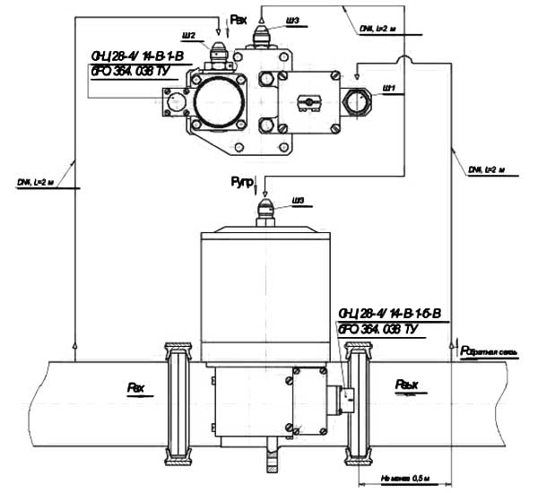
Кран-регулятор выполнен в виде двух блоков.

Схема установки крана-регулятора
Основной корпус исполнительного механизма имеет фланцевое присоединение к трубопроводам DN63 бортовой воздушной системы с помощью специального хомута. Присоединение командного прибора к исполнительному механизму осуществляется с помощью трубопровода DN4.
Предусмотрено дополнительное крепление исполнительного механизма и крепление командного прибора.
Рабочий орган исполнительного механизма имеет сигнализацию положения "Закрыто" и "Регулирование". Контакты сигнализатора положения выделены на специальный разъем установленый на исполнительном механизме.
Управление подачей воздуха осуществляется по электрической команде на электромагнитный привод с электрическим разъемом на командном приборе. При отсутствии электрического сигнала, кран-регулятор закрыт.
ДОСТАВКА
Вы можете выбрать любой наиболее удобный способ из перечисленных ниже:
Доставка до терминала ТК «Деловые линии» осуществляется нами бесплатно.
ОПЛАТА
Мы принимаем оплату:
Цены на поставляемые нами товар всегда ниже, чем у наших конкурентов.
Условия гарантийного обслуживания
Гарантия не распространяется на ущерб, причиненный другому оборудованию, работающему вместе с данным изделием.
Центр измерительной техники «Эталонприбор» располагает своим собственным ремонтным сервисом, где Вы можете получить услуги по: ремонту, наладке, калибровке, гарантийному и послегарантийному обслуживанию измерительного оборудования, как приобретенного у нас, так и у других поставщиков. Сервис работает на основе лицензии, выданной Ростехрегулированием РФ.
