по РФ бесплатно
пн-пт 9:00-18:00
пн-пт 9:00-18:00
по РФ бесплатно
Ваш город
Нет
Да
КОНТАКТНАЯ ИНФОРМАЦИЯ
Телефоны:8 (800) 777-30-09 (по РФ бесплатно), 8 (495) 748-30-09, 748-30-60, 664-28-44.
Адрес:141006, Московская обл., г. Мытищи, Олимпийский пр-т, д. 29, стр. 2, офис 43/1.
УВАЖАЕМЫЕ КЛИЕНТЫ!
Цены на сайте могут отличаться, просьба уточнять конечную стоимость у наших менеджеров!
TMM-540



МВ110-224.1ТД

Цена:
14 152
Общая стоимость 0 руб.
В корзину
Купить в 1 клик
Нашли дешевле?
Снизим цену!
В избранное
Стоимость доставки от 800 ₽ (уточнять у менеджера)
Срок доставки: 2 - 10 дней при наличии товара на складе
Бесплатная доставка от 50000₽
Безналичный расчет для юридических лиц
Самовывоз со склада компании ЭТАЛОНПРИБОР
Более 350 брендов
Самые лучшие
цены
Техническая
документация
Быстрая доставка
по России
Сервисный
центр
  • Описание
  • Доставка и оплата
  • Гарантия и возврат
  • Отзывы
  • Сервис
Описание

Модули предназначены для измерения сигналов мостовых тензометрических датчиков, преобразования данных измерений в значение физической величины и передачи результатов измерения в сеть RS-485.

Коммуникационные возможности

Интерфейс

RS-485

Поддерживаемые протоколы

Modbus RTU

Modbus ASCII

ОВЕН

DCON

Скорость обмена по RS-485

2400…115200 бит/с

  • Автоматическое определение протокола
  • Съемные клеммники с невыпадающими винтами
  • Универсальное питание (=24 В или ~230 В)
  • Обновление встроенного программного обеспечения по RS-485
  • Поддержка облачного сервиса OwenCloud (при использовании сетевого шлюза ПМ210)

Конфигурирование

Конфигурирование модулей Мx110 осуществляется на ПК через адаптер интерфейса RS-485/RS-232 или RS-485/USB (например, ОВЕН АСЗ-М или ОВЕН АС4, соответственно) с помощью программы «Конфигуратор М110», входящей в комплект поставки.

Основные технические характеристики

Модификация

МВ110-224.1ТД

МВ110-224.4ТД

Модуль ввода сигналов тензодатчиков МВ110-224.1ТДМодуль ввода сигналов тензодатчиков МВ110-224.4ТД

Входы

Количество входов

1 AI

4 AI

Типы поддерживаемых сигналов

тензометрический датчик мостового типа

Характеристики аналоговых входов (AI)

Предел основной приведенной погрешности

±0,05 %

Разрядность АЦП

24 бита

Схема подключения мостового тензодатчика

четырех- или шестипроводная

Сопротивление тензодатчика

87…1000 Ом

Максимальная нагрузка (нескольких параллельно подключенных тензодатчиков) на один канал

не менее 87 Ом (4 датчика сопротивлением 350 Ом)

Номинальное напряжение питания (возбуждения) тензодатчика от встроенного источника постоянного тока

2,5 В ±5 %

Время обновления данных измерений в канале

в режиме с возбуждением датчика постоянным напряжением

включен 1 измерительный канал

от 2,1 мс

от 90 мс

включены 2 измерительных канала

от 55 мс

включены 3 измерительных канала

от 80 мс

включены 4 измерительных канала

от 110 мс

в режиме с возбуждением датчика знакопеременным напряжением

включен 1 измерительный канал

от 110 мс

от 330 мс

включены 2 измерительных канала

от 152 мс

включены 3 измерительных канала

от 230 мс

включены 4 измерительных канала

от 310 мс

Время установления рабочего режима (предварительный прогрев)

не более 20 мин

Питание

Тип питания

универсальное ~230 В/=24 В

Напряжение питания

переменное: ~90…264 В (номинальное ~230 В) частотой 47…63 Гц

или

постоянное: =18…30 В (номинальное =24 В)

Потребляемая мощность

не более 5 ВА

Конструктивное исполнение

Габаритные размеры

(63×110×75) ±1 мм

(140×114×75) ±1 мм

Степень защиты

IP20

Монтаж

на DIN-рейку / на стену

Условия эксплуатации

Температура окружающего воздуха

-10…+55 °С

Относительная влажность воздуха (при +25 °С и ниже без конденсации влаги)

не более 80 %

Комплектность

Модуль

1 шт.

Паспорт / Гарантийный талон

1 экз.

Руководство по эксплуатации

1 экз.

Компакт-диск с программным обеспечением

1 шт.

Схемы подключения

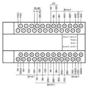
МВ110-224.1ТД

МВ110-224.4ТД

Общий чертеж

Общий чертеж МВ110-224.1ТДОбщий чертеж МВ110-224.4ТД

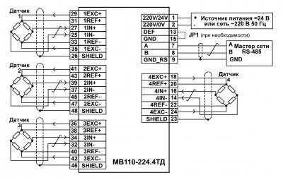
Схема подключения к прибору внешних устройств с применением четырехпроводной схемы подключения к датчику и использованием заземления

Схема подключения МВ110-224.1ТД

Схема подключения к прибору внешних устройств с применением шестипроводной схемы подключения к датчику и без использования заземления

Схема подключения МВ110-224.4ТД

Комплект поставки

  • Прибор МВ110-224.4ТД
  • Паспорт и руководство по эксплуатации
  • Гарантийный талон
Развернуть полное описание
Доставка и оплата

ДОСТАВКА

Вы можете выбрать любой наиболее удобный способ из перечисленных ниже:

  • Самовывоз со склада компании ЭТАЛОНПРИБОР
  • Доставка через транспортную компанию "Деловые линии"
  • Доставка экспресс - почтой "ПОНИ-ЭКСПРЕСС" до двери
  • Доставка по Москве и области нашими экспедиторами и курьерами
  • Доставка через транспортную компанию "ПЭК"
  • Отправка посылкой с помощью Почты России
  • Доставка через транспортную компанию покупателя

Доставка до терминала ТК «Деловые линии» осуществляется нами бесплатно.

ОПЛАТА

Мы принимаем оплату:

  • по безналичному расчету
  • перечислением денежных средств на расчетный счет для юридических лиц
  • банковским переводом для физических.

Цены на поставляемые нами товар всегда ниже, чем у наших конкурентов.

Гарантия и возврат

Условия гарантийного обслуживания

  1. Гарантия действительна только при наличии гарантийного талона с указанием заводского номера изделия, гарантийного срока и печати поставщика.
  2. Гарантия предусматривает бесплатный ремонт изделия или замену запасных частей, комплектующих в течении гарантийного срока, указанного в гарантийном талоне.
  3. Заводской номер и наименование изделия должны соответствовать указанным в гарантийном талоне.
  4. Изделие снимается с гарантийного обслуживания в следующих случаях:
    1. Нарушения условий эксплуатации, изложенных в технической документации изделия, которые привели к выходу изделия из строя, включая неисправности, вызванные использованием нештатных аксессуаров;
    2. Нарушения гарантийных пломб, в случае наличия следов вскрытия или взлома корпуса изделия;
    3. Ремонта в неуполномоченном сервисном центре или самостоятельно (кроме элементов и источников питания, замена которых предусмотрена производителем);
    4. Использования изделия не по назначению;
    5. Нарушения правил хранения и транспортирования;
    6. Наличия внешних механических повреждений, включая повреждения разъёмов и контактов;
    7. Наличия внешних повреждений, вызванных стихией, пожаром, молнией, высоким напряжением;
    8. Попадания внутрь влаги, инородных предметов и т.п.
    9. Неправильном включении в сеть.
  5. Гарантия не распространяется на расходные материалы и прочие детали, имеющие ограниченный срок службы: элементы питания (в т.ч. аккумуляторы), имеющие ограниченную прочность.
  6. Недополученная в связи с появлением неисправности прибыль и другие косвенные расходы не подлежат возмещению.

Гарантия не распространяется на ущерб, причиненный другому оборудованию, работающему вместе с данным изделием.

Отзывы
Отзывы о товаре МВ110-224.1ТД
Сервис

Центр измерительной техники «Эталонприбор» располагает своим собственным ремонтным сервисом, где Вы можете получить услуги по: ремонту, наладке, калибровке, гарантийному и послегарантийному обслуживанию измерительного оборудования, как приобретенного у нас, так и у других поставщиков. Сервис работает на основе лицензии, выданной Ростехрегулированием РФ.

 
Подробнее
 
Сервисное обслуживание
Простой обмен и возврат
Поможем решить любую проблему с товаром
Собственный сервисный центр
Устраним любую неисправность по гарантии. Срок указан без учета логистики
Сервисы по всей России
Обращайтесь за обслуживанием в авторизованные сервисы производителя
Похожие товары
 
Полезные статьи
При выборе манометра необходимо учитывать ряд важных факторов, чтобы прибор подходил для конкретной системы.
Уровень влажности в помещении играет важную роль в формировании оптимальных условий для комфортного пребывания. Для определения этого параметра используются устройства, называемые гигрометрами. В этой статье мы расскажем, как выбрать подходящее оборудование такого типа для различных объектов.
Осциллограф — это прибор для наблюдения, измерения, записи и анализа амплитудных и временных характеристик электрического сигнала. Подаваемый на вход устройства, он отображается либо на экране, либо фиксируется на фотоленте для последующего изучения.
Если вы задумались о приобретении мультиметра, важно заранее ознакомиться с рядом полезных рекомендаций, которые помогут сделать правильный выбор. Мы подготовили небольшую статью, которая, надеемся, окажется полезной.
Цифровой тахометр — это прибор, предназначенный для измерения частоты вращения различных объектов, таких как валы, двигатели и роторы. В отличие от аналоговых моделей, цифровые тахометры обеспечивают высокую точность измерений и удобство использования благодаря современным технологиям и информативному дисплею. Они широко используются в самых разных отраслях: от автомобильного сервиса и промышленности до научных исследований и контроля вентиляционных систем.
Мегаомметр – это специализированный прибор, предназначенный для измерения сопротивления изоляции электрических цепей и оборудования. В условиях современного мира, где электричество играет ключевую роль во всех сферах жизни, обеспечение безопасности и надежности электрических систем становится особенно важным. От качества изоляции проводников и оборудования зависит не только эффективность их работы, но и безопасность людей и объектов, которые они обслуживают.
Измерительные приборы играют ключевую роль в различных отраслях, начиная от промышленности и строительства, заканчивая медициной и научными исследованиями. Правильная эксплуатация и уход за этими приборами являются залогом точных измерений и долговечности оборудования.
Осциллографы играют ключевую роль в современных лабораториях и на производственных предприятиях, являясь незаменимым инструментом для анализа и визуализации электрических сигналов. Независимо от того, являетесь ли вы инженером-электронщиком, студентом технического вуза или энтузиастом электроники, понимание принципов работы осциллографов, их видов и характеристик, а также правил эксплуатации и ухода за ними, имеет первостепенное значение.
Амперметр предназначен для измерения величины тока в электрических цепях, выраженной в амперах. В основе его работы лежит простой принцип: инструмент позволяет наглядно увидеть мощность тока, потребляемого устройствами, подключенными к сети. Обычно амперметр подключают в цепь с нагрузкой, поэтому ток, протекающий через него, идентичен току, проходящему через любой другой элемент цепи, будь то нагреватель, мотор или лампочка.
На этапах возведения, отделки и монтажа различных сооружений большую роль играют точность разметки и идеальное выравнивание. Достижение профессиональных стандартов качества возможно при использовании лазерного нивелира. Для выбора подходящей модели целесообразно ознакомиться с механизмом работы этих устройств.
Новинки
Недавно просмотренные