Насос шестеренный 11НШ-0,8и1 предназначен для дозирования и нагнетания растворов вискозы и ацетата целюлозы.
Номинальная подача, см3/об | 0,835 |
Рабочая температура, °C | 20-40 |
Частота вращения вала насоса, об/ мин | 5-40 |
Давление раствора на выходе из насоса, МПа | 1,0 |
Направление вращения вала со стороны привода | левое |
Неравномерность подачи, % | 1,2 |
Масса, кг | 1,3 |
Устанавливаются на машинах для производства химических нитей.
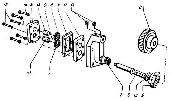
К чугунному корпусу насоса винтами прикреплен насосный блок.
Прядильный раствор по питающему трубопроводу машины подаётся во всасывающий канал корпуса насоса, заполняет впадины между зубьями рабочих шестерен, переносится ими в камеру нагнетания и через нагнетательный канал корпуса выдавливается к фильере.

Схема - габаритные размеры

Конструктивная схема
ДОСТАВКА
Вы можете выбрать любой наиболее удобный способ из перечисленных ниже:
Доставка до терминала ТК «Деловые линии» осуществляется нами бесплатно.
ОПЛАТА
Мы принимаем оплату:
Цены на поставляемые нами товар всегда ниже, чем у наших конкурентов.
Условия гарантийного обслуживания
Гарантия не распространяется на ущерб, причиненный другому оборудованию, работающему вместе с данным изделием.
Центр измерительной техники «Эталонприбор» располагает своим собственным ремонтным сервисом, где Вы можете получить услуги по: ремонту, наладке, калибровке, гарантийному и послегарантийному обслуживанию измерительного оборудования, как приобретенного у нас, так и у других поставщиков. Сервис работает на основе лицензии, выданной Ростехрегулированием РФ.
