Насос шестеренный 16НШ-150НИ предназначен для дозирования и нагнетания раствора полиакрилонитрила на машинах для производства химических нитей.
Вязкость раствора, Па °C | 2-60 |
Рабочая температура, °C | 20-40 |
Частота вращения вала насоса, об/ мин | 10-45 |
Давление расплава на выходе из насоса, МПа | 4,0 |
Масса, кг | 42 |
Насос состоит из блока пластин и привода. В средней пластине блока вращаются две сцепляющиеся между собой прямозубые цилиндрические шестерни с одинаковым числом зубьев.
При их вращении раствор из камеры всасывания попадает во впадины между зубьями, переносится в камеру нагнетания и выдавливается через отверстие в фильерный комплект.
Насосы изготавливаются из материалов, обладающих высокой износостойкостью

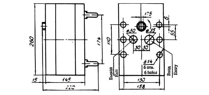
Схема - габаритные размеры насоса
ДОСТАВКА
Вы можете выбрать любой наиболее удобный способ из перечисленных ниже:
Доставка до терминала ТК «Деловые линии» осуществляется нами бесплатно.
ОПЛАТА
Мы принимаем оплату:
Цены на поставляемые нами товар всегда ниже, чем у наших конкурентов.
Условия гарантийного обслуживания
Гарантия не распространяется на ущерб, причиненный другому оборудованию, работающему вместе с данным изделием.
Центр измерительной техники «Эталонприбор» располагает своим собственным ремонтным сервисом, где Вы можете получить услуги по: ремонту, наладке, калибровке, гарантийному и послегарантийному обслуживанию измерительного оборудования, как приобретенного у нас, так и у других поставщиков. Сервис работает на основе лицензии, выданной Ростехрегулированием РФ.
