Насос шестеренный 21НШ-2,4К3 предназначен для дозирования и нагнетания расплавов поликапроамида и полиэтилентерефталата.
Номинальная подача, см3/об | 2,4 |
Вязкость расплава, Па °C | 150-350 |
Рабочая температура, °C | 260-280 |
Частота вращения вала насоса, об/ мин | 5-40 |
Давление расплава, МПа | 0,6-20 (15) |
Масса, кг | 1,75 |
Используется на машинах для производства химических нитей.
Насос представляет собой блок пластин, в средней из которых вращаются две сцепляющиеся между собой прямозубые цилиндрические шестерни с одинаковым числом зубьев.
При вращении шестерен расплав из камеры всасывания попадает во впадины между зубьями рабочих шестерен, переносится ими в камеру нагнетания и выдавливания через отверстие в фильерный комплект.
Насосы изготавливаются из материалов, обладающих высокой износостойкостью.

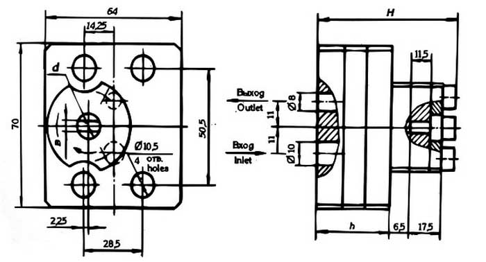
Схема - габаритные размеры насоса
H, мм | 78 |
h, мм | 47 |
b, мм | 8 |
d, мм | 13 |
ДОСТАВКА
Вы можете выбрать любой наиболее удобный способ из перечисленных ниже:
Доставка до терминала ТК «Деловые линии» осуществляется нами бесплатно.
ОПЛАТА
Мы принимаем оплату:
Цены на поставляемые нами товар всегда ниже, чем у наших конкурентов.
Условия гарантийного обслуживания
Гарантия не распространяется на ущерб, причиненный другому оборудованию, работающему вместе с данным изделием.
Центр измерительной техники «Эталонприбор» располагает своим собственным ремонтным сервисом, где Вы можете получить услуги по: ремонту, наладке, калибровке, гарантийному и послегарантийному обслуживанию измерительного оборудования, как приобретенного у нас, так и у других поставщиков. Сервис работает на основе лицензии, выданной Ростехрегулированием РФ.
