Номинальная подача, см3/об | 30 |
Вязкость расплава, Па °C | 150-350 |
Рабочая температура, °C | 260-280 |
Частота вращения вала насоса, об/ мин | 5-40 |
Давление расплава, МПа | 0,6-20 (15) |
Масса, кг | 7,8 |

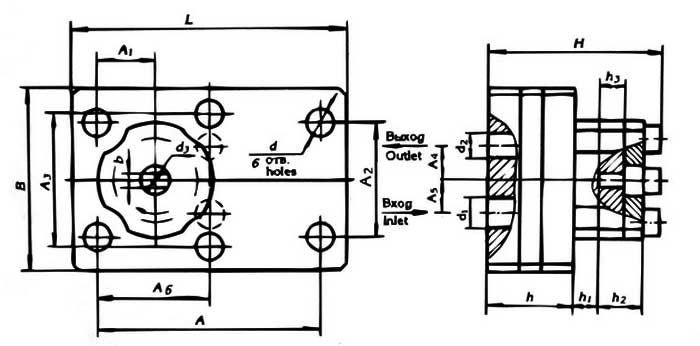
Схема - габаритные размеры насоса
L, мм | 152 |
B, мм | 96 |
H, мм | 114 |
A, мм | 116 |
A1, мм | 30 |
A2, мм | 62 |
A3, мм | 74 |
A4, мм | 17 |
A5, мм | 17 |
A6, мм | 58 |
b, мм | 13 |
d, мм | 11 |
d1, мм | 22 |
d2, мм | 14 |
d3, мм | 28 |
h, мм | 67 |
h1, мм | 15 |
h2, мм | 26 |
h3, мм | 15 |
ДОСТАВКА
Вы можете выбрать любой наиболее удобный способ из перечисленных ниже:
Доставка до терминала ТК «Деловые линии» осуществляется нами бесплатно.
ОПЛАТА
Мы принимаем оплату:
Цены на поставляемые нами товар всегда ниже, чем у наших конкурентов.
Условия гарантийного обслуживания
Гарантия не распространяется на ущерб, причиненный другому оборудованию, работающему вместе с данным изделием.
Центр измерительной техники «Эталонприбор» располагает своим собственным ремонтным сервисом, где Вы можете получить услуги по: ремонту, наладке, калибровке, гарантийному и послегарантийному обслуживанию измерительного оборудования, как приобретенного у нас, так и у других поставщиков. Сервис работает на основе лицензии, выданной Ростехрегулированием РФ.
