Насос шестеренный АГ11-11-1 (АГ11-11А-1) предназначен для нагнетания под номинальным давлением 0,5МПа (5 кгс/см2) постоянного по величине и направлению потока минерального масла с кинематической вязкостью от 17 до 400 мм2/с (сСт) при температуре масла от 283 до 328 К (от 10 до 55°С) в смазочные системы станков и других стационарных машин.
Модель насоса | АГ11-11А-1 | АГ11-11-1 |
Рабочий объем, см3 | 5,0 | 8,0 |
Номинальная подача, не более, дм3/см (л/мин) | 0,083 (5) | 0,133 (8) |
Номинальная мощность насоса, кВт | 0,140 | 0,210 |
Масса, кг | 2,8 | 3 |

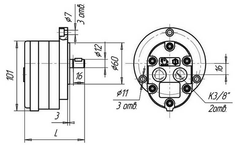
Схема - габаритные размеры насоса
Типоразмер | L, мм |
| АГ11-11А-1 | 81 |
АГ11-11-1 | 86 |
ДОСТАВКА
Вы можете выбрать любой наиболее удобный способ из перечисленных ниже:
Доставка до терминала ТК «Деловые линии» осуществляется нами бесплатно.
ОПЛАТА
Мы принимаем оплату:
Цены на поставляемые нами товар всегда ниже, чем у наших конкурентов.
Условия гарантийного обслуживания
Гарантия не распространяется на ущерб, причиненный другому оборудованию, работающему вместе с данным изделием.
Центр измерительной техники «Эталонприбор» располагает своим собственным ремонтным сервисом, где Вы можете получить услуги по: ремонту, наладке, калибровке, гарантийному и послегарантийному обслуживанию измерительного оборудования, как приобретенного у нас, так и у других поставщиков. Сервис работает на основе лицензии, выданной Ростехрегулированием РФ.
