Насос шестеренный масляный НШМ-1,6/16 предназначен для перекачки нефтепродуктов (масло, нефть, мазут), а также для подачи мазута в котельных установках, без механических примесей с кинематической вязкостью 75мм2/с(сСт) - 1800мм2/с(сСт) (10°ВУ- 250° ВУ). Температура рабочей жидкости от 10°С до 250°С.
Подача, м3/час (л/с), не менее | 1,6 (0,4) |
Давление на выходе из насоса, МПа (кгс/см2), не более | 1,6 (16) |
Допустимая вакууметричная высота всасывания, м | 5 |
Частота вращения, с-11 (об/мин) | 24 (1450) |
Мощность насоса, кВт, не более | 1 ,2 |
Мощность электродвигателя, кВт, не более | 1 ,5 |
КПД насоса в агрегате, %, не менее | 60 |
Масса насоса, кг | 15,4 |
Масса агрегата, кг | 45,2 |

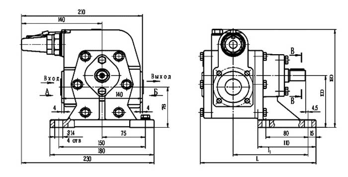
Схема - габаритные размеры насоса
L, мм | 218 |
l1, мм | 141,5 |
b1, мм | 80 |
b2, мм | 75 |
D, мм | 105 |
D1, мм | 100 |
d1, мм | 75 |
d2, мм | 58 |
d3, мм | 20 |
d4, мм | М12 |
d5, мм | 75 |
d6, мм | 60 |
d7, мм | 25 |
d8, мм | М10 |
ДОСТАВКА
Вы можете выбрать любой наиболее удобный способ из перечисленных ниже:
Доставка до терминала ТК «Деловые линии» осуществляется нами бесплатно.
ОПЛАТА
Мы принимаем оплату:
Цены на поставляемые нами товар всегда ниже, чем у наших конкурентов.
Условия гарантийного обслуживания
Гарантия не распространяется на ущерб, причиненный другому оборудованию, работающему вместе с данным изделием.
Центр измерительной техники «Эталонприбор» располагает своим собственным ремонтным сервисом, где Вы можете получить услуги по: ремонту, наладке, калибровке, гарантийному и послегарантийному обслуживанию измерительного оборудования, как приобретенного у нас, так и у других поставщиков. Сервис работает на основе лицензии, выданной Ростехрегулированием РФ.
