Насос шестеренный НШ 71 А3л предназначен для нагнетания минерального масла в гидравлических системах различных механизмов, тракторов, погрузчиков, сельскохозяйственных машин, коммунальных устройствах, строительно-дорожной техники, машин и другой техники. Использование насосов возможно в различных стационарных установках с приводом от электродвигателя.
Насос крепится на валу отбора мощности.
Крутящий момент передается при помощи шлицевого соединения вала насоса и вала отбора мощности, или приводного устройства иного типа.
Улучшенные технические характеристики НШ-71 дают возможность применять рабочую жидкость не самого высокого качества.
Для лучшей отдачи и длительной работы НШ-71 рекомендуется использовать очищенное от влаги и механических примесей масло, так как оно не только служит рабочей жидкостью, но и позволяет подшипникам за счет смазки двигаться плавно, не дает образовываться надирам на их поверхности.

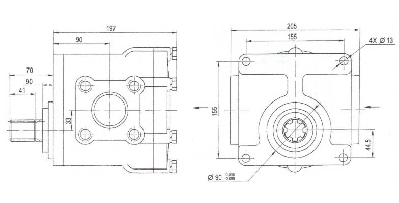
Габаритные размеры насоса НШ 71 А3л
Левое вращение вала:
| Рабочий объем, см3 | 71 |
| Максимальное кратковременное давление, МПа | 21 |
| Максимальная частота вращения, мин-1 | 2400 |
| Номинальная частота вращения, с-1 | 32 |
| Номинальная подача, не менее, л/мин | 121.8 |
| Давление на выходе, МПа номинальное максимальное | 16 21 |
| Коэффициент подачи, не менее | 0,94 |
| Коэффициент полезного действия, не менее | 0,83 |
| Номинальная мощность, не более, кВт | 47.1 |
| Оптимальная кинетическая вязкость рабочей среды, мм.кв/с | 55-70 |
| Масса, кг | 16,5 |
ДОСТАВКА
Вы можете выбрать любой наиболее удобный способ из перечисленных ниже:
Доставка до терминала ТК «Деловые линии» осуществляется нами бесплатно.
ОПЛАТА
Мы принимаем оплату:
Цены на поставляемые нами товар всегда ниже, чем у наших конкурентов.
Условия гарантийного обслуживания
Гарантия не распространяется на ущерб, причиненный другому оборудованию, работающему вместе с данным изделием.
Центр измерительной техники «Эталонприбор» располагает своим собственным ремонтным сервисом, где Вы можете получить услуги по: ремонту, наладке, калибровке, гарантийному и послегарантийному обслуживанию измерительного оборудования, как приобретенного у нас, так и у других поставщиков. Сервис работает на основе лицензии, выданной Ростехрегулированием РФ.
