по РФ бесплатно
пн-пт 9:00-18:00
пн-пт 9:00-18:00
по РФ бесплатно
Ваш город
Нет
Да
КОНТАКТНАЯ ИНФОРМАЦИЯ
Телефоны:8 (800) 777-30-09 (по РФ бесплатно), 8 (495) 748-30-09, 748-30-60, 664-28-44.
Адрес:141006, Московская обл., г. Мытищи, Олимпийский пр-т, д. 29, стр. 2, офис 43/1.
УВАЖАЕМЫЕ КЛИЕНТЫ!
Цены на сайте могут отличаться, просьба уточнять конечную стоимость у наших менеджеров!
TMM-540



ПКП1И-Щ1

Цена:
21 264
Общая стоимость 0 руб.
В корзину
Купить в 1 клик
Нашли дешевле?
Снизим цену!
В избранное
Стоимость доставки от 800 ₽ (уточнять у менеджера)
Срок доставки: 2 - 10 дней при наличии товара на складе
Бесплатная доставка от 50000₽
Безналичный расчет для юридических лиц
Самовывоз со склада компании ЭТАЛОНПРИБОР
Более 350 брендов
Самые лучшие
цены
Техническая
документация
Быстрая доставка
по России
Сервисный
центр
  • Описание
  • Доставка и оплата
  • Гарантия и возврат
  • Отзывы
  • Сервис
Описание

Прибор ПКП1 предназначен для управления и контроля работой задвижек и затворов и для защиты их механизмов и электропроводов при заклинивании без применения концевых выключателей. ПКП1 с успехом используется, например, в системе «Водоканал».

Функциональные возможности

  • Автоматическая остановка электропривода при достижении задвижкой крайнего положения без применения концевых выключателей
  • Контроль положения задвижки: – в ПКП1Т – по времени ее перемещения и току, потребляемому электродвигателем; – в ПКП1И – по числу оборотов вала и периоду следования импульсов, поступающих с датчика на валу задвижки
  • Индикация текущего положения задвижки в процентах
  • Выключение управления приводом с выдачей сигнала «Авария» при заклинивании задвижек или проскальзывании механизмов электропривода
  • Сохранение информации о положении задвижки при обесточивании
  • Регистрация положения задвижки при установке модуля стоковым выходом 4...20 мА или
  • Регистрация положения задвижки и управление приводом при установке модуля интерфейса RS-485 для связи прибора с компьютером

Прибор измерения и контроля ПКП1 выпускается в двух модификациях

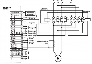
ПКП1Т – прибор предназначен для управления и контроля положением задвижки по времени ее перемещения и току, потребляемому электродвигателем. Схему подключения прибора можно посмотреть здесь.

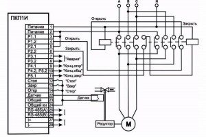
ПКП1И – прибор предназначен для управления и контроля положением задвижки по числу оборотов вала и периоду следования импульсов, поступающих с датчика на валу задвижки. Схему подключения прибора можно посмотреть здесь.

Прибор измерения и контроля ПКП1 выпускается в корпусах двух типов: настенном Н и щитовом Щ1.

В комплект поставки контрольно-измерительного прибора ПКП1 бесплатно входит: OPC-сервер, драйвер для работы со SCADA-системой TRACE MODE, библиотеки WIN DLL.

Основные технические характеристики

Номинальное напряжение питания

220 В частотой 50 Гц

Допустимое отклонение номинального напряжения

–15…+10 %

Тип датчика:

– ПКП1Т

трансформатор тока N (5A) (см. ГОСТ 7746-89)

– ПКП1И

геркон, датчик Холла, активный датчик

Контроль перемещения задвижки:

– ПКП1Т

по времени (5...999,9 с)

– ПКП1И

по числу импульсов (до 9999 с)

Время задержки срабатывания по току

0,1...10 с

Максимально допустимый ток нагрузки:

– э/м реле управления привода

3 А при 220 В, cos φ > 0,4

– э/м реле сигнализации состояний

3 А при 220 В, cos φ > 0,4

Дополнительный модуль

с токовым выходом 4...20 мА или
интерфейс RS-485

Количество разрядов индикации:

4

Габаритные размеры и степень защиты корпуса

– настенный (Н)

130×105×65 мм, IP44

– щитовой (Щ1)

96×96×70 мм, IP54 со стороны передней панели

Условия эксплуатации

Температура окружающего воздуха

+1...+50 °С

Атмосферное давление

86...106,7 кПа

Относительная влажность воздуха (при 35 °С)

не более 80 %

Функциональная схема

Функциональная схема прибора ОВЕН ПКП1

Входы для управления задвижкой и контроля ее положения

Оператор может управлять положением задвижки:

  • дистанционно с пульта управления с помощью кнопок, подключаемых ко входам 1...3 прибора: «Открыть», «Закрыть», «Стоп»;
  • с помощью кнопок, расположенных на лицевой панели прибора.

Входы 1...3 обеспечивают гальваническую развязку между кнопками и прибором.

ПКП1Т. Для контроля тока, потребляемого электроприводом задвижки, используется стандартный измерительный трансформатор тока, например, Т-0, 66-УЗ, подключаемый ко входу 4.

ПКП1И. Ко входу 4 подключается датчик импульсов, установленный на валу задвижки:

  • геркон;
  • датчик Холла;
  • активный датчик (индуктивный, емкостный, оптический).

Автоматическая остановка электропривода при достижении задвижкой концевого положения

Блок управления (БУ) ПКП1 позволяет автоматически отключать электродвигатель при достижении задвижкой крайнего (концевого) положения без при менения концевых выключателей.

ПКП1Т. При поступлении внешнего сигнала на открытие или закрытие задвижки БУ отслеживает значение силы тока с трансформатора тока и время, отсчитываемое таймером. На время пускового момента сигнал, поступающий с трансформатора, блоком управления игнорируется.

Определение концевого положения может осуществляться одним из трех способов:

  • значение тока достигло заданного (параметр СurA) и время, отсчитанное таймером, находится в установленном интервале (IntL...IntH), как при закрытии, так и при открытии задвижки;
  • то же при закрытии задвижки, а при открытии по истечении заданного времени (IntС);
  • при открытии и при закрытии по истечении заданного времени.

Два первых способа определения концевого положения позволяют плотно закрывать задвижку, определять открытое положение в зависимости от ее конструктивных особенностей. Третий способ позволяет управлять некоторыми типами задвижек, не допускающих механических перегрузок в концевых положениях.

ПКП1 сигнализирует о достигнутом задвижкой концевом положении, включая реле 4, если задвижка закрыта, или реле 5, если она открыта. Реле 1 или 2 при этом выключается.

ПКП1И. Определение концевых положений происходит аналогичным образом, но БУ отслеживает значение периода следования импульсов, поступающих от датчика, и их число. отключение электродвигателя.

Аварийное отключение электродвигателя

Блок управления ПКП1 определяет аварийную ситуацию, при этом выключает управление приводом, включает реле «Авария» и мигание индикатора при:

  • заклинивании задвижки в процессе движения;
  • проскальзывании вала привода или других механизмов.

Контроль и индикация текущего положения задвижки

В начале работы ПКП1 запускает таймер, отсчитывающий время движения задвижки и вычисляет процент ее открытия.

Любой из этих двух параметров (время движения или процент окрытия задвижки) можно вывести на индикатор прибора.

Выходы

ПКП1 имеет два выходных реле для управления задвижкой (реле 1 и 2), два реле для имитации концевых выключателей (реле 4 и 5) и реле 3 для аварийной сигнализации.

Кроме того, в ПКП1 по желанию заказчика может быть установлен модуль, формирующий унифицированный токовый сигнал 4...20 мА, пропорциональный степени открытия задвижки, или модуль интерфейса связи с ЭВМ RS-485.

Настройка на объекте. Программирование

Для настройки прибора на объекте задают способ определения концевых положений и временные параметры хода задвижки. Зная рабочий ток двигателя электропривода, необходимо задать параметры защитного отключения.

Заданные параметры сохраняются в энергонезависимой памяти прибора и остаются неизменными при выключении питания.

Программирование прибора осуществляется кнопками, расположенными на передней панели. Для предотвращения несанкционированного доступа к изменению параметров установлена защита.

Элементы управления

Элементы управления ОВЕН ПКП1

Индикаторы:

  • постоянным свечением или миганием показывают направление перемещения
    задвижки;
  • одновременным миганием сигнализируют о запрете выдачи управления на задвижку
    на время «запрета реверсивного включения».

Индикаторы «ЗАКР» и «ОТКР» постоянным свечением сигнализируют о достижении
соответствующих концевых положений задвижки.
Индикатор «Авария» сигнализирует об аварийной блокировке управлением задвижки.
Индикатор «Перегруз» сигнализирует об аварийной ситуации «Перегрузка».
Индикатор «Скольжен» сигнализирует об аварийной ситуации «Скольжение».
Индикатор «ДУ»:

  • постоянно светит – текущий режим управления – ДУ;
  • постоянно погашен – текущий режим управления – РУ;
  • мигает – прибор находится в режиме «Калибровка».

Назначение кнопок в режиме «РАБОТА»

Комбинации кнопокАлгоритм работы
Элементы управления ПКП1«длительное нажатие» – вход в режим «ПРОГРАММИРОВАНИЕ»
Элементы управления ПКП1подача команды на открытие задвижки, если включено РУ
Элементы управления ПКП1подача команды на закрытие задвижки, если включено РУ
подача команды на останов задвижки, если включено РУ
«длительное нажатие» – снятия сигнала «Авария»
Элементы управления ПКП1сброс текущего положения задвижки в положение «закрыта»
Элементы управления ПКП1сброс текущего положения задвижки в положение «открыта»
Элементы управления ПКП1 переключение режима управления «РУ»/ «ДУ»

Схемы подключения

Схема подключения прибора ПКП1Т
Схема подключения прибора ПКП1И

Комплект поставки

  1. Прибор ПКП1
  2. Комплект крепежных элементов
  3. Паспорт и руководство по эксплуатации
  4. Гарантийный талон
Развернуть полное описание
Доставка и оплата

ДОСТАВКА

Вы можете выбрать любой наиболее удобный способ из перечисленных ниже:

  • Самовывоз со склада компании ЭТАЛОНПРИБОР
  • Доставка через транспортную компанию "Деловые линии"
  • Доставка экспресс - почтой "ПОНИ-ЭКСПРЕСС" до двери
  • Доставка по Москве и области нашими экспедиторами и курьерами
  • Доставка через транспортную компанию "ПЭК"
  • Отправка посылкой с помощью Почты России
  • Доставка через транспортную компанию покупателя

Доставка до терминала ТК «Деловые линии» осуществляется нами бесплатно.

ОПЛАТА

Мы принимаем оплату:

  • по безналичному расчету
  • перечислением денежных средств на расчетный счет для юридических лиц
  • банковским переводом для физических.

Цены на поставляемые нами товар всегда ниже, чем у наших конкурентов.

Гарантия и возврат

Условия гарантийного обслуживания

  1. Гарантия действительна только при наличии гарантийного талона с указанием заводского номера изделия, гарантийного срока и печати поставщика.
  2. Гарантия предусматривает бесплатный ремонт изделия или замену запасных частей, комплектующих в течении гарантийного срока, указанного в гарантийном талоне.
  3. Заводской номер и наименование изделия должны соответствовать указанным в гарантийном талоне.
  4. Изделие снимается с гарантийного обслуживания в следующих случаях:
    1. Нарушения условий эксплуатации, изложенных в технической документации изделия, которые привели к выходу изделия из строя, включая неисправности, вызванные использованием нештатных аксессуаров;
    2. Нарушения гарантийных пломб, в случае наличия следов вскрытия или взлома корпуса изделия;
    3. Ремонта в неуполномоченном сервисном центре или самостоятельно (кроме элементов и источников питания, замена которых предусмотрена производителем);
    4. Использования изделия не по назначению;
    5. Нарушения правил хранения и транспортирования;
    6. Наличия внешних механических повреждений, включая повреждения разъёмов и контактов;
    7. Наличия внешних повреждений, вызванных стихией, пожаром, молнией, высоким напряжением;
    8. Попадания внутрь влаги, инородных предметов и т.п.
    9. Неправильном включении в сеть.
  5. Гарантия не распространяется на расходные материалы и прочие детали, имеющие ограниченный срок службы: элементы питания (в т.ч. аккумуляторы), имеющие ограниченную прочность.
  6. Недополученная в связи с появлением неисправности прибыль и другие косвенные расходы не подлежат возмещению.

Гарантия не распространяется на ущерб, причиненный другому оборудованию, работающему вместе с данным изделием.

Отзывы
Отзывы о товаре ПКП1И-Щ1
Сервис

Центр измерительной техники «Эталонприбор» располагает своим собственным ремонтным сервисом, где Вы можете получить услуги по: ремонту, наладке, калибровке, гарантийному и послегарантийному обслуживанию измерительного оборудования, как приобретенного у нас, так и у других поставщиков. Сервис работает на основе лицензии, выданной Ростехрегулированием РФ.

 
Подробнее
 
Сервисное обслуживание
Простой обмен и возврат
Поможем решить любую проблему с товаром
Собственный сервисный центр
Устраним любую неисправность по гарантии. Срок указан без учета логистики
Сервисы по всей России
Обращайтесь за обслуживанием в авторизованные сервисы производителя
Похожие товары
 
Полезные статьи
При выборе манометра необходимо учитывать ряд важных факторов, чтобы прибор подходил для конкретной системы.
Уровень влажности в помещении играет важную роль в формировании оптимальных условий для комфортного пребывания. Для определения этого параметра используются устройства, называемые гигрометрами. В этой статье мы расскажем, как выбрать подходящее оборудование такого типа для различных объектов.
Осциллограф — это прибор для наблюдения, измерения, записи и анализа амплитудных и временных характеристик электрического сигнала. Подаваемый на вход устройства, он отображается либо на экране, либо фиксируется на фотоленте для последующего изучения.
Если вы задумались о приобретении мультиметра, важно заранее ознакомиться с рядом полезных рекомендаций, которые помогут сделать правильный выбор. Мы подготовили небольшую статью, которая, надеемся, окажется полезной.
Цифровой тахометр — это прибор, предназначенный для измерения частоты вращения различных объектов, таких как валы, двигатели и роторы. В отличие от аналоговых моделей, цифровые тахометры обеспечивают высокую точность измерений и удобство использования благодаря современным технологиям и информативному дисплею. Они широко используются в самых разных отраслях: от автомобильного сервиса и промышленности до научных исследований и контроля вентиляционных систем.
Мегаомметр – это специализированный прибор, предназначенный для измерения сопротивления изоляции электрических цепей и оборудования. В условиях современного мира, где электричество играет ключевую роль во всех сферах жизни, обеспечение безопасности и надежности электрических систем становится особенно важным. От качества изоляции проводников и оборудования зависит не только эффективность их работы, но и безопасность людей и объектов, которые они обслуживают.
Измерительные приборы играют ключевую роль в различных отраслях, начиная от промышленности и строительства, заканчивая медициной и научными исследованиями. Правильная эксплуатация и уход за этими приборами являются залогом точных измерений и долговечности оборудования.
Осциллографы играют ключевую роль в современных лабораториях и на производственных предприятиях, являясь незаменимым инструментом для анализа и визуализации электрических сигналов. Независимо от того, являетесь ли вы инженером-электронщиком, студентом технического вуза или энтузиастом электроники, понимание принципов работы осциллографов, их видов и характеристик, а также правил эксплуатации и ухода за ними, имеет первостепенное значение.
Амперметр предназначен для измерения величины тока в электрических цепях, выраженной в амперах. В основе его работы лежит простой принцип: инструмент позволяет наглядно увидеть мощность тока, потребляемого устройствами, подключенными к сети. Обычно амперметр подключают в цепь с нагрузкой, поэтому ток, протекающий через него, идентичен току, проходящему через любой другой элемент цепи, будь то нагреватель, мотор или лампочка.
На этапах возведения, отделки и монтажа различных сооружений большую роль играют точность разметки и идеальное выравнивание. Достижение профессиональных стандартов качества возможно при использовании лазерного нивелира. Для выбора подходящей модели целесообразно ознакомиться с механизмом работы этих устройств.
Новинки
Недавно просмотренные